Op-Amp Wonders: Circuit Secrets Revealed!
2024-09-09 | By DWARAKAN RAMANATHAN
Introduction:
Welcome to our series on operational amplifier (op-amp) circuits! Op-amps are the workhorses of analog electronics, powering a wide range of circuits that amplify, filter, and process signals. In this series, we'll explore some of the most common and useful op-amp circuits, from basic amplifiers to more advanced applications like filters and oscillators. Whether you're a beginner or an experienced hobbyist, join us as we dive into the world of op-amp circuits and discover how they can enhance your electronics projects.
Figure: Circuits using Operational Amplifier
1. Voltage Comparator:
Comparators utilizing operational amplifiers (op-amps) play a pivotal role in electronics, providing precise voltage comparisons between two input signals with the output that has the characteristics of the inputs. Typically, one input is linked to a reference voltage while the other is connected to the signal under scrutiny. As the op-amp amplifies the voltage difference between these inputs, the output swiftly switches between two saturation voltage levels contingent upon the relationship between the input voltages. Hysteresis is often added to comparator circuits, forming a Schmitt trigger, to enhance stability and reduce noise. This addition ensures a well-defined switching threshold, making comparators invaluable for tasks like level detection, signal conditioning, and waveform shaping across a diverse array of electronic applications. Overall, comparators employing op-amps offer rapid, accurate voltage comparisons that have unique characteristics of the input signals, crucial for informed decision-making in both analog and digital systems.

2. Non-Inverting Amplifier:
Unlike the inverting amplifier, the non-inverting amplifier preserves the polarity (Positive or Negative) of the input signal at the output. Here, the input signal is connected to the non-inverting (+) input, while a portion of the output is fed back to this input through a resistor divider network. The gain of the amplifier is determined by the ratio of the feedback resistor to the resistor connected to the non-inverting input.

3. Inverting Amplifier:
In this configuration, the op-amp amplifies the input signal while inverting its polarity at the output. It's achieved by connecting the input signal to the inverting (-) input and providing feedback from the output to the inverting input through a resistor. The gain of the amplifier is determined by the ratio of the feedback resistor to the input.

4. Voltage Follower:
A voltage follower circuit utilizing an operational amplifier (op-amp) serves as a fundamental component in electronics, designed to replicate the input voltage at its output while maintaining a unity gain. Its simple configuration involves connecting the input voltage directly to the non-inverting input of the op-amp and feeding back the output to the inverting input. With its high input impedance, the op-amp ensures minimal loading on the source, allowing it to accurately track variations in the input voltage. This makes voltage followers invaluable for applications where preserving signal integrity is paramount, such as impedance matching, signal buffering, and isolating sensitive circuit stages from each other. By faithfully reproducing the input voltage at the output with no gain or phase shift, voltage followers play a crucial role in enhancing the performance and reliability of electronic systems.

5. Inverting Summing Amplifier:
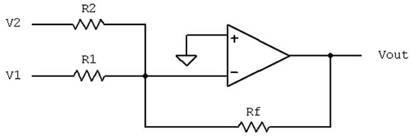
An inverting summing amplifier is a versatile operational amplifier (op-amp) circuit configuration designed to sum multiple input voltages with adjustable gain while providing an inverted output. In this circuit, each input voltage is connected to a separate resistor, and all the resistor outputs are then tied together and connected to the inverting input of the op-amp. By adjusting the feedback resistor connected between the op-amp's output and its inverting input, the circuit's gain can be controlled. The output voltage of the amplifier is the negative sum of the input voltages, multiplied by the gain factor determined by the feedback resistor. This configuration finds applications in various electronic systems where the summation of multiple signals with variable weighting and inversion is required, such as audio mixers, signal processing, and control systems, providing flexibility and precision in signal manipulation.

6. Differential Amplifier:
A differential amplifier utilizing an operational amplifier (op-amp) is a circuit designed to amplify the voltage difference between two input signals while rejecting any common-mode voltage. Typically configured with two input terminals for the differential signals and one or more additional terminals for a common-mode reference voltage, the op-amp amplifies only the voltage difference between the two inputs, effectively rejecting any voltage that appears simultaneously on both inputs. This differential mode operation allows the amplifier to amplify the desired signal while attenuating noise and interference that may be common to both inputs. Differential amplifiers are widely used in instrumentation, communication systems, and sensor interfaces where accurate amplification and noise rejection are essential, making them indispensable components in high-performance electronic circuits.

7. Differentiator and Integrator Amplifier:
Op-amps can be configured as integrators and differentiators to perform mathematical operations on input signals. In an integrator, the output voltage is proportional to the integral of the input voltage with respect to time, while in a differentiator, the output voltage is proportional to the derivative of the input voltage with respect to time. These circuits find applications in signal processing, waveform shaping, and control systems.

Conclusion:
In summary, operational amplifiers (op-amps) are versatile tools in electronics, enabling a range of circuits from basic amplifiers to complex comparators and filters. With their ability to manipulate signals precisely, op-amp circuits empower engineers and hobbyists to design innovative electronic systems for various applications. Understanding op-amp principles unlocks endless possibilities in electronic design and innovation.

