AS1163 (SAID)/AS1163B (SAID2) LED Driver ICs
ams OSRAM automotive 9- and 6-output stand-alone intelligent LED driver ICs are enhanced for robust lighting applications
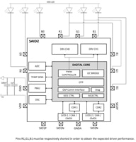
ams OSRAM AS1163 (SAID) and AS1163B (SAID2) are mixed signal silicon devices optimized for dynamic lighting applications. SAID stands for stand-alone intelligent driver, while SAID2 stands for stand-alone intelligent driver with 2 RGB triplets.
The essential purpose of AS1163 is to drive 9 LEDs organized in 3-channel triplets (RGB) with an independent PWM dimming dynamic range of up to 16 bits. In comparison, the AS1163B drives 6 LEDs organized in 2-channel triplets (RGB) with an independent PWM dimming dynamic range of up to 16 bits.
Daisy chain configurations of multiple AS1163 or AS1163B devices enable cost-effective implementation of complex dynamic lighting effects, supporting single-layer slim PCB designs. Their supported communication protocol is Open System Protocol (OSP), which makes them fully compatible with the ams OSRAM OSIRE E3731i. The AS1163 and AS1163B support additional features such as I²C gateway, parallel connection, power-rail feedback, and analog readout. Each device in the chain is usable by a MCU to read and write an external I²C device, e.g., EEPROM, temperature sensor, or ambient light sensor. AS1163 and AS1163B comply with Functional Safety QM to achieve ASIL-B on a system level.
- AS1163 (SAID) - ams OSRAM AS1163 (SAID) and AS1163B (SAID2) LED driver ICs are mixed signal silicon devices optimized for dynamic lighting applications.3 x RGB LEDs (48 mA, 24 mA, 24 mA) or 2 x RGB LEDs + I²C or 9 x single color LEDs
- AS1163B (SAID2) - 2 x RGB LEDs (48 mA, 48 mA, 48 mA) or 1 x RGB LED + I²C or 6 x single color LEDs
- 2.4 Mbit/s two-wire daisy chain (bidirectional or loop-back) or star topology
- Open/short/communication diagnosis, overvoltage/overtemperature protectionams OSRAM AS1163 (SAID) and AS1163B (SAID2) LED driver ICs are mixed signal silicon devices optimized for dynamic lighting applications.
- Up to 1000 nodes
- Output clustering (up to 288 mA)
- Brightness adjustment (16-bit)
- Anti-flickering dithering
- Interior dynamic lighting effects
- Ambient lighting
- Functional lighting
- Exterior lighting (e.g., grill applications)
- Roof lighting
- Smart surfaces
AS1163 and AS1163B LED Driver ICs
| Image | Manufacturer Part Number | Description | Available Quantity | Price | View Details | |
|---|---|---|---|---|---|---|
![]() | ![]() | AS1163-AQFT QFN16 LF T&RDP | AS1163: INTELLIGENT LED DRIVER F | 0 - Immediate | $14.47 | View Details |
![]() | ![]() | AS1163-AQFM QFN16 LF T&RDP | AS1163: INTELLIGENT LED DRIVER F | 1416 - Immediate | $29.41 | View Details |
![]() | ![]() | AS1163B-AQFT QFN16 LF T&RDP | AS1163: INTELLIGENT LED DRIVER F | 0 - Immediate | $11.76 | View Details |
![]() | ![]() | AS1163B-AQFM QFN16 LF T&RDP | AS1163: INTELLIGENT LED DRIVER F | 730 - Immediate | $24.37 | View Details |
Arduino OSP Evaluation Kit
| Image | Manufacturer Part Number | Description | Available Quantity | Price | View Details | |
|---|---|---|---|---|---|---|
![]() | ![]() | ARDUINO OSP EVALUATION KIT | AS1163: INTELLIGENT LED DRIVER F | 0 - Immediate | $13,279.02 | View Details |






