Orders are typically delivered to South Africa within 4 days depending on location.
Free delivery to South Africa on orders of ZAR 2 000 or more. A delivery charge of ZAR 600 will be billed on all orders less than ZAR 2 000.
UPS, FedEx or DHL freight pre-paid: CPT (Duty, customs, and VAT due at time of delivery) Credit card payments only.
![]()
![]()
![]()


More Products From Fully Authorized Partners
Average Time to Ship 1-3 Days, extra ship charges may apply. Please see product page, cart, and checkout for actual ship speed.
Incoterms: CPT (Duty, customs, and applicable VAT/Tax due at time of delivery)
For more information visit Help & Support
Using an Arduino, IR LED, and a matching sensor, we are able to detect objects by pulsing the LED, and reading the sensor's response.
Learn how to program an intelligent learning custom IR remote control that can control any electronic device that comes with an IR remote control.
Learn how to construct an intelligent learning custom IR remote control that can control any electronic device that comes with an IR remote control.
This article describes how to direct a Raspberry Pi with any conventional IR remote control and how to send IR signals from a Pi to control other devices.
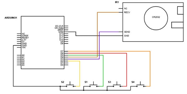
Using an Arduino Uno, IR emitters and receivers, and the IRemote library we build a simple circuit that can send or receive standard remote control signals.
Co-Browse
By using the Co-Browse feature, you are agreeing to allow a support representative from DigiKey to view your browser remotely. When the Co-Browse window opens, give the session ID that is located in the toolbar to the representative.
DigiKey respects your right to privacy. For more information please see our Privacy Notice and Cookie Notice.
Yes, Continue to Co-BrowseGet fast and accurate answers from DigiKey's Technicians and Experienced Engineers on our TechForum.
Please visit the Help & Support area of our website to find information regarding ordering, shipping, delivery and more.
Registered users can track orders from their account dropdown, or click here. *Order Status may take 12 hours to update after initial order is placed.
Users can begin the returns process by starting with our Returns Page.
Quotes can be created by registered users in myLists.
Visit the Registration Page and enter the required information. You will receive an email confirmation when your registration is complete.
Orders are typically delivered to South Africa within 4 days depending on location.
Free delivery to South Africa on orders of ZAR 2 000 or more. A delivery charge of ZAR 600 will be billed on all orders less than ZAR 2 000.
UPS, FedEx or DHL freight pre-paid: CPT (Duty, customs, and VAT due at time of delivery) Credit card payments only.
![]()
![]()
![]()


More Products From Fully Authorized Partners
Average Time to Ship 1-3 Days, extra ship charges may apply. Please see product page, cart, and checkout for actual ship speed.
Incoterms: CPT (Duty, customs, and applicable VAT/Tax due at time of delivery)
For more information visit Help & Support
Thank you!
Keep an eye on your inbox for news and updates from DigiKey!
Please enter an email address
Please accept the checkbox