ACS770xCB Datasheet by Allegro MicroSystems

Application 1: the ACS770 outputs an analog
signal, VOUT
, that varies linearly with the
bidirectional AC or DC primary sampled cur-
rent, IP
, within the range specified. RF and
CF are for optimal noise management, with
values that depend on the application.
ACS770xCB
The Allegro ACS770 family of current sensor ICs provides
economical and precise solutions for AC or DC current sensing.
Typical applications include motor control, load detection and
management, power supply and DC-to-DC converter control,
inverter control, and overcurrent fault detection.
The device consists of a precision, low-offset linear Hall
circuit with a copper conduction path located near the die.
Applied current flowing through this copper conduction
path generates a magnetic field that is concentrated by a low
magnetic hysteresis core, then converted by the Hall IC into a
proportional voltage. Device accuracy is optimized through the
close proximity of the magnetic signal to the Hall transducer.
A precise, proportional output voltage is provided by the
low-offset, chopper-stabilized BiCMOS Hall IC, which is
programmed for accuracy at the factory. Proprietary digital
temperature compensation technology greatly improves the
IC accuracy and temperature stability without influencing the
high-bandwidth operation of the analog output.
High-level immunity to current conductor dV/dt and stray
electric fields is offered by Allegro proprietary integrated shield
technology for low output voltage ripple and low offset drift
in high-side, high-voltage applications.
The output of the device has a positive slope (>VCC/2 for
bidirectional devices) when an increasing current flows
through the primary copper conduction path (from terminal 4
to terminal 5), which is the path used for current sampling. The
internal resistance of this conductive path is 100 µΩ typical,
providing low power loss.
ACS770-DS, Rev. 11
MCO-0000205
Thermally Enhanced, Fully Integrated, Hall-Effect-Based
High-Precision Linear Current Sensor IC with 100 µΩ Current Conductor
Continued on the next page…
Typical Application
5 V
VOUT
RF
CF
CBYP
0.1 µF
IP+
IP–
2
GND
4
5
ACS770
3
1
VIOUT
VCC
IP
Industry-leading total output accuracy achieved with new
piecewise linear digital temperature compensation of
offset and sensitivity
Industry-leading noise performance through proprietary
amplifier and filter design techniques
120 kHz typical bandwidth
4.1 µs output rise time in response to step input current
Integrated shield greatly reduces capacitive coupling
from current conductor to die due to high dV/dt signals,
and prevents offset drift in high-side, high-voltage
applications
Greatly improved total output error through digitally
programmed and compensated gain and offset over the
full operating temperature range
Small package size, with easy mounting capability
Monolithic Hall IC for high reliability
Ultralow power loss: 100 µΩ internal conductor
resistance
Galvanic isolation allows use in economical, high-side
current sensing in high-voltage systems
4.5 to 5.5 V, single supply operation
Output voltage proportional to AC or DC currents
Factory-trimmed for accuracy
Extremely stable output offset voltage
PFF
Leadform
PSF
Leadform
Additional leadforms available for qualifying volumes
PACKAGE: 5-pin package (suffix CB)
Continued on the next page…
DESCRIPTION
FEATURES AND BENEFITS
TÜV America
Certificate Number:
U8V 14 05 54214 037
May 28, 2019
PSS
Leadform
CB Certificate Number:
US-29755-UL
ALLEGRO
Thermally Enhanced, Fully Integrated, Hall-Effect-Based
High-Precision Linear Current Sensor IC with 100 µΩ Current Conductor
ACS770xCB
2
Allegro MicroSystems
955 Perimeter Road
Manchester, NH 03103-3353 U.S.A.
www.allegromicro.com
The thickness of the copper conductor allows survival of the device
at high overcurrent conditions. The terminals of the conductive path
are electrically isolated from the signal leads (pins 1 through 3). This
allows the ACS770 family of sensor ICs to be used in applications
requiring electrical isolation without the use of opto-isolators or
other costly isolation techniques.
The device is fully calibrated prior to shipment from the factory.
The ACS770 family is lead (Pb) free. All leads are plated with 100%
matte tin, and there is no Pb inside the package. The heavy gauge
leadframe is made of oxygen-free copper.
DESCRIPTION (continued)
SELECTION GUIDE
Part Number [1]
Package Primary Sampled
Current, IP
(A)
Sensitivity
Sens (Typ.)
(mV/A)
Current
Directionality
TOP
(°C) Packing [2]
Terminals Signal Pins
ACS770LCB-050B-PFF-T Formed Formed ±50 40.Bidirectional
–40 to 150
34 pieces
per tube
ACS770LCB-050U-PFF-T Formed Formed 50 80.Unidirectional
ACS770LCB-100B-PFF-T Formed Formed ±100 20.Bidirectional
ACS770LCB-100B-PSS-T Straight Straight ±100 20 Bidirectional
ACS770LCB-100U-PFF-T Formed Formed 100 40.Unidirectional
ACS770LCB-100U-PSF-T [3] Straight Formed 100 40.Unidirectional
ACS770KCB-150B-PFF-T Formed Formed ±150 13.3 Bidirectional
–40 to 125
ACS770KCB-150B-PSF-T Straight Formed ±150 13.3 Bidirectional
ACS770KCB-150B-PSS-T Straight Straight ±150 13.3 Bidirectional
ACS770KCB-150U-PFF-T Formed Formed 150 26.7 Unidirectional
ACS770KCB-150U-PSF-T Straight Formed 150 26.7 Unidirectional
ACS770ECB-200B-PFF-T Formed Formed ±200 10.Bidirectional
–40 to 85
ACS770ECB-200B-PSF-T Straight Formed ±200 10.Bidirectional
ACS770ECB-200U-PFF-T Formed Formed 200 20.Unidirectional
ACS770ECB-200U-PSF-T Straight Formed 200 20.Unidirectional
[1] Additional leadform options available for qualified volumes.
[2] Contact Allegro for additional packing options.
[3] ACS770LCB-100U-PSF-T part variant is in production but has been determined to be LAST TIME BUY. This classification indicates that the product is obsolete and no-
tice has been given. Sale of this device is currently restricted to existing customer applications. The device should not be purchased for new design applications because
of obsolescence in the near future. Samples are no longer available. Date of status change: June 5, 2017. Deadline for receipt of LAST TIME BUY orders: December 31,
2017. For existing customer transition, and for new customers or new applications, contact Allegro.
Undervoltage lockout for VCC below specification
AEC-Q100 automotive qualified
UL certified, File No. US-29755-UL
FEATURES AND BENEFITS (continued)
ALLEGRO' mxcrosystems
Thermally Enhanced, Fully Integrated, Hall-Effect-Based
High-Precision Linear Current Sensor IC with 100 µΩ Current Conductor
ACS770xCB
3
Allegro MicroSystems
955 Perimeter Road
Manchester, NH 03103-3353 U.S.A.
www.allegromicro.com
ISOLATION CHARACTERISTICS
Characteristic Symbol Notes Rating Unit
Dielectric Surge Strength Test Voltage VSURGE Tested ±5 pulses at 2/minute in compliance to IEC 61000-4-5
1.2 µs (rise) / 50 µs (width) 8000 V
Dielectric Strength Test Voltage [1] VISO Agency type-tested for 60 seconds per
UL standard 60950-1, 2nd Edition 4800 VAC
Working Voltage for Basic Isolation VWFSI For basic (single) isolation per UL standard 60950-1, 2nd
Edition
990 VDC or Vpk
700 Vrms
Working Voltage for Reinforced Isolation VWFRI For reinforced (double) isolation per UL standard 60950-1,
2nd Edition
636 VDC or Vpk
450 Vrms
[1] 60-second testing is only done during the UL certification process. In production, Allegro conducts 1-second isolation testing according to UL 60950-1, 2nd Edition.
ABSOLUTE MAXIMUM RATINGS
Characteristic Symbol Notes Rating Unit
Forward Supply Voltage VCC 6 V
Reverse Supply Voltage VRCC –0.5 V
Forward Output Voltage VIOUT 25 V
Reverse Output Voltage VRIOUT –0.5 V
Output Source Current IOUT(Source) VIOUT to GND 3 mA
Output Sink Current IOUT(Sink) Minimum pull-up resistor of 500 Ω, from VCC to VIOUT 10 mA
Nominal Operating Ambient Temperature TOP
Range E –40 to 85 °C
Range K –40 to 125 °C
Range L –40 to 150 °C
Maximum Junction TJ(max) 165 °C
Storage Temperature Tstg –65 to 165 °C
SPECIFICATIONS
THERMAL CHARACTERISTICS: May require derating at maximum conditions
Characteristic Symbol Test Conditions [2] Value Unit
Package Thermal Resistance RθJA
Mounted on the Allegro evaluation board with 2800 mm2
(1400 mm2 on component side and 1400 mm2 on
opposite side) of 4 oz. copper connected to the primary
leadframe and with thermal vias connecting the copper
layers. Performance is based on current flowing through
the primary leadframe and includes the power consumed
by the PCB.
7 °C/W
[2] Additional thermal information available on the Allegro website.
TYPICAL OVERCURRENT CAPABILITIES [3][4]
Characteristic Symbol Notes Rating Unit
Overcurrent IPOC
TA = 25°C, 1 second duration, 1% duty cycle 1200 A
TA = 85°C, 1 second duration, 1% duty cycle 900 A
TA = 150°C, 1 second duration, 1% duty cycle 600 A
[3] Test was done with Allegro evaluation board. The maximum allowed current is limited by TJ(max) only.
[4] For more overcurrent profiles, please see FAQ on the Allegro website, www.allegromicro.com.
jjj mmmsystems .0 R G E L I. A
Thermally Enhanced, Fully Integrated, Hall-Effect-Based
High-Precision Linear Current Sensor IC with 100 µΩ Current Conductor
ACS770xCB
4
Allegro MicroSystems
955 Perimeter Road
Manchester, NH 03103-3353 U.S.A.
www.allegromicro.com
IP+
IP–
VIOUT
GND
VCC
4
5
3
2
1
Terminal List Table
Number Name Description
1 VCC Device power supply terminal
2 GND Signal ground terminal
3 VIOUT Analog output signal
4 IP+ Terminal for current being sampled
5 IP– Terminal for current being sampled
Functional Block Diagram
Pinout Diagram
V+
Dynamic Offset
Cancellation
EEPROM and
Control Logic
VCC
GND
VIOUT
Signal Recovery
To all subcircuits
CBYP
CL
Temperature
Sensor
Offset ControlSensitivity Control
Programming
Control
IP–
IP+
ALLEGRO' mxcrosystems
Thermally Enhanced, Fully Integrated, Hall-Effect-Based
High-Precision Linear Current Sensor IC with 100 µΩ Current Conductor
ACS770xCB
5
Allegro MicroSystems
955 Perimeter Road
Manchester, NH 03103-3353 U.S.A.
www.allegromicro.com
COMMON OPERATING CHARACTERISTICS: Valid at TOP = –40°C to 150°C, CBYP = 0.1 µF, and VCC = 5 V,
unless otherwise specified
Characteristic Symbol Test Conditions Min. Typ. Max. Unit
Supply Voltage VCC 4.5 5.0 5.5 V
Supply Current ICC Output open 10 15 mA
Supply Zener Voltage VZTA = 25°C, ICC = 30 mA 6.5 7.5 V
Power-On Delay [1][2] tPOD TA = 25°C, CBYP = open 90 µs
Temperature Compensation
Power-On Time [1] tTC TA = 25°C, CBYP = open 90 µs
Undervoltage Lockout (UVLO)
Threshold [1]
VUVLOH TA = 25°C, VCC rising 3.8 V
VUVLOL TA = 25°C, VCC falling 3 V
UVLO Enable/Disable Delay
Time [1][2]
tUVLOE TA = 25°C, CBYP = open, VCC Fall Time (5 V to 3 V) = 1 μs – 75 – µs
tUVLOD TA = 25°C, CBYP = Open,
VCC Recover Time (3 V to 5 V) = 1 μs – 14 – µs
Power-On Reset Voltage [1] VPORH TA = 25°C, VCC rising 2.9 V
VPORL TA = 25°C, VCC falling 2.7 V
Rise Time [1][2] trIP step = 60% of IP+, 10% to 90% rise time, TA = 25°C,
CL = 0.47 nF – 4.1 – µs
Propagation Delay Time [1][2] tPROP IP step = 60% of IP+, 20% input to 20% output, TA = 25°C,
CL = 0.47 nF – 2.4 – µs
Response Time [1][2] tRESPONSE IP step = 60% of IP+, 80% input to 80% output, TA = 25°C,
COUT = 0.47 nF – 4.6 – µs
Internal Bandwidth BWi–3 dB; TA = 25°C, CL = 0.47 nF 120 kHz
Output Load Resistance RLVIOUT to GND 4.7 kΩ
Output Load Capacitance CLVIOUT to GND 10 nF
Primary Conductor Resistance RPRIMARY TA = 25°C 100 µΩ
Quiescent Output Voltage [1] VIOUT(QBI) Bidirectional variant, IP = 0 A, TA = 25°C VCC/2 – V
VIOUT(QUNI) Unidirectional variant, IP = 0 A, TA = 25°C 0.5 V
Ratiometry [1] VRAT VCC = 4.5 to 5.5 V 100 %
[1] See Characteristic Definitions section of this datasheet.
[2] See Timing Data Section of this datasheet.
ALLEGRO' mxcrosystems
Thermally Enhanced, Fully Integrated, Hall-Effect-Based
High-Precision Linear Current Sensor IC with 100 µΩ Current Conductor
ACS770xCB
6
Allegro MicroSystems
955 Perimeter Road
Manchester, NH 03103-3353 U.S.A.
www.allegromicro.com
X050B PERFORMANCE CHARACTERISTICS [1]: TOP = –40°C to 150°C, CBYP = 0.1 μF, VCC
= 5 V, unless otherwise specified
Characteristic Symbol Test Conditions Min. Typ. Max. Unit
Primary Sampled Current IP–50 – 50 A
Sensitivity [2]
SensTA Measured using full-scale IP
, TA = 25°C 39.04 40 40.96 mV/A
Sens(TOP)HT Measured using full-scale IP
, TOP = 25°C to 150°C 39.04 40 40.96 mV/A
Sens(TOP)LT Measured using full-scale IP
, TOP = –40°C to 25°C 38.6 40 41.4 mV/A
Sensitivity Drift Over Lifetime [3] ΔSensLIFE TOP = –40°C to 150°C, shift after AEC-Q100 grade 0
qualification testing –0.72 ±0.24 0.72 mV/A
Noise [4] VNOISE TA= 25°C, 10 nF on VIOUT pin to GND 10 mV
Nonlinearity ELIN Measured using full-scale and half-scale IP, –1 – 1 %
Electrical Offset Voltage [5][6]
VOE(TA) IP = 0 A, TA = 25°C –10 ±4 10 mV
VOE(TOP)HT IP = 0 A, TOP = 25°C to 150°C –10 ±6 10 mV
VOE(TOP)LT IP = 0 A, TOP = –40°C to 25°C –20 ±6 20 mV
Electrical Offset Voltage Drift
Over Lifetime [3] ∆VOE(LIFE) IP = 0 A, TOP = –40°C to 150°C, shift after AEC-Q100 grade 0
qualification testing –5 ±2 5 mV
Magnetic Offset Error IERROM IP = 0 A, TA = 25°C, after excursion of 50 A 120 300 mA
Total Output Error [7]
ETOT(TA) Measured using full-scale IP
, TA = 25°C –2.4 ±0.5 2.4 %
ETOT(HT) Measured using full-scale IP
, TOP = 25°C to 150°C –2.4 ±1.5 2.4 %
ETOT(LT) Measured using full-scale IP
, TOP = –40°C to 25°C –3.5 ±2 3.5 %
Total Output Error Drift Over
Lifetime [3] ΔETOT(LIFE) TOP = –40°C to 150°C, shift after AEC-Q100 grade 0
qualification testing –1.9 ±0.6 1.9 %
[1] See Characteristic Performance Data page for parameter distributions over temperature range.
[2] This parameter may drift a maximum of ΔSensLIFE over lifetime.
[3] Based on characterization data obtained during standardized stress test for Qualification of Integrated Circuits, including Package Hysteresis. Cannot be guaranteed.
Drift is a function of customer application conditions. Contact Allegro MicroSystems for further information.
[4] ±3 sigma noise voltage.
[5] Drift is referred to ideal VIOUT(QBI) = 2.5 V.
[6] This parameter may drift a maximum of ΔVOE(LIFE) over lifetime.
[7] This parameter may drift a maximum of ΔETOT(LIFE) over lifetime.
ALLEGRO' mxcrosystems
Thermally Enhanced, Fully Integrated, Hall-Effect-Based
High-Precision Linear Current Sensor IC with 100 µΩ Current Conductor
ACS770xCB
7
Allegro MicroSystems
955 Perimeter Road
Manchester, NH 03103-3353 U.S.A.
www.allegromicro.com
X050U PERFORMANCE CHARACTERISTICS [1]: TOP = –40°C to 150°C, CBYP = 0.1 μF, VCC
= 5 V, unless otherwise specified
Characteristic Symbol Test Conditions Min. Typ. Max. Unit
Primary Sampled Current IP0 50 A
Sensitivity [2]
SensTA Measured using full-scale IP
, TA = 25°C 78.08 80 81.92 mV/A
Sens(TOP)HT Measured using full-scale IP
, TOP = 25°C to 150°C 78.08 80 81.92 mV/A
Sens(TOP)LT Measured using full-scale IP
, TOP = –40°C to 25°C 77.2 80 82.8 mV/A
Sensitivity Drift Over Lifetime [3] ΔSensLIFE TOP = –40°C to 150°C, shift after AEC-Q100 grade 0
qualification testing –1.44 ±0.48 1.44 mV/A
Noise [4] VNOISE TA= 25°C, 10 nF on VIOUT pin to GND 20 mV
Nonlinearity ELIN Measured using full-scale and half-scale IP –1 – 1 %
Electrical Offset Voltage [5][6]
VOE(TA) IP = 0 A, TA = 25°C –10 ±4 10 mV
VOE(TOP)HT IP = 0 A, TOP = 25°C to 150°C –10 ±6 10 mV
VOE(TOP)LT IP = 0 A, TOP = –40°C to 25°C –20 ±6 20 mV
Electrical Offset Voltage Drift
Over Lifetime [3] ∆VOE(LIFE) IP = 0 A, TOP = –40°C to 150°C, shift after AEC-Q100 grade 0
qualification testing –5 ±2 5 mV
Magnetic Offset Error IERROM IP = 0 A, TA = 25°C, after excursion of 50 A 120 300 mA
Total Output Error [7]
ETOT(TA) Measured using full-scale IP
, TA = 25°C –2.4 ±0.5 2.4 %
ETOT(HT) Measured using full-scale IP
, TOP = 25°C to 150°C –2.4 ±1.5 2.4 %
ETOT(LT) Measured using full-scale IP
, TOP = –40°C to 25°C –3.5 ±2 3.5 %
Total Output Error Drift Over
Lifetime [3] ΔETOT(LIFE) TOP = –40°C to 150°C, shift after AEC-Q100 grade 0
qualification testing –1.9 ±0.6 1.9 %
[1] See Characteristic Performance Data page for parameter distributions over temperature range.
[2] This parameter may drift a maximum of ΔSensLIFE over lifetime.
[3] Based on characterization data obtained during standardized stress test for Qualification of Integrated Circuits, including Package Hysteresis. Cannot be guaranteed.
Drift is a function of customer application conditions. Contact Allegro MicroSystems for further information.
[4] ±3 sigma noise voltage.
[5] Drift is referred to ideal VIOUT(QBI) = 0.5 V.
[6] This parameter may drift a maximum of ΔVOE(LIFE) over lifetime.
[7] This parameter may drift a maximum of ΔETOT(LIFE) over lifetime.
ALLEGRO' mxcrosystems
Thermally Enhanced, Fully Integrated, Hall-Effect-Based
High-Precision Linear Current Sensor IC with 100 µΩ Current Conductor
ACS770xCB
8
Allegro MicroSystems
955 Perimeter Road
Manchester, NH 03103-3353 U.S.A.
www.allegromicro.com
X100B PERFORMANCE CHARACTERISTICS [1]: TOP = –40°C to 150°C, CBYP = 0.1 μF, VCC
= 5 V, unless otherwise specified
Characteristic Symbol Test Conditions Min. Typ. Max. Unit
Primary Sampled Current IP–100 – 100 A
Sensitivity [2]
SensTA Measured using full-scale IP
, TA = 25°C 19.52 20 20.48 mV/A
Sens(TOP)HT Measured using full-scale IP
, TOP = 25°C to 150°C 19.52 20 20.48 mV/A
Sens(TOP)LT Measured using full-scale IP
, TOP = –40°C to 25°C 19.3 20 20.7 mV/A
Sensitivity Drift Over Lifetime [3] ΔSensLIFE TOP = –40°C to 150°C, shift after AEC-Q100 grade 0
qualification testing –0.36 ±0.12 0.36 mV/A
Noise [4] VNOISE TA= 25°C, 10 nF on VIOUT pin to GND 6 mV
Nonlinearity ELIN Measured using full-scale and half-scale IP –1 – 1 %
Electrical Offset Voltage [5][6]
VOE(TA) IP = 0 A, TA = 25°C –10 ±4 10 mV
VOE(TOP)HT IP = 0 A, TOP = 25°C to 150°C –10 ±6 10 mV
VOE(TOP)LT IP = 0 A, TOP = –40°C to 25°C –20 ±6 20 mV
Electrical Offset Voltage Drift
Over Lifetime [3] ∆VOE(LIFE) IP = 0 A, TOP = –40°C to 150°C, shift after AEC-Q100 grade 0
qualification testing –5 ±2 5 mV
Magnetic Offset Error IERROM IP = 0 A, TA = 25°C, after excursion of 100 A 170 400 mA
Total Output Error [7]
ETOT(TA) Measured using full-scale IP
, TA = 25°C –2.4 ±0.5 2.4 %
ETOT(HT) Measured using full-scale IP
, TOP = 25°C to 150°C –2.4 ±1.5 2.4 %
ETOT(LT) Measured using full-scale IP
, TOP = –40°C to 25°C –3.5 ±2 3.5 %
Total Output Error Drift Over
Lifetime [3] ΔETOT(LIFE) TOP = –40°C to 150°C, shift after AEC-Q100 grade 0
qualification testing –1.9 ±0.6 1.9 %
[1] See Characteristic Performance Data page for parameter distributions over temperature range.
[2] This parameter may drift a maximum of ΔSensLIFE over lifetime.
[3] Based on characterization data obtained during standardized stress test for Qualification of Integrated Circuits, including Package Hysteresis. Cannot be guaranteed.
Drift is a function of customer application conditions. Contact Allegro MicroSystems for further information.
[4] ±3 sigma noise voltage.
[5] Drift is referred to ideal VIOUT(QBI) = 2.5 V.
[6] This parameter may drift a maximum of ΔVOE(LIFE) over lifetime.
[7] This parameter may drift a maximum of ΔETOT(LIFE) over lifetime.
ALLEGRO' mxcrosystems
Thermally Enhanced, Fully Integrated, Hall-Effect-Based
High-Precision Linear Current Sensor IC with 100 µΩ Current Conductor
ACS770xCB
9
Allegro MicroSystems
955 Perimeter Road
Manchester, NH 03103-3353 U.S.A.
www.allegromicro.com
X100U PERFORMANCE CHARACTERISTICS [1]: TOP = –40°C to 150°C, CBYP = 0.1 μF, VCC
= 5 V, unless otherwise specified
Characteristic Symbol Test Conditions Min. Typ. Max. Unit
Primary Sampled Current IP0 100 A
Sensitivity [2]
SensTA Measured using full-scale IP
, TA = 25°C 39.04 40 40.96 mV/A
Sens(TOP)HT Measured using full-scale IP
, TOP = 25°C to 150°C 39.04 40 40.96 mV/A
Sens(TOP)LT Measured using full-scale IP
, TOP = –40°C to 25°C 38.6 40 41.4 mV/A
Sensitivity Drift Over Lifetime [3] ΔSensLIFE TOP = –40°C to 150°C, shift after AEC-Q100 grade 0
qualification testing –0.72 ±0.24 0.72 mV/A
Noise [4] VNOISE TA= 25°C, 10 nF on VIOUT pin to GND 12 mV
Nonlinearity ELIN Measured using full-scale and half-scale IP –1 – 1 %
Electrical Offset Voltage [5][6]
VOE(TA) IP = 0 A, TA = 25°C –10 ±4 10 mV
VOE(TOP)HT IP = 0 A, TOP = 25°C to 150°C –10 ±6 10 mV
VOE(TOP)LT IP = 0 A, TOP = –40°C to 25°C –20 ±6 20 mV
Electrical Offset Voltage Drift
Over Lifetime [3] ∆VOE(LIFE) IP = 0 A, TOP = –40°C to 150°C, shift after AEC-Q100 grade 0
qualification testing –5 ±2 5 mV
Magnetic Offset Error IERROM IP = 0 A, TA = 25°C, after excursion of 100 A 170 400 mA
Total Output Error [7]
ETOT(TA) Measured using full-scale IP
, TA = 25°C –2.4 ±0.5 2.4 %
ETOT(HT) Measured using full-scale IP
, TOP = 25°C to 150°C –2.4 ±1.5 2.4 %
ETOT(LT) Measured using full-scale IP
, TOP = –40°C to 25°C –3.5 ±2 3.5 %
Total Output Error Drift Over
Lifetime [3] ΔETOT(LIFE) TOP = –40°C to 150°C, shift after AEC-Q100 grade 0
qualification testing –1.9 ±0.6 1.9 %
[1] See Characteristic Performance Data page for parameter distributions over temperature range.
[2] This parameter may drift a maximum of ΔSensLIFE over lifetime.
[3] Based on characterization data obtained during standardized stress test for Qualification of Integrated Circuits, including Package Hysteresis. Cannot be guaranteed.
Drift is a function of customer application conditions. Contact Allegro MicroSystems for further information.
[4] ±3 sigma noise voltage.
[5] Drift is referred to ideal VIOUT(QBI) = 0.5 V.
[6] This parameter may drift a maximum of ΔVOE(LIFE) over lifetime.
[7] This parameter may drift a maximum of ΔETOT(LIFE) over lifetime.
ALLEGRO' mxcrosystems
Thermally Enhanced, Fully Integrated, Hall-Effect-Based
High-Precision Linear Current Sensor IC with 100 µΩ Current Conductor
ACS770xCB
10
Allegro MicroSystems
955 Perimeter Road
Manchester, NH 03103-3353 U.S.A.
www.allegromicro.com
X150B PERFORMANCE CHARACTERISTICS [1]: TOP = –40°C to 125°C, CBYP = 0.1 μF, VCC
= 5 V, unless otherwise specified
Characteristic Symbol Test Conditions Min. Typ. Max. Unit
Primary Sampled Current IP–150 – 150 A
Sensitivity [2]
SensTA Measured using full-scale IP
, TA = 25°C 13.01 13.33 13.65 mV/A
Sens(TOP)HT Measured using full-scale IP
, TOP = 25°C to 125°C 13.01 13.33 13.65 mV/A
Sens(TOP)LT Measured using full-scale IP
, TOP = –40°C to 25°C 12.86 13.33 13.8 mV/A
Sensitivity Drift Over Lifetime [3] ΔSensLIFE TOP = –40°C to 125°C, shift after AEC-Q100 grade 0
qualification testing –0.24 ±0.08 0.24 mV/A
Noise [4] VNOISE TA= 25°C, 10 nF on VIOUT pin to GND 4 mV
Nonlinearity ELIN Measured using full-scale and half-scale IP –1 – 1 %
Electrical Offset Voltage [5][6]
VOE(TA) IP = 0 A, TA = 25°C –10 ±4 10 mV
VOE(TOP)HT IP = 0 A, TOP = 25°C to 125°C –10 ±6 10 mV
VOE(TOP)LT IP = 0 A, TOP = –40°C to 25°C –20 ±6 20 mV
Electrical Offset Voltage Drift
Over Lifetime [3] ∆VOE(LIFE) IP = 0 A, TOP = –40°C to 125°C, shift after AEC-Q100 grade 0
qualification testing –5 ±2 5 mV
Magnetic Offset Error IERROM IP = 0 A, TA = 25°C, after excursion of 150 A 225 400 mA
Total Output Error [7]
ETOT(TA) Measured using full-scale IP
, TA = 25°C –2.4 ±0.5 2.4 %
ETOT(HT) Measured using full-scale IP
, TOP = 25°C to 125°C –2.4 ±1.5 2.4 %
ETOT(LT) Measured using full-scale IP
, TOP = –40°C to 25°C –3.5 ±2 3.5 %
Total Output Error Drift Over
Lifetime [3] ΔETOT(LIFE) TOP = –40°C to 125°C, shift after AEC-Q100 grade 0
qualification testing –1.9 ±0.6 1.9 %
Symmetry ESYM Over half-scale of IP99 100 101 %
[1] See Characteristic Performance Data page for parameter distributions over temperature range.
[2] This parameter may drift a maximum of ΔSensLIFE over lifetime.
[3] Based on characterization data obtained during standardized stress test for Qualification of Integrated Circuits, including Package Hysteresis. Cannot be guaranteed.
Drift is a function of customer application conditions. Contact Allegro MicroSystems for further information.
[4] ±3 sigma noise voltage.
[5] Drift is referred to ideal VIOUT(QBI) = 2.5 V.
[6] This parameter may drift a maximum of ΔVOE(LIFE) over lifetime.
[7] This parameter may drift a maximum of ΔETOT(LIFE) over lifetime.
ALLEGRO' mxcrosystems
Thermally Enhanced, Fully Integrated, Hall-Effect-Based
High-Precision Linear Current Sensor IC with 100 µΩ Current Conductor
ACS770xCB
11
Allegro MicroSystems
955 Perimeter Road
Manchester, NH 03103-3353 U.S.A.
www.allegromicro.com
X150U PERFORMANCE CHARACTERISTICS [1]: TOP = –40°C to 125°C, CBYP = 0.1 μF, VCC
= 5 V, unless otherwise specified
Characteristic Symbol Test Conditions Min. Typ. Max. Unit
Primary Sampled Current IP0 150 A
Sensitivity [2]
SensTA Measured using full-scale IP
, TA = 25°C 26.02 26.66 27.30 mV/A
Sens(TOP)HT Measured using full-scale IP
, TOP = 25°C to 125°C 26.02 26.66 27.30 mV/A
Sens(TOP)LT Measured using full-scale IP
, TOP = –40°C to 25°C 25.73 26.66 27.59 mV/A
Sensitivity Drift Over Lifetime [3] ΔSensLIFE TOP = –40°C to 125°C, shift after AEC-Q100 grade 0
qualification testing –0.48 ±0.16 0.48 mV/A
Noise [4] VNOISE TA= 25°C, 10 nF on VIOUT pin to GND 6 mV
Nonlinearity ELIN Measured using full-scale and half-scale IP –1 – 1 %
Electrical Offset Voltage [5][6]
VOE(TA) IP = 0 A, TA = 25°C –10 ±4 10 mV
VOE(TOP)HT IP = 0 A, TOP = 25°C to 125°C –10 ±6 10 mV
VOE(TOP)LT IP = 0 A, TOP = –40°C to 25°C –20 ±6 20 mV
Electrical Offset Voltage Drift
Over Lifetime [3] ∆VOE(LIFE) IP = 0 A, TOP = –40°C to 125°C, shift after AEC-Q100 grade 0
qualification testing –5 ±2 5 mV
Magnetic Offset Error IERROM IP = 0 A, TA = 25°C, after excursion of 150 A 225 400 mA
Total Output Error [7]
ETOT(TA) Measured using full-scale IP
, TA = 25°C –2.4 ±0.5 2.4 %
ETOT(HT) Measured using full-scale IP
, TOP = 25°C to 125°C –2.4 ±1.5 2.4 %
ETOT(LT) Measured using full-scale IP
, TOP = –40°C to 25°C –3.5 ±2 3.5 %
Total Output Error Drift Over
Lifetime [3] ΔETOT(LIFE) TOP = –40°C to 125°C, shift after AEC-Q100 grade 0
qualification testing –1.9 ±0.6 1.9 %
[1] See Characteristic Performance Data page for parameter distributions over temperature range.
[2] This parameter may drift a maximum of ΔSensLIFE over lifetime.
[3] Based on characterization data obtained during standardized stress test for Qualification of Integrated Circuits, including Package Hysteresis. Cannot be guaranteed.
Drift is a function of customer application conditions. Contact Allegro MicroSystems for further information.
[4] ±3 sigma noise voltage.
[5] Drift is referred to ideal VIOUT(QBI) = 0.5 V.
[6] This parameter may drift a maximum of ΔVOE(LIFE) over lifetime.
[7] This parameter may drift a maximum of ΔETOT(LIFE) over lifetime.
ALLEGRO' mxcrosystems
Thermally Enhanced, Fully Integrated, Hall-Effect-Based
High-Precision Linear Current Sensor IC with 100 µΩ Current Conductor
ACS770xCB
12
Allegro MicroSystems
955 Perimeter Road
Manchester, NH 03103-3353 U.S.A.
www.allegromicro.com
X200B PERFORMANCE CHARACTERISTICS [1]: TOP = –40°C to 85°C, CBYP = 0.1 μF, VCC
= 5 V, unless otherwise specified
Characteristic Symbol Test Conditions Min. Typ. Max. Unit
Primary Sampled Current IP–200 – 200 A
Sensitivity [2]
SensTA Measured using full-scale IP
, TA = 25°C 9.76 10 10.24 mV/A
Sens(TOP)HT Measured using full-scale IP
, TOP = 25°C to 85°C 9.76 10 10.24 mV/A
Sens(TOP)LT Measured using full-scale IP
, TOP = –40°C to 25°C 9.65 10 10.35 mV/A
Sensitivity Drift Over Lifetime [3] ΔSensLIFE TOP = –40°C to 85°C, shift after AEC-Q100 grade 0
qualification testing –0.18 ±0.06 0.18 mV/A
Noise [4] VNOISE TA= 25°C, 10 nF on VIOUT pin to GND 3 mV
Nonlinearity ELIN Measured using full-scale and half-scale IP –1 – 1 %
Electrical Offset Voltage [5][6]
VOE(TA) IP = 0 A, TA = 25°C –10 ±4 10 mV
VOE(TOP)HT IP = 0 A, TOP = 25°C to 85°C –10 ±6 10 mV
VOE(TOP)LT IP = 0 A, TOP = –40°C to 25°C –20 ±6 20 mV
Electrical Offset Voltage Drift
Over Lifetime [3] ∆VOE(LIFE) IP = 0 A, TOP = –40°C to 85°C, shift after AEC-Q100 grade 0
qualification testing –5 ±2 5 mV
Magnetic Offset Error IERROM IP = 0 A, TA = 25°C, after excursion of 200 A 250 575 mA
Total Output Error [7]
ETOT(TA) Measured using full-scale IP
, TA = 25°C –2.4 ±0.5 2.4 %
ETOT(HT) Measured using full-scale IP
, TOP = 25°C to 85°C –2.4 ±1.5 2.4 %
ETOT(LT) Measured using full-scale IP
, TOP = –40°C to 25°C –3.5 ±2 3.5 %
Total Output Error Drift Over
Lifetime [3] ΔETOT(LIFE) TOP = –40°C to 85°C, shift after AEC-Q100 grade 0
qualification testing –1.9 ±0.6 1.9 %
[1] See Characteristic Performance Data page for parameter distributions over temperature range.
[2] This parameter may drift a maximum of ΔSensLIFE over lifetime.
[3] Based on characterization data obtained during standardized stress test for Qualification of Integrated Circuits, including Package Hysteresis. Cannot be guaranteed. Drift
is a function of customer application conditions. Contact Allegro MicroSystems for further information.
[4] ±3 sigma noise voltage.
[5] Drift is referred to ideal VIOUT(QBI) = 2.5 V.
[6] This parameter may drift a maximum of ΔVOE(LIFE) over lifetime.
[7] This parameter may drift a maximum of ΔETOT(LIFE) over lifetime.
ALLEGRO' mxcrosystems
Thermally Enhanced, Fully Integrated, Hall-Effect-Based
High-Precision Linear Current Sensor IC with 100 µΩ Current Conductor
ACS770xCB
13
Allegro MicroSystems
955 Perimeter Road
Manchester, NH 03103-3353 U.S.A.
www.allegromicro.com
X200U PERFORMANCE CHARACTERISTICS [1]: TOP = –40°C to 85°C, CBYP = 0.1 μF, VCC
= 5 V, unless otherwise specified
Characteristic Symbol Test Conditions Min. Typ. Max. Unit
Primary Sampled Current IP0 200 A
Sensitivity [2]
SensTA Measured using full-scale IP
, TA = 25°C 19.52 20 20.48 mV/A
Sens(TOP)HT Measured using full-scale IP
, TOP = 25°C to 85°C 19.52 20 20.48 mV/A
Sens(TOP)LT Measured using full-scale IP
, TOP = –40°C to 25°C 19.3 20 20.7 mV/A
Sensitivity Drift Over Lifetime [3] ΔSensLIFE TOP = –40°C to 85°C, shift after AEC-Q100 grade 0
qualification testing –0.36 ±0.12 0.36 mV/A
Noise [4] VNOISE TA= 25°C, 10 nF on VIOUT pin to GND 6 mV
Nonlinearity ELIN Measured using full-scale and half-scale IP –1 – 1 %
Electrical Offset Voltage [5][6]
VOE(TA) IP = 0 A, TA = 25°C –10 ±4 10 mV
VOE(TOP)HT IP = 0 A, TOP = 25°C to 85°C –10 ±6 10 mV
VOE(TOP)LT IP = 0 A, TOP = –40°C to 25°C –20 ±6 20 mV
Electrical Offset Voltage Drift
Over Lifetime [3] ∆VOE(LIFE) IP = 0 A, TOP = –40°C to 85°C, shift after AEC-Q100 grade 0
qualification testing –5 ±2 5 mV
Magnetic Offset Error IERROM IP = 0 A, TA = 25°C, after excursion of 200 A 250 575 mA
Total Output Error [7]
ETOT(TA) Measured using full-scale IP
, TA = 25°C –2.4 ±0.5 2.4 %
ETOT(HT) Measured using full-scale IP
, TOP = 25°C to 85°C –2.4 ±1.5 2.4 %
ETOT(LT) Measured using full-scale IP
, TOP = –40°C to 25°C –3.5 ±2 3.5 %
Total Output Error Drift Over
Lifetime [3] ΔETOT(LIFE) TOP = –40°C to 85°C, shift after AEC-Q100 grade 0
qualification testing –1.9 ±0.6 1.9 %
[1] See Characteristic Performance Data page for parameter distributions over temperature range.
[2] This parameter may drift a maximum of ΔSensLIFE over lifetime.
[3] Based on characterization data obtained during standardized stress test for Qualification of Integrated Circuits, including Package Hysteresis. Cannot be guaranteed.
Drift is a function of customer application conditions. Contact Allegro MicroSystems for further information.
[4] ±3 sigma noise voltage.
[5] Drift is referred to ideal VIOUT(QBI) = 0.5 V.
[6] This parameter may drift a maximum of ΔVOE(LIFE) over lifetime.
[7] This parameter may drift a maximum of ΔETOT(LIFE) over lifetime.
ALLEGRO' mxcrosystems
Thermally Enhanced, Fully Integrated, Hall-Effect-Based
High-Precision Linear Current Sensor IC with 100 µΩ Current Conductor
ACS770xCB
14
Allegro MicroSystems
955 Perimeter Road
Manchester, NH 03103-3353 U.S.A.
www.allegromicro.com
CHARACTERISTIC PERFORMANCE DATA
Data Taken using the ACS770LCB-050B
Accuracy Data
Mean
Mean + 3 sigma Mean – 3 sigma
6
4
2
0
-2
-4
-6
-8
–50 100 125 150500-25 25 75 –50 100 125 150500-25 25 75
–50 100 125 150500-25 25 75 –50 100 125 150500-25 25 75
–50 100 125 150500-25 25 75
0
-0.1
-0.2
-0.3
-0.4
-0.5
-0.6
-0.7
-0.8
-0.9
41.0
40.8
40.6
40.4
40.2
40.0
39.8
39.6
39.4
2.5
2.0
1.5
1.0
0.5
0
-0.5
-1.0
-1.5
VOE (mV)
ELIN (%)
Sens (mV/A)
ETOT (%)
T
A
(°C)T
A
(°C)
T
A
(°C)
T
A
(°C)
250
200
150
100
50
0
IERROM (mA)
T
A
(°C)
Electrical Offset Voltage versus Ambient Temperature
Nonlinearity versus Ambient Temperature
Sensitivity versus Ambient Temperature
Total Output Error versus Ambient Temperature
Magnetic Offset Error versus Ambient Temperature
ALLEGRO' mxcrosystems
Thermally Enhanced, Fully Integrated, Hall-Effect-Based
High-Precision Linear Current Sensor IC with 100 µΩ Current Conductor
ACS770xCB
15
Allegro MicroSystems
955 Perimeter Road
Manchester, NH 03103-3353 U.S.A.
www.allegromicro.com
Mean
Mean + 3 sigma Mean – 3 sigma
8
6
4
2
0
-2
-4
-6
-8
–50 100 125 150500-25 25 75 –50 100 125 150500-25 25 75
–50 100 125 150500-25 25 75 –50 100 125 150500-25 25 75
–50 100 125 150500-25 25 75
0
-0.1
-0.2
-0.3
-0.4
-0.5
-0.6
-0.7
20.4
20.3
20.2
20.1
20.0
19.9
19.8
19.7
19.6
VOE (mV)
ELIN (%)
Sens (mV/A)
ETOT (%)
T
A
(°C)T
A
(°C)
T
A
(°C)
T
A
(°C)
400
350
300
250
200
150
100
50
0
2.5
2.0
1.5
1.0
0.5
0
-0.5
-1.0
-1.5
-2.0
IERROM (mA)
T
A
(°C)
Electrical Offset Voltage versus Ambient Temperature
Nonlinearity versus Ambient Temperature
Sensitivity versus Ambient Temperature
Total Output Error versus Ambient Temperature
Magnetic Offset Error versus Ambient Temperature
Data Taken using the ACS770LCB-100B
Accuracy Data
ALLEGRO' mxcrosystems
Thermally Enhanced, Fully Integrated, Hall-Effect-Based
High-Precision Linear Current Sensor IC with 100 µΩ Current Conductor
ACS770xCB
16
Allegro MicroSystems
955 Perimeter Road
Manchester, NH 03103-3353 U.S.A.
www.allegromicro.com
Mean
Mean + 3 sigma Mean – 3 sigma
8
6
4
2
0
-2
-4
-6
–50 100 125 150500-25 25 75 –50 100 125 150500-25 25 75
–50 100 125 150500-25 25 75 –50 100 125 150500-25 25 75
–50 100 125 150500-25 25 75
0
-0.1
-0.2
-0.3
-0.4
-0.5
-0.6
-0.7
-0.8
13.60
13.55
13.50
13.45
13.40
13.35
13.30
13.25
13.20
13.15
13.10
VOE (mV)
ELIN (%)
Sens (mV/A)
ETOT (%)
T
A
(°C)T
A
(°C)
T
A
(°C)
T
A
(°C)
450
400
350
300
250
200
150
100
50
0
2.0
1.5
1.0
0.5
0
-0.5
-1.0
-1.5
-2.0
IERROM (mA)
T
A
(°C)
Electrical Offset Voltage versus Ambient Temperature
Nonlinearity versus Ambient Temperature
Sensitivity versus Ambient Temperature
Total Output Error versus Ambient Temperature
Magnetic Offset Error versus Ambient Temperature
Data Taken using the ACS770KCB-150B
Accuracy Data
ALLEGRO' mxcrosystems
Thermally Enhanced, Fully Integrated, Hall-Effect-Based
High-Precision Linear Current Sensor IC with 100 µΩ Current Conductor
ACS770xCB
17
Allegro MicroSystems
955 Perimeter Road
Manchester, NH 03103-3353 U.S.A.
www.allegromicro.com
Mean
Mean + 3 sigma Mean – 3 sigma
6
4
2
0
-2
-4
-6
–50 100 125 150500-25 25 75 –50 100 125 150500-25 25 75
–50 100 125 150500-25 25 75 –50 100 125 150500-25 25 75
–50 100 125 150500-25 25 75
0
-0.1
-0.2
-0.3
-0.4
-0.5
-0.6
10.15
10.10
10.05
10.00
9.95
9.90
9.85
9.80
VOE (mV)
ELIN (%)
Sens (mV/A)
ETOT (%)
T
A
(°C)T
A
(°C)
T
A
(°C)
T
A
(°C)
600
500
400
300
200
100
0
1.5
1.0
0.5
0
-0.5
-1.0
-1.5
-2.0
IERROM (mA)
T
A
(°C)
Electrical Offset Voltage versus Ambient Temperature
Nonlinearity versus Ambient Temperature
Sensitivity versus Ambient Temperature
Total Output Error versus Ambient Temperature
Magnetic Offset Error versus Ambient Temperature
Data Taken using the ACS770ECB-200B
Accuracy Data
45572» x; mm Mme munwz AX MEWBU: x; < bszaus="" mme="" 724mm="" allegro'="" mxcrosystems="">
Thermally Enhanced, Fully Integrated, Hall-Effect-Based
High-Precision Linear Current Sensor IC with 100 µΩ Current Conductor
ACS770xCB
18
Allegro MicroSystems
955 Perimeter Road
Manchester, NH 03103-3353 U.S.A.
www.allegromicro.com
Data Taken using the ACS770LCB-100B
Timing Data
Response Time
IP = 60 A , 10% to 90% rise time = 1 µs, CBYPASS = 0.1 µF, CL = 0.47 nF
Rise Time
IP = 60 A , 10% to 90% rise time = 1 µs, CBYPASS = 0.1 µF, CL = 0.47 nF
80% of input 80% of output
tRESPONSE = 4.56 µs
IP = 60 A
VIOUT
10% of output
90% of output
tr = 4.1 µs
IP = 60 A
VIOUT
mam x; BAD"; V/AX:J126M

< sum="" m="" mm="" x;="" mm="" max:="" mam:="" allegro'="" mxcrosystems="">

Thermally Enhanced, Fully Integrated, Hall-Effect-Based
High-Precision Linear Current Sensor IC with 100 µΩ Current Conductor
ACS770xCB
19
Allegro MicroSystems
955 Perimeter Road
Manchester, NH 03103-3353 U.S.A.
www.allegromicro.com
Propagation Time
IP = 60 A , 10% to 90% rise time = 1 µs, CBYPASS = 0.1 µF, CL = 0.47 nF
Power-On Delay
IP = 60 A DC, CBYPASS = Open, CL = 0.47 nF
20% of input 20% of output
tPROP = 2.4 µs
IP = 60 A
VIOUT
90% of output
tPOD = 88 µs
VCC
VCC (min)
VIOUT
Wuhan 3: s w u u m. Nuns my mm x; YEB1US1M1328AKH1 Wuhan 3: s w u u m. x 4m 139w: x; «mm MAX: mam ALLEGRO' mxcrosystems
Thermally Enhanced, Fully Integrated, Hall-Effect-Based
High-Precision Linear Current Sensor IC with 100 µΩ Current Conductor
ACS770xCB
20
Allegro MicroSystems
955 Perimeter Road
Manchester, NH 03103-3353 U.S.A.
www.allegromicro.com
UVLO Enable Time ( tUVLOE
)
IP = 0 A , CBYPASS = Open, CL = Open, VCC 5 V to 3 V fall time = 1 µs
UVLO Disable Time ( tUVLOD
)
IP = 0 A , CBYPASS = Open, CL = Open, VCC 3 V to 5 V recovery time = 1 µs
90% of output
tUVLOD = 13.9 µs
VCC
VCC (min)
VIOUT
tUVLOE = 75.3 µs
VUVLOL
VIOUT = 0 V
VCC
VIOUT
/ Vc c ,/ ALLEGRO' mxcrosystems
Thermally Enhanced, Fully Integrated, Hall-Effect-Based
High-Precision Linear Current Sensor IC with 100 µΩ Current Conductor
ACS770xCB
21
Allegro MicroSystems
955 Perimeter Road
Manchester, NH 03103-3353 U.S.A.
www.allegromicro.com
Definitions of Accuracy Characteristics
CHARACTERISTIC DEFINITIONS
SENSITIVITY (Sens)
The change in device output in response to a 1 A change through
the primary conductor. The sensitivity is the product of the mag-
netic circuit sensitivity (G / A) and the linear IC amplifier gain
(mV/G). The linear IC amplifier gain is programmed at the factory
to optimize the sensitivity (mV/A) for the half-scale current of the
device.
NOISE (VNOISE)
The noise floor is derived from the thermal and shot noise
observed in Hall elements. Dividing the noise (mV) by the sensi-
tivity (mV/A) provides the smallest current that the device is able
to resolve.
NONLINEARITY (ELIN)
The ACS770 is designed to provide a linear output in response
to a ramping current. Consider two current levels: I1 and I2. Ide-
ally, the sensitivity of a device is the same for both currents, for
a given supply voltage and temperature. Nonlinearity is present
when there is a difference between the sensitivities measured at
I1 and I2. Nonlinearity is calculated separately for the positive
(ELINpos ) and negative (ELINneg ) applied currents as follows:
ELINpos = 100 (%) × {1 – (SensIPOS2 / SensIPOS1
) }
ELINneg = 100 (%) × {1 – (SensINEG2 / SensINEG1
)}
where:
SensIx = (VIOUT(Ix) – VIOUT(Q))/ Ix
and IPOSx and INEGx are positive and negative currents.
Then:
ELIN = max( ELINpos , ELINneg )
RATIOMETRY
The device features a ratiometric output. This means that the
quiescent voltage output, VIOUTQ, and the magnetic sensitivity,
Sens, are proportional to the supply voltage, VCC.The ratiometric
change (%) in the quiescent voltage output is defined as:
V
CC
5 V
V
IOUTQ(VCC)
V
IOUTQ(5V)
V
IOUTQ(V)
=× 100 (%)
and the ratiometric change (%) in sensitivity is defined as:
V
CC
5 V
=× 100 (%)
Sens(V)
Sens(VCC)Sens(5V)
QUIESCENT OUTPUT VOLTAGE (VIOUT(Q))
The output of the device when the primary current is zero. For
bidirectional current flow, it nominally remains at VCC ⁄ 2. Thus,
VCC = 5 V translates into VIOUT(QBI) = 2.5 V. For unidirectional
devices, when VCC = 5 V, VIOUT(QUNI) = 0.5 V. Variation in
VIOUT(Q) can be attributed to the resolution of the Allegro linear
IC quiescent voltage trim, magnetic hysteresis, and thermal drift.
ELECTRICAL OFFSET VOLTAGE (VOE)
The deviation of the device output from its ideal quiescent value
of VCC ⁄ 2 for bidirectional sensor ICs and 0.5 V for unidirectional
sensor ICs, due to nonmagnetic causes.
MAGNETIC OFFSET ERROR (IERROM)
The magnetic offset is due to the residual magnetism (remnant
field) of the core material. The magnetic offset error is highest
when the magnetic circuit has been saturated, usually when the
device has been subjected to a full-scale or high-current overload
condition. The magnetic offset is largely dependent on the mate-
rial used as a flux concentrator.
TOTAL OUTPUT ERROR (ETOT)
The maximum deviation of the actual output from its ideal value,
also referred to as accuracy, illustrated graphically in the output
voltage versus current chart on the following page.
ETOT is divided into four areas:
0 A at 25°C. Accuracy at the zero current flow at 25°C,
without the effects of temperature.
0 A over Δ temperature. Accuracy at the zero current flow
including temperature effects.
Full-scale current at 25°C. Accuracy at the full-scale current at
25°C, without the effects of temperature.
Full-scale current over Δ temperature. Accuracy at the full-
scale current flow including temperature effects.
=× 100 (%)
ETOT(IP)
VIOUT(IP) VIOUT_IDEAL(IP)
SensIDEAL × IP
where
VIOUT_IDEAL(IP) = VIOUT(Q) + (SensIDEAL × IP )
Thermally Enhanced, Fully Integrated, Hall-Effect-Based
High-Precision Linear Current Sensor IC with 100 µΩ Current Conductor
ACS770xCB
22
Allegro MicroSystems
955 Perimeter Road
Manchester, NH 03103-3353 U.S.A.
www.allegromicro.com
Output Voltage versus Sampled Current
Total Output Error at 0 A and at Full-Scale Current
Increasing VIOUT
(V)
+IP (A)
Accuracy
Accuracy
Accuracy
25°C Only
Accuracy
25°C Only
Accuracy
25°C Only
Accuracy
0 A
v rO e Temp erature
Average
VIOUT
–IP (A)
v rO e Temp erature
v rO e Temp erature
Decreasing VIOUT
(V)
IP(min)
IP(max)
Half Scale
Definitions of Dynamic Response Characteristics
POWER-ON DELAY (tPOD)
When the supply is ramped to its operating voltage, the device
requires a finite time to power its internal components before
responding to an input magnetic field.
Power-On Delay, tPOD , is defined as the time it takes for the out-
put voltage to settle within ±10% of its steady-state value under
an applied magnetic field, after the power supply has reached its
minimum specified operating voltage, VCC(min), as shown in the
chart at right.
TEMPERATURE COMPENSATION POWER-ON TIME
(tTC )
After Power-On Delay, tPOD , elapses, tTC also is required before a
valid temperature compensated output.
RISE TIME (tr)
The time interval between a) when the device reaches 10% of
its full-scale value, and b) when it reaches 90% of its full-scale
value. Both tr and tRESPONSE are detrimentally affected by eddy
current losses observed in the conductive IC ground plane.
RESPONSE TIME (tRESPONSE)
The time interval between a) when the applied current reaches
80% of its final value, and b) when the sensor reaches 80% of its
output corresponding to the applied current.
PROPAGATION DELAY (tPROP)
The time interval between a) when the input current reaches 20%
of its final value, and b) when the output reaches 20% of its final
value.
POWER-ON RESET VOLTAGE (VPOR )
At power-up, to initialize to a known state and avoid current
spikes, the ACS770 is held in Reset state. The Reset signal is
disabled when VCC reaches VUVLOH and time tPORR has elapsed,
allowing output voltage to go from a high-impedance state
into normal operation. During power-down, the Reset signal is
enabled when VCC reaches VPORL , causing output voltage to go
into a high-impedance state. (Note that a detailed description
of POR and UVLO operation can be found in the Functional
Description section.)
Applied Magnetic Field
Transducer Output
90
10
20
0
(%)
Propagation Delay, tPROP
Rise Time, tr
t
ALLEGRO' mxcrosystems
Thermally Enhanced, Fully Integrated, Hall-Effect-Based
High-Precision Linear Current Sensor IC with 100 µΩ Current Conductor
ACS770xCB
23
Allegro MicroSystems
955 Perimeter Road
Manchester, NH 03103-3353 U.S.A.
www.allegromicro.com
POWER-ON RESET RELEASE TIME (tPORR)
When VCC rises to VPORH , the Power-On Reset Counter starts.
The ACS770 output voltage will transition from a high-imped-
ance state to normal operation only when the Power-On Reset
Counter has reached tPORR and VCC has exceeded VUVLOH .
UNDERVOLTAGE LOCKOUT THRESHOLD (VUVLO )
If VCC drops below VUVLOL , output voltage will be locked to
GND. If VCC starts rising, the ACS770 will come out of the
locked state when VCC reaches VUVLOH .
SYMMETRY (ESYM)
The degree to which the absolute voltage output from the IC
varies in proportion to either a positive or negative half-scale pri-
mary current. The following equation is used to derive symmetry:
100
V–V
IOUT_+half-scale amperes IOUT(Q)
VIOUT(Q) IOUT_–half-scale amperes
–V
()
UVLO ENABLE/DISABLE RELEASE TIME (tUVLO )
When a falling VCC reaches VUVLOL , time tUVLOE is required
to engage Undervoltage Lockout state. When VCC rises above
VUVLOH , time tUVLOD is required to disable UVLO and have a
valid output voltage.
ALLEGRO' mxcrosystems
Thermally Enhanced, Fully Integrated, Hall-Effect-Based
High-Precision Linear Current Sensor IC with 100 µΩ Current Conductor
ACS770xCB
24
Allegro MicroSystems
955 Perimeter Road
Manchester, NH 03103-3353 U.S.A.
www.allegromicro.com
FUNCTIONAL DESCRIPTION
The descriptions in this section assume:
Temperature = 25°C,
VCC = 5 V,
no output load, and
no significant current flow through the sensor IC.
Voltage levels shown are specific to a bidirectional ACS770;
however, the POR and UVLO functionality described also applies
to unidirectional sensors.
The reference numbers section refer to figures 1 and 2.
Power-Up
At power-up, as VCC ramps up, the output is in a high-impedance
state. When VCC crosses VPORH (location [1] in figure 1 and [ 1′ ]
in figure 2), the POR Release counter starts counting for tPORR
.
At this point, if VCC exceeds VUVLOH [ 2′ ], the output will go to
VCC / 2 after tUVLOD [ 3′ ] . If VCC does not exceed VUVLOH [2],
the output will stay in the high-impedance state until VCC reaches
VUVLOH [3] and then will go to VCC / 2 after tUVLOD [ 4 ].
VCC drops below VCC(min) = 4.5 V
If VCC drops below VUVLOL [ 4′, 5 ] , the UVLO Enable Counter
starts counting. If VCC is still below VUVLOL when the counter
reaches tUVLOE
, the UVLO function will be enabled and the
ouput will be pulled near GND [ 6 ] . If VCC exceeds VUVLOL
before the UVLO Enable Counter reaches tUVLOE [ 5′ ] , the output
will continue to be VCC / 2.
Coming Out of UVLO
While UVLO is enabled [ 6 ] , if VCC exceeds VUVLOH [ 7 ] ,
UVLO will be disabled after tUVLOD , and the output will be
VCC / 2 [ 8 ] .
Power-Down
As VCC ramps down below VUVLOL [ 6′, 9 ] , the UVLO Enable
Counter will start counting. If VCC is higher than VPORL when
the counter reaches tUVLOE , the UVLO function will be enabled
and the output will be pulled near GND [ 10 ] . The output will
enter a high-impedance state as VCC goes below VPORL [ 11 ] . If
VCC falls below VPORL before the UVLO Enable Counter reaches
tUVLOE , the output will transition directly into a high-impedance
state [ 7′ ].
Power-On Reset (POR) and Undervoltage
Lock-Out (UVLO) Operation
EEPROM Error Checking And Correction
Hamming code methodology is implemented for EEPROM
checking and correction. The device has ECC enabled after
power-up. If an uncorrectable error has occurred, the VOUT pin
will go to high impedance and the device will not respond to
applied magnetic field.
mwcrosystems ALLEGRO'
Thermally Enhanced, Fully Integrated, Hall-Effect-Based
High-Precision Linear Current Sensor IC with 100 µΩ Current Conductor
ACS770xCB
25
Allegro MicroSystems
955 Perimeter Road
Manchester, NH 03103-3353 U.S.A.
www.allegromicro.com
tUVLOE
tPORR
tPORR
tUVLOD
tUVLOD
tUVLOD
t
UVLOE
1
1 2 4’ 5 6’ 7’
3
2
5.0
VUVLOH
VUVLOH
VPORH
VPORL
VPORH
VPORL
VUVLOL
VUVLOL
2.5
High Impedance High Impedance
High Impedance High Impedance
Slope =
VCC /
2
Slope =
VCC /
2
GND Time
Time
Time
Time
GND
VCC
VCC
VOUT
5.0
2.5
GND
GND
VOUT
356711
8
10
9
4
Slope =
VCC /
2
<
tUVLOE
<
tUVLOE
Figure 1: POR and UVLO Operation: Slow Rise Time Case
Figure 2: POR and UVLO Operation: Fast Rise Time Case
Thermally Enhanced, Fully Integrated, Hall-Effect-Based
High-Precision Linear Current Sensor IC with 100 µΩ Current Conductor
ACS770xCB
26
Allegro MicroSystems
955 Perimeter Road
Manchester, NH 03103-3353 U.S.A.
www.allegromicro.com
Chopper Stabilization Technique
Amp
Regulator
Clock/Logic
Hall Element
Tuned
Filter
Anti-Aliasing
LP Filter
Figure 3: Concept of Chopper Stabilization Technique
When using Hall-effect technology, a limiting factor for
switchpoint accuracy is the small signal voltage developed across
the Hall element. This voltage is disproportionally small relative
to the offset that can be produced at the output of the Hall sensor
IC. This makes it difficult to process the signal while maintaining
an accurate, reliable output over the specified operating tempera-
ture and voltage ranges.
Chopper stabilization is a unique approach used to minimize
Hall offset on the chip. Allegro employs a technique to remove
key sources of the output drift induced by thermal and mechani-
cal stresses. This offset reduction technique is based on a signal
modulation-demodulation process. The undesired offset signal is
separated from the magnetic field-induced signal in the frequency
domain, through modulation. The subsequent demodulation acts
as a modulation process for the offset, causing the magnetic field-
induced signal to recover its original spectrum at baseband, while
the DC offset becomes a high-frequency signal. The magnetic-
sourced signal then can pass through a low-pass filter, while the
modulated DC offset is suppressed.
In addition to the removal of the thermal and stress related offset,
this novel technique also reduces the amount of thermal noise
in the Hall sensor IC while completely removing the modulated
residue resulting from the chopper operation. The chopper sta-
bilization technique uses a high-frequency sampling clock. For
demodulation process, a sample-and-hold technique is used. This
high-frequency operation allows a greater sampling rate, which
results in higher accuracy and faster signal-processing capability.
This approach desensitizes the chip to the effects of thermal and
mechanical stresses, and produces devices that have extremely
stable quiescent Hall output voltages and precise recoverabil-
ity after temperature cycling. This technique is made possible
through the use of a BiCMOS process, which allows the use of
low-offset, low-noise amplifiers in combination with high-density
logic integration and sample-and-hold circuits.
For Reference Only — Not for Tooling Use ++ +1 + j @4444 4% 13> I 4 = o .1“; “i A L A PCB La oul Reference Vwew >|>l> O /’l ‘ I] I] I] A Slandard Brandm Reference Vwew ALLEGRO' mwcrosystems
Thermally Enhanced, Fully Integrated, Hall-Effect-Based
High-Precision Linear Current Sensor IC with 100 µΩ Current Conductor
ACS770xCB
27
Allegro MicroSystems
955 Perimeter Road
Manchester, NH 03103-3353 U.S.A.
www.allegromicro.com
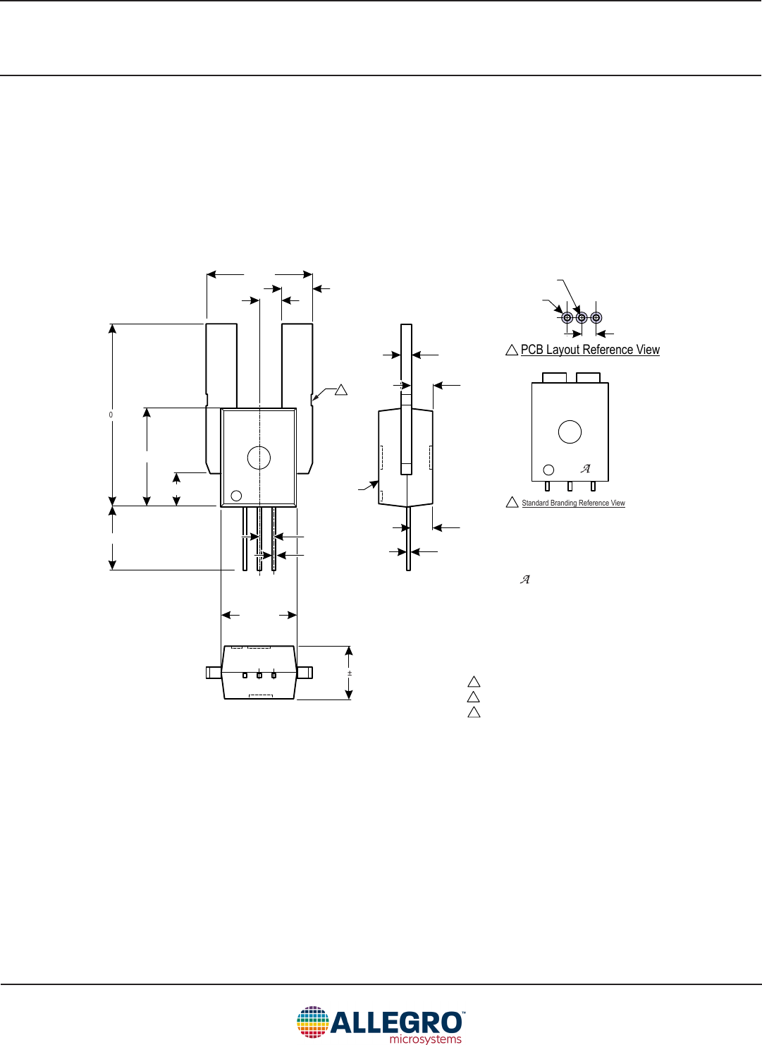
Figure 4: Package CB, 5-Pin, Leadform PFF
Creepage distance, current terminals to signal pins: 7.25 mm
Clearance distance, current terminals to signal pins: 7.25 mm
Package mass: 4.63 g typical
(Reference DWG-9111 & DWG-9110)
Dimensions in millimeters –NOT TO SCALE
Dimensions exclusive of mold flash, gate burs, and dambar protrusions
Exact case and lead configuration at supplier discretion within limits shown
4
R 1.0
1.91
3
21.4
0.5
R 3.0
Ø0.8
Ø1.5
Ø0.5
R 2.05
±2°
±5°
23
17.5 ±0.2
2.9 ±0.2
3.5 ±0.2
3.5 ±0.2
1.50 ±0.10
1
45
A
B
Branded
Face
0.381 +0.060
–0.030
1
A
B
B
C
C
NNNNNNN
TTT-AAA
LLLLLLL
YYWW
Dambar removal intrusion
Perimeter through-holes recommended
PCB Layout Reference View
= Device part number
=Temperature code
=Amperage range
= Lot number
= Last two digits of year of
manufacture
= Week of manufacture
= Supplier emblem
N
T
A
L
Y
W
Standard Branding Reference View
Branding scale and appearance at supplier discretion
14.0 ±0.2
4.0 ±0.2
3.0 ±0.2
10.00 ±0.10
0.51 ±0.10
7.00 ±0.10
1.9 ±0.2
13.00 ±0.10
4.40 ±0.10
PACKAGE OUTLINE DRAWINGS
For Reference Only - Not for Tooling Use A PCB La out Reference Vxew l—Il—I O O 2 ‘ I] I] I] A Standard Brandm Reference View N : Dewce Dannumher 2350 I>I>> ALLEGRO' mwcrosystems
Thermally Enhanced, Fully Integrated, Hall-Effect-Based
High-Precision Linear Current Sensor IC with 100 µΩ Current Conductor
ACS770xCB
28
Allegro MicroSystems
955 Perimeter Road
Manchester, NH 03103-3353 U.S.A.
www.allegromicro.com
For Reference Only Not for Tooling Use
(Reference DWG-9111, DWG-9110)
Dimensions in millimeters – NOT TO SCALE
Dimensions exclusive of mold flash, gate burs, and dambar protrusions
Exact case and lead configuration at supplier discretion within limits shown
45
A2.75 ±0.10
1.50 ±0.10
14.0 ±0.2
4.0 ±0.2
3.0 ±0.2
10.00 ±0.10
7.00 ±0.10
13.00 ±0.10
4.40 ±0.10
23.50 ±0.5
1
Branded
Face
A
C
NNNNNNN
TTT-AAA
LLLLLLL
YYWW
Dambar removal intrusion
= Device part number
=Temperature code
=Amperage range
= Lot number
= Last two digits of year of
manufacture
= Week of manufacture
= Supplier emblem
N
T
A
L
Y
W
Standard Branding Reference View
231
0.51 ±0.10
1.9 ±0.2
±5°
2.9 ±0.2
3.5 ±0.2
0.381 +0.060
–0.030
1.91
0.8
1.5
BPCB Layout Reference View
B
C
Perimeter through-holes recommended
Branding scale and appearance at supplier discretion
Figure 5: Package CB, 5-Pin, Leadform PSF
Creepage distance, current terminals to signal pins: 7.25 mm
Clearance distance, current terminals to signal pins: 7.25 mm
Package mass: 4.63 g typical
++ ++ {‘7 APCB La outReierence Vwew 4‘, |—‘ l—I c fiL C O 1 I] I] I] v 0 Ammmm nmwm 6 >>> ALLEGRO' mwcrosystems
Thermally Enhanced, Fully Integrated, Hall-Effect-Based
High-Precision Linear Current Sensor IC with 100 µΩ Current Conductor
ACS770xCB
29
Allegro MicroSystems
955 Perimeter Road
Manchester, NH 03103-3353 U.S.A.
www.allegromicro.com
Figure 6: Package CB, 5-Pin, Leadform PSS
For Reference Only–Not for Tooling Use
(Reference DWG-9111, DWG-9110)
Dimensions in millimeters – NOT TO SCALE
Dimensions exclusive of mold flash, gate burs, and dambar protrusions
Exact case and lead configuration at supplier discretion within limits shown
2 31
45
A2.75 ±0.10
3.18 ±0.10
1.50 ±0.10
14.0 ±0.2
4.0 ±0.2
3.0 ±0.2
10.00 ±0.10
0.51 ±0.10
7.00 ±0.10
1.9 ±0.2
13.00 ±0.10
4.40 ±0.10
11.0 ±0.05
23.50 ±0.5
0.381+0.060
–0.030
1
Branded
Face
A
C
NNNNNNN
TTT-AAA
LLLLLLL
YYWW
Dambar removal intrusion
= Device part number
= Temperature code
= Amperage range
= Lot number
= Last two digits of year of
manufacture
= Week of manufacture
= Supplier emblem
N
T
A
L
Y
W
Standard Branding Reference View
1.91
0.8
1.5
BPCB Layout Reference View
B
C
Perimeter through-holes recommended
Branding scale and appearance at supplier discretion
Creepage distance, current terminals to signal pins: 7.25 mm
Clearance distance, current terminals to signal pins: 7.25 mm
Package mass: 4.63 g typical
ALLEGRO' mxcrosystems
Thermally Enhanced, Fully Integrated, Hall-Effect-Based
High-Precision Linear Current Sensor IC with 100 µΩ Current Conductor
ACS770xCB
30
Allegro MicroSystems
955 Perimeter Road
Manchester, NH 03103-3353 U.S.A.
www.allegromicro.com
For the latest version of this document, visit our website:
www.allegromicro.com
Revision History
Number Date Description
1 December 8, 2014 Revised Selection Guide
2 January 20, 2015 Revised VPORH Typical Value
3 March 11, 2015 Revised VRCC, VRIOUT, IOUT(Source), IERROM (100 A and 150 A) values, and added Symmetry to
X150B PERFORMANCE CHARACTERISTICS table
4 April 8, 2015 Updated TUV certification
5 November 2, 2016 Updated PCB Layout Reference View in Package Outline Drawing on page 27
6 June 5, 2017 Updated status of ACS770LCB-100U-PSF-T part variant to Last-Time Buy
7 November 16, 2017 Added PSS leadform
8 January 30, 2018 Added Dielectric Surge Strength Test Voltage characteristic (page 3) and EEPROM Error Checking
and Correction section (page 24)
9 April 18, 2018 Corrected TUV certification
10 November 6, 2018 Added UL certificate number and minor editorial updates
11 May 28, 2019 Updated TUV certificate mark
Copyright 2019, Allegro MicroSystems.
Allegro MicroSystems reserves the right to make, from time to time, such departures from the detail specifications as may be required to permit
improvements in the performance, reliability, or manufacturability of its products. Before placing an order, the user is cautioned to verify that the
information being relied upon is current.
Allegro’s products are not to be used in any devices or systems, including but not limited to life support devices or systems, in which a failure of
Allegro’s product can reasonably be expected to cause bodily harm.
The information included herein is believed to be accurate and reliable. However, Allegro MicroSystems assumes no responsibility for its use; nor
for any infringement of patents or other rights of third parties which may result from its use.
Copies of this document are considered uncontrolled documents.