NCS2200,02(A) Datasheet by onsemi

ON Semiconductor”
© Semiconductor Components Industries, LLC, 2015
March, 2018 − Rev. 20 1Publication Order Number:
NCS2200/D
NCS2200, NCS2200A,
NCS2202, NCS2202A
Comparators, 0.85 V to 6 V,
10 mA, 1 ms, Rail-to-Rail,
Open Drain and Push-Pull
Outputs
The NCS2200 series is an industry first sub−one volt, low power
comparator family. These devices consume only 10 mA of supply
current. They are guaranteed to operate at a low voltage of 0.85 V
which allows them to be used in systems that require less than 1.0 V
and are fully operational up to 6.0 V which makes them convenient for
use in both 3.0 V and 5.0 V systems. Additional features include no
output phase inversion with overdriven inputs, internal hysteresis,
which allows for clean output switching, and rail−to−rail input and
output performance. The NCS2200 Series is available in
complementary push−pull and open drain outputs and a variety of
packages. There are two industry standard pinouts for SOT−23−5 and
SC70−5 packages. The NCS2200 is also available in the tiny DFN
2x2.2 package. The NCS2200A and NCS2202A are available in a
UDFN 1.2x1.0 package. See package option information in Table 1 on
page 2 for more information.
Features
Operating Voltage of 0.85 V to 6.0 V
Rail−to−Rail Input/Output Performance
Low Supply Current of 10 mA
No Phase Inversion with Overdriven Input Signals
Glitchless Transitioning in or out of Tri−State Mode
Complementary or Open Drain Output Configuration
Internal Hysteresis
Propagation Delay of 1.0 ms for NCS2200
NCV Prefix for Automotive and Other Applications Requiring
Unique Site and Control Change Requirements; AEC−Q100
Qualified and PPAP Capable
These Devices are Pb−Free and are RoHS Compliant
Typical Applications
Single Cell NiCd/NiMH Battery Powered Applications
Automotive
End Products
Cellphones, Smart Phones
Alarm and Security Systems
Personal Digital Assistants
DFN 2x2.2
SQL SUFFIX
CASE 488
SOT−23−5 (TSOP−5)
SN SUFFIX
CASE 483
See detailed ordering and shipping information in the package
dimensions section on page 13 of this data sheet.
ORDERING INFORMATION
See general marking information in the device marking
section on page 14 of this data sheet.
DEVICE MARKING INFORMATION
www.onsemi.com
SC70−5
SQ SUFFIX
CASE 419A
5
1
1
6
5
1
UDFN 1.2x1.0
MU SUFFIX
CASE 517AA
1
I: I: I: E F1 LJ E] E] ‘U [I E] www.0nsemi.com flflfl HF U U F1 LJ E] E] E] ‘U E]
NCS2200, NCS2200A, NCS2202, NCS2202A
www.onsemi.com
2
Table 1. COMPARATOR SELECTOR GUIDE
Output Type Package Pinout Style Automotive Device
Complementary Push−Pull
UDFN, 1.2x1.0 N/A No NCS2200AMUT1G
N/A Yes NCV2200AMUTBG*
SOT−23−5
1No NCS2200SN1T1G
Yes NCV2200SN1T1G*
2No NCS2200SN2T1G
Yes NCV2200SN2T1G*
SC70−5 2No NCS2200SQ2T2G
Yes NCV2200SQ2T2G*
DFN, 2x2.2 N/A No NCS2200SQLT1G
Open Drain
SOT−23−5
1 No NCS2202SN1T1G
2No NCS2202SN2T1G
Yes NCV2202SN2T1G*
SC70−5 1 No NCS2202SQ1T2G
2 No NCS2202SQ2T2G
UDFN, 1.2 x 1.0 N/A No NCS2202AMUTBG
*NCV Prefix for Automotive and Other Applications Requiring Unique Site and Control Change Requirements; AEC−Q100 Qualified and PPAP
Capable.
1
3
VOUT
IN−
2
VCC
VEE
4IN+
5
6
NC
PIN CONNECTIONS
1
Output
VCC
Non−Inverting
Input
2
3
5
4
VEE
Inverting
Input
1
Output
VEE
Non−Inverting
Input
2
3
5
4
VCC
Inverting
Input
Figure 1. SOT−23−5 (NCS2200, NCS2202), SC70−5 (NCS2200, NCS2202)
Style 1 Pinout (SN1T1) Style 2 Pinout (SN2T1, SQ2T2)
-
+-
+
Figure 2. DFN 2x2.2 (NCS2200)
Top View
1
3
VOUT
IN−
2
NC
VEE
4IN+
5
6
VCC
Figure 3. UDFN 1.2x1.0
(NCS2200A/NCS2202A)
Top View
NCS2200, NCS2200A, NCS2202, NCS2202A
www.onsemi.com
3
MAXIMUM RATINGS
Rating Symbol Value Unit
Supply Voltage Range (VCC to VEE) VS6.0 V
Non−inverting/Inverting Input to VEE VCM −0.2 to (VCC + 0.2) V
Operating Junction Temperature TJ150 °C
Operating Ambient Temperature Range
NCS2200, NCS2202, NCS2200A, NCS2202A
NCV2200, NCV2202, NCV2200A
TA−40 to +105
−40 to +125
°C
Storage Temperature Range Tstg −65 to +150 °C
Output Short Circuit Duration Time (Note 1) tSIndefinite s
ESD Tolerance (Note 2)
NCS2200
Human Body Model
Machine Model
NCS2202
Human Body Model
Machine Model
NCS2200A
Human Body Model
Machine Model
NCS2202A
Human Body Model − all pins except output
Human Body Model − output pin
Machine Model
ESD
HBM
MM
HBM
MM
HBM
MM
HBM
HBM
MM
2000
200
2000
200
1900
200
1500
500
150
V
Thermal Resistance, Junction−to−Ambient
TSOP−5
DFN (Note 3)
SC70−5
UDFN
RqJA 238
215
283
350
°C/W
Stresses exceeding those listed in the Maximum Ratings table may damage the device. If any of these limits are exceeded, device functionality
should not be assumed, damage may occur and reliability may be affected.
1. The maximum package power dissipation limit must not be exceeded.
PD+TJ(max) *TA
RqJA
2. ESD data available upon request.
3. For more information, refer to application note, AND8080/D.
NCS2200, NCS2200A, NCS2202, NCS2202A
www.onsemi.com
4
NCS2200 ELECTRICAL CHARACTERISTICS (For all values VCC = 0.85 V to 6.0 V, VEE = 0 V, TA = 25°C, unless otherwise
noted.) (Note 4)
Symbol Parameter Conditions Min Typ Max Unit
VHYS Input Hysteresis TA = 25°C 2.0 8.0 20 mV
VIO Input Offset Voltage VCC = 0.85 V
TA = 25°C
TA = TLow to THigh (Note 5) −10
−12 0.5
+10
+12
mV
VCC = 3.0 V
TA = 25°C
TA = TLow to THigh
−6.0
−8.0 0.5
+6.0
+8.0
VCC = 6.0 V
TA = 25°C
TA = TLow to THigh
−5.0
−7.0 0.5
+5.0
+7.0
VCM Common Mode Voltage Range − VEE to VCC − V
ILEAK Output Leakage Current VCC = 6.0 V 3.3 − nA
ISC Output Short−Circuit Sourcing or
Sinking Vout = GND 70 − mA
CMRR Common Mode Rejection Ratio VCM = VCC 53 65 − dB
IIB Input Bias Current 1.0 − pA
PSRR Power Supply Rejection Ratio DVS = 2.575 V 45 55 − dB
ICC Supply Current VCC = 0.85 V
TA = 25°C
TA = TLow to THigh (Note 5) − 10
15
17
mA
VCC = 3.0 V
TA = 25°C
TA = TLow to THigh
− 10
15
17
VCC = 6.0 V
TA = 25°C
TA = TLow to THigh
− 10
15
17
VOH Output Voltage High VCC = 0.85 V, Isource = 0.5 mA
TA = 25°C
TA = TLow to THigh (Note 5) VCC − 0.2
VCC − 0.225 VCC − 0.10
V
VCC = 3.0 V, Isource = 3.0 mA
TA = 25°C
TA = TLow to THigh
VCC − 0.2
VCC − 0.25 VCC − 0.12
VCC = 6.0 V, Isource = 5.0 mA
TA = 25°C
TA = TLow to THigh
VCC − 0.2
VCC − 0.25 VCC − 0.12
VOL Output Voltage Low VCC = 0.85 V, Isink = 0.5 mA
TA = 25°C
TA = TLow to THigh (Note 5) − VEE + 0.10
VEE + 0.2
VEE + 0.225
V
VCC = 3.0 V, Isink = 3.0 mA
TA = 25°C
TA = TLow to THigh
− VEE + 0.12
VEE + 0.2
VEE + 0.25
VCC = 6.0 V, Isink = 5.0 mA
TA = 25°C
TA = TLow to THigh
− VEE + 0.12
VEE + 0.2
VEE + 0.25
tPHL Propagation Delay, High−to−Low 20 mV Overdrive, CL = 15 pF 1080 − ns
tPLH Propagation Delay, Low−to−High 20 mV Overdrive, CL = 15 pF 900 − ns
tFALL Output Fall Time VCC = 6.0 V, CL = 50 pF 13 − ns
tRISE Output Rise Time VCC = 6.0 V, CL = 50 pF 8.0 − ns
tPU Powerup Time 35 ms
Product parametric performance is indicated in the Electrical Characteristics for the listed test conditions, unless otherwise noted. Product
performance may not be indicated by the Electrical Characteristics if operated under different conditions.
4. The limits over the extended temperature range are guaranteed by design only.
5. NCS2200: TLow = −40°C, THigh = +105°C; NCV2200: TLow = −40°C, THigh = +125°C
NCS2200, NCS2200A, NCS2202, NCS2202A
www.onsemi.com
5
NCS2202 ELECTRICAL CHARACTERISTICS (For all values VCC = 0.85 V to 6.0 V, VEE = 0 V, TA = 25°C, Rpullup = 10 kW, unless
otherwise noted.) (Note 6)
Symbol Parameter Conditions Min Typ Max Unit
VHYS Input Hysteresis TA = 25°C 2.0 8.0 20 mV
VIO Input Offset Voltage VCC = 0.85 V
TA = 25°C
TA = TLow to THigh (Note 7) −10
−12 0.5
+10
+12
mV
VCC = 3.0 V
TA = 25°C
TA = TLow to THigh
−6.0
−8.0 0.5
+6.0
+8.0
VCC = 6.0 V
TA = 25°C
TA = TLow to THigh
−5.0
−7.0 0.5
+5.0
+7.0
VCM Common Mode Voltage Range − VEE to VCC − V
ILEAK Output Leakage Current VCC = 6.0 V 3.3 − nA
ISC Output Short−Circuit Sourcing or
Sinking Vout = GND 70 − mA
CMRR Common Mode Rejection Ratio VCM = VCC 53 65 − dB
IIB Input Bias Current 1.0 − pA
PSRR Power Supply Rejection Ratio DVS = 2.575 V 45 55 − dB
ICC Supply Current VCC = 0.85 V
TA = 25°C
TA = TLow to THigh (Note 7) − 10
15
17
mA
VCC = 3.0 V
TA = 25°C
TA = TLow to THigh
− 10
15
17
VCC = 6.0 V
TA = 25°C
TA = TLow to THigh
− 10
15
17
VOL Output Voltage Low VCC = 0.85 V, Isink = 0.5 mA
TA = 25°C
TA = TLow to THigh (Note 7) − VEE + 0.10
VEE + 0.2
VEE + 0.225
V
VCC = 3.0 V, Isink = 3.0 mA
TA = 25°C
TA = TLow to THigh
− VEE + 0.12
VEE + 0.2
VEE + 0.25
VCC = 6.0 V, Isink = 5.0 mA
TA = 25°C
TA = TLow to THigh
− VEE + 0.12
VEE + 0.2
VEE + 0.25
tPHL Propagation Delay, High−to−Low 20 mV Overdrive, CL = 15 pF 1000 − ns
tPLH Propagation Delay, Low−to−High 20 mV Overdrive, CL = 15 pF 800 − ns
tFALL Output Fall Time VCC = 6.0 V, CL = 50 pF 6.0 − ns
tRISE Output Rise Time VCC = 6.0 V, CL = 50 pF 260 − ns
tPU Powerup Time 35 ms
Product parametric performance is indicated in the Electrical Characteristics for the listed test conditions, unless otherwise noted. Product
performance may not be indicated by the Electrical Characteristics if operated under different conditions.
6. The limits over the extended temperature range are guaranteed by design only.
7. NCS2202: TLow = −40°C, THigh = +105°C; NCV2202: TLow = −40°C, THigh = +125°C
: 25) u www onsem com
NCS2200, NCS2200A, NCS2202, NCS2202A
www.onsemi.com
6
NCS2200A ELECTRICAL CHARACTERISTICS (For all values VCC = 0.85 V to 6.0 V, VEE = 0 V, TA = 25°C, unless otherwise
noted.) (Note 8)
Symbol Parameter Conditions Min Typ Max Unit
VHYS Input Hysteresis TA = 25°C 2.0 4.5 20 mV
VIO Input Offset Voltage VCC = 0.85 V
TA = 25°C
TA = TLOW to THIGH
−10
−12 0.5
+10
+12
mV
VCC = 3.0 V
TA = 25°C
TA = TLOW to THIGH
−6.0
−8.0 0.5
+6.0
+8.0
VCC = 6.0 V
TA = 25°C
TA = TLOW to THIGH
−5.0
−7.0 0.5
+5.0
+7.0
VCM Common Mode Voltage Range − VEE to VCC − V
ISC Output Short−Circuit Sourcing or
Sinking Vout = GND 60 − mA
CMRR Common Mode Rejection Ratio VCM = VCC 53 70 − dB
IIB Input Bias Current 1.0 − pA
PSRR Power Supply Rejection Ratio DVS = 2.575 V 45 80 − dB
ICC Supply Current VCC = 0.85 V
TA = 25°C
TA = TLOW to THIGH
− 7.5
15
17
mA
VCC = 3.0 V
TA = 25°C
TA = TLOW to THIGH
− 8.0
15
17
VCC = 6.0 V
TA = 25°C
TA = TLOW to THIGH
− 9.0
15
17
VOH Output Voltage High VCC = 0.85 V, Isource = 0.5 mA
TA = 25°C
TA = TLOW to THIGH
VCC − 0.25
VCC − 0.275 VCC − 0.10
V
VCC = 3.0 V, Isource = 3.0 mA
TA = 25°C
TA = TLOW to THIGH
VCC − 0.3
VCC − 0.35 VCC − 0.12
VCC = 6.0 V, Isource = 5.0 mA
TA = 25°C
TA = TLOW to THIGH
VCC − 0.3
VCC − 0.35 VCC − 0.12
VOL Output Voltage Low VCC = 0.85 V, Isink = 0.5 mA
TA = 25°C
TA = TLOW to THIGH
− VEE + 0.10
VEE + 0.25
VEE + 0.275
V
VCC = 3.0 V, Isink = 3.0 mA
TA = 25°C
TA = TLOW to THIGH
− VEE + 0.12
VEE + 0.3
VEE + 0.35
VCC = 6.0 V, Isink = 5.0 mA
TA = 25°C
TA = TLOW to THIGH
− VEE + 0.12
VEE + 0.3
VEE + 0.35
tPHL Propagation Delay, High−to−Low 20 mV Overdrive, CL = 15 pF,
VCC = 2.85 V 625 − ns
tPLH Propagation Delay, Low−to−High 750 − ns
tFALL Output Fall Time VCC = 6.0 V, CL = 50 pF (Note 9) 22 − ns
tRISE Output Rise Time VCC = 6.0 V, CL = 50 pF (Note 9) 20 − ns
Product parametric performance is indicated in the Electrical Characteristics for the listed test conditions, unless otherwise noted. Product
performance may not be indicated by the Electrical Characteristics if operated under different conditions.
8. The limits over the extended temperature range are guaranteed by design only.
9. Input signal: 1 kHz, squarewave signal with 10 ns edge rate.
10.NCS2200A: TLOW = −40°C, THIGH = +105°C; NCV2200A: TLOW = −40°C, THIGH = +125°C.
: 25) u www onsem com
NCS2200, NCS2200A, NCS2202, NCS2202A
www.onsemi.com
7
NCS2202A ELECTRICAL CHARACTERISTICS (For all values VCC = 0.85 V to 6.0 V, VEE = 0 V, TA = 25°C, Rpullup = 10 kW,
unless otherwise noted.) (Note 11)
Symbol Parameter Conditions Min Typ Max Unit
VHYS Input Hysteresis TA = 25°C 2.0 4.5 20 mV
VIO Input Offset Voltage VCC = 0.85 V
TA = 25°C
TA = −40°C to 105°C−10
−12 0.3
+10
+12
mV
VCC = 3.0 V
TA = 25°C
TA = −40°C to 105°C−6.0
−8.0 0.4
+6.0
+8.0
VCC = 6.0 V
TA = 25°C
TA = −40°C to 105°C−5.0
−7.0 0.4
+5.0
+7.0
VCM Common Mode Voltage Range − VEE to VCC − V
ISC Output Short−Circuit Sourcing or
Sinking Vout = GND 60 − mA
CMRR Common Mode Rejection Ratio VCM = VCC 53 80 − dB
IIB Input Bias Current 1.0 − pA
PSRR Power Supply Rejection Ratio DVS = 2.575 V 45 80 − dB
ICC Supply Current VCC = 0.85 V
TA = 25°C
TA = −40°C to 105°C− 7.5
15
17
mA
VCC = 3.0 V
TA = 25°C
TA = −40°C to 105°C− 8.0
15
17
VCC = 6.0 V
TA = 25°C
TA = −40°C to 105°C− 9.0
15
17
VOL Output Voltage Low VCC = 0.85 V, Isink = 0.5 mA
TA = 25°C
TA = −40°C to 105°C− VEE + 0.14
VEE + 0.25
VEE + 0.275
V
VCC = 3.0 V, Isink = 3.0 mA
TA = 25°C
TA = −40°C to 105°C− VEE + 0.18
VEE + 0.3
VEE + 0.35
VCC = 6.0 V, Isink = 5.0 mA
TA = 25°C
TA = −40°C to 105°C− VEE + 0.20
VEE + 0.3
VEE + 0.35
tPHL Propagation Delay − High to Low 20 mV Overdrive, CL = 15 pF,
VCC = 2.85 V 580 ns
50 mV Overdrive, CL = 15 pF,
VCC = 2.85 V − 350 −
100 mV Overdrive, CL = 15 pF,
VCC = 2.85 V − 220 −
tPLH Propagation Delay − Low to High 20 mV Overdrive, CL = 15 pF,
VCC = 2.85 V 550 ns
50 mV Overdrive, CL = 15 pF,
VCC = 2.85 V − 400 −
100 mV Overdrive, CL = 15 pF,
VCC = 2.85 V − 340 −
tFALL Output Fall Time VCC = 6.0 V, CL = 50 pF (Note
12) 5.0 − ns
tRISE Output Rise Time VCC = 6.0 V, CL = 50 pF (Note
12) 235 − ns
Product parametric performance is indicated in the Electrical Characteristics for the listed test conditions, unless otherwise noted. Product
performance may not be indicated by the Electrical Characteristics if operated under different conditions.
11. The limits over the extended temperature range are guaranteed by design only.
12.Input signal: 1 kHz, squarewave signal with 10 ns edge rate.
NCS2200, NCS2200A, NCS2202, NCS2202A
www.onsemi.com
8
1000
100
10
1.0
0.1
40
60
20
0
80
100
120
140
160
10
100
1.0
1000
−50
10
50
7.0
25−25
ICC, SUPPLY CURRENT (mA)
6.0
FREQUENCY (kHz)
Figure 1. NCS2200 Series Supply Current
versus Temperature Figure 2. NCS2200 Series Supply Current
versus Output Transition Frequency
ICC, SUPPLY CURRENT (mA)
0
12
10
8.0
6.0
3.02.0
4.0
2.0
01.0 4.0 5.0 6.0
Figure 3. NCS2200 Series Supply Current
versus Supply Voltage
VCC, SUPPLY VOLTAGE (V)
Figure 4. NCS2200 Output Voltage
High State versus Output Source Current
Isource, OUTPUT SOURCE CURRENT (mA)
VCC − VOH, OUTPUT VOLTAGE
HIGH STATE (mV)
I
CC
, SUPPLY CURRENT (
m
A)
Figure 5. NCS2200 Series Output Voltage
Low State versus Output Sink Current
Isink, OUTPUT SINK CURRENT, (mA)
Figure 6. NCS2200 Series Output Voltage
Low State versus Temperature
TA, AMBIENT TEMPERATURE (°C)
V
OL
, OUTPUT VOLTAGE LOW STATE (mV)
VOL, OUTPUT VOLTAGE LOW STATE (mV)
12
0.01 0.1 1.0 10
0.01 10 30
0
−100 500 100−50 15
0
TA, AMBIENT TEMPERATURE (°C)
8.0
9.0
11
75 100
1000
100
10
1.0
0.1
0.01 0.1 1.0 1
0
TA = 25°C
TA = −40°C
TA = 85°C
1000.1 1.0
TA = 25°C
VCC = 5.0 V
VCC = 2.7 V
0
VCC = 5.0 V
VCC = 5.0 V
TA = 25°C
VCC = 5.0 V
TA = 25°C
VCC = 5.0 V
ILOAD = 4.0 mA
‘PLH www.0nsemi.com
NCS2200, NCS2200A, NCS2202, NCS2202A
www.onsemi.com
9
500
300
600
200
400
0
700
0.5
−100
4.93
50
4.90
0−50
VOH, OUTPUT VOLTAGE HIGH STATE (mV
)
4.88
VCC, SUPPLY VOLTAGE (V)
Figure 7. NCS2200 Series Output Voltage
High State versus Temperature
OUTPUT RESPONSE TIME (ns)
1.2
1.0
0.8
0.6
0.4
0.2
0
INPUT OVERDRIVE (mV)
PROPAGATION DELAY (ms)
4.95
0 3.0 6.0
0 15010050 200
0.3
0.6
0.2
0.4
0
0.7
0.8 VCC = 5.0 V
TA = 25°C
tPLH
TA, AMBIENT TEMPERATURE (°C)
4.89
4.91
4.92
4.94
100 150
100
tPHL
0.1
0 15010050 20
0
VCC = 2.7 V
TA = 25°C
tPLH
tPHL
INPUT OVERDRIVE (mV)
PROPAGATION DELAY (ms)
TA = 25°C
Input Overdrive = 100 mV
tLH
tHL
1.0 2.0 4.0 5.0
VCC
Output
10 ms/Div
Input Overdrive = 50 mV
Figure 8. NCS2200 Series Propagation Delay
versus Temperature
Figure 9. NCS2200 Series Output Response
Time versus Supply Voltage Figure 10. NCS2200 Series Propagation Delay
versus Input Overdrive
Figure 11. NCS2200 Series Propagation Delay
versus Input Overdrive
Figure 12. NCS2200 Series Powerup Delay
−50 50
0.2
0−25
PROPAGATION DELAY (ms)
0
1.0
TA, AMBIENT TEMPERATURE (°C)
0.4
0.6
0.8
75 10
0
25
tPHL
tPLH
VCC = 5.0 V
ILOAD = 4.0 mA
VCC = 5.0 V
Input Overdrive = 50 mV
2 V/Div
NCS2200, NCS2200A, NCS2202, NCS2202A
www.onsemi.com
10
1.0
1.0
4.0
−1.0
3.02.0
VCM, INPUT COMMON MODE VOLTAGE RANGE (V)
−3.0
Figure 13. NCS2200 Series Input Common
Mode Voltage Range versus Supply Voltage
3.0
VS, SUPPLY VOLTAGE (V)
−2.0
0
2.0
5.0 6.0
TA = 25°C
Figure 14. NCS2202 Output Leakage Current
versus Output Voltage
1.0 4.02.0
ILEAK, OUTPUT LEAKAGE CURRENT (nA)
0
180
VOUT, OUTPUT VOLTAGE (V)
40
5.0 8
.0
3.0
TA = 25°C
6.0 7.00
20
60
100
80
120
160
140
TA = −40°C
TA = 85°C
INPUT BIAS CURRENT (pA)
Figure 15. Input Bias Current versus
Temperature
TEMPERATURE (°C)
4500
3500
2500
1500
500
−500
−40 −20 0 20 40 60 80 100 120
: IN N Figure 18. Schmin Trigger Osci www.cnsemi.com 11
NCS2200, NCS2200A, NCS2202, NCS2202A
www.onsemi.com
11
OPERATING DESCRIPTION
The NCS2200 series is an industry first sub−one volt, low
power comparator family. This series is designed for
rail−to−rail input and output performance. These devices
consume only 10 mA of supply current while achieving a
typical propagation delay of 1.1 ms at a 20 mV input
overdrive. Figures 10 and 11 show propagation delay with
various input overdrives. This comparator family is
guaranteed to operate at a low voltage of 0.85 V up to 6.0 V.
This is accomplished by the use of a modified analog CMOS
process that implements depletion MOSFET devices. The
common−mode input voltage range extends 0.1 V beyond
the upper and lower rail without phase inversion or other
adverse effects. This series is available in the SOT−23−5
package. Additionally, the NCS2200 device is available in
the tiny DFN 2x2.2 package and the SC70−5 package.
NCS2200A is available in UDFN package.
Output Stage
The NCS2200 has a complementary P and N Channel
output stage that has capability of driving a rail−to−rail
output swing with a load ranging up to 5.0 mA. It is designed
such that shoot−through current is minimized while
switching. This feature eliminates the need for bypass
capacitors under most circumstances.
The NCS2202 has an open drain N−channel output stage
that can be pulled up to 6.0 V (max) with an external resistor.
This facilitates mixed voltage system applications.
Figure 16. NCS2200/NCS2200A
Complementary Push−Pull Output
Configuration
Figure 17. NCS2202/NCS2202A Open Drain
Output Configuration
VCC
VEE
Output
IN (+)
IN (−)
VCC
VEE
Output
IN (+)
IN (−)
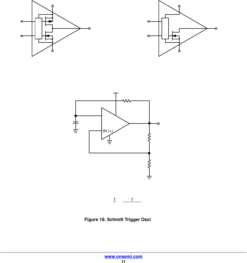
Figure 18. Schmitt Trigger Oscillator
VCC
OUT
IN (+)
IN (−)
Rx
CxNCS
2200 VO
R2
R1
f+1
T+1
2.2 RxCx
The oscillation frequency can be programmed as follows:
The r set in width Fi mo ks: +3 v Legit: ompm Figure 20. Logic Level Translator V22 : 'N‘acs H H 2200 w (a 100 mV Figure 21. Zero—Crossing Deleclor www.0nsemi.com 12
NCS2200, NCS2200A, NCS2202, NCS2202A
www.onsemi.com
12
VCC
OUT
IN (+)
IN (−)
VO
IN (+)
IN (−)
NCS
2200
R1
1 MW
1 MW
R2
100 pF
t0
R3
C1
VCC
t0t10
The resistor divider R1 and R2 can be used to
set the magnitude of the input pulse. The pulse
width is set by adjusting C1 and R3.
Figure 19. One−Shot Multivibrator
VCC
OUT
IN (+)
IN (−)
NCS
2200
OUT
IN (+)
IN (−)
NCS
2202
+5 V
100 kW+3 V Logic Output
Figure 20. Logic Level Translator
100 mV
Figure 21. Zero−Crossing Detector
100 kW
+3 V
R pullup
+5 V Logic Input
This circuit converts 5 V logic to 3 V logic. Using the
NCS2202/A allows for full 5 V logic swing without creating
overvoltage on the 3 V logic input.
NCS2200, NCS2200A, NCS2202, NCS2202A
www.onsemi.com
13
ORDERING INFORMATION
Device Pinout Style Output Type Package Shipping
NCS2200AMUT1G N/A Complementary Push−Pull UDFN
(Pb−Free) 3000 / Tape & Reel
NCV2200AMUTBG* N/A Complementary Push−Pull UDFN
(Pb−Free) 3000 / Tape & Reel
NCS2200SN1T1G 1 Complementary Push−Pull SOT−23−5 (TSOP−5)
(Pb−Free) 3000 / Tape & Reel
NCV2200SN1T1G* 1 Complementary Push−Pull SOT−23−5 (TSOP−5)
(Pb−Free) 3000 / Tape & Reel
NCS2200SN2T1G 2 Complementary Push−Pull SOT−23−5 (TSOP−5)
(Pb−Free) 3000 / Tape & Reel
NCV2200SN2T1G* 2 Complementary Push−Pull SOT−23−5 (TSOP−5)
(Pb−Free) 3000 / Tape & Reel
NCS2200SQ2T2G 2 Complementary Push−Pull SC70−5
(Pb−Free) 3000 / Tape & Reel
NCV2200SQ2T2G* 2 Complementary Push−Pull SC70−5
(Pb−Free) 3000 / Tape & Reel
NCS2200SQLT1G N/A Complementary Push−Pull DFN, 2x2.2
(Pb−Free) 3000 / Tape & Reel
NCS2202SN1T1G 1 Open Drain SOT−23−5 (TSOP−5)
(Pb−Free) 3000 / Tape & Reel
NCS2202SN2T1G 2 Open Drain SOT−23−5 (TSOP−5)
(Pb−Free) 3000 / Tape & Reel
NCV2202SN2T1G* 2 Open Drain SOT−23−5 (TSOP−5)
(Pb−Free) 3000 / Tape & Reel
NCS2202SQ1T2G 1 Open Drain SC70−5
(Pb−Free) 3000 / Tape & Reel
NCS2202SQ2T2G 2 Open Drain SC70−5
(Pb−Free) 3000 / Tape & Reel
NCS2202AMUTBG N/A Open Drain UDFN
(Pb−Free) 3000 / Tape & Reel
This device contains 93 active transistors.
For information on tape and reel specifications, including part orientation and tape sizes, please refer to our Tape and Reel Packaging
Specifications Brochure, BRD8011/D.
*NCV Prefix for Automotive and Other Applications Requiring Unique Site and Control Change Requirements; AEC−Q100 Qualified and
PPAP Capable.
www.0nsemi.com I:0 ULI
NCS2200, NCS2200A, NCS2202, NCS2202A
www.onsemi.com
14
x = I for NCS2200SN1T1
J for NCS2200SN2T1
M for NCS2202SN1T1
N for NCS2202SN2T1
A = Assembly Location
Y = Year
W = Work Week
G= Pb−Free Package
MARKING DIAGRAMS
SOT−23−5
(TSOP−5)
SN SUFFIX
CASE 483
CB = Specific Device Code
M = Date Code*
G= Pb−Free Package
DFN6 2x2.2
SQL SUFFIX
CASE 488
CBx MG
G
SC70−5
SQ SUFFIX
CASE 419A
CBx = Specific Device Code
x = A for NCS2200SQ2T2
D for NCS2202SQ1T2G
E for NCS2202SQ2T2G
M = Date Code*
G= Pb−Free Package
1
5
(Note: Microdot may be in either location)
1
5
CAx AYWG
G
(Note: Microdot may be in either location)
(Note: Microdot may be in either location)
x S for Specific Device Code
V for NCS2202A (V with 180° Rotation)
M = Date Code
G= Pb−Free Package
x M
G
(Top View)
UDFN6 1.2x1.0
MU SUFFIX
CASE 517AA
CB MG
G
*Date Code overbar and underbar may vary
depending upon manufacturing location.
*Date Code orientation, position, and underbar
may vary depending upon manufacturing loc-
ation.
1
1
0N Semiwndudw" m (Ma mg mg; mm anaa mm ma 2 Emma 2 am 3 anaa 3 was 4 mama a co 5 mama 5 c ON Samaangaamn ang J are Mademavks ac Samanggaxan Campunenls lndusmes Lu: dha ON Samaanggaxan ar us aaaaganaa m the Umled Slates andJm mhev commas ON Samaanggaxan vesewes ma ngm lo make changes wunnul mnhev nauaa In any gamma nanan ON Semanduc‘m makes ng wavvamy represenlalmn m guarantee regardmg ma sumahmy a« W; manuals «an any pamcu‘av purpase nnv dues ON Semumnduclm assume any Mammy ansmg mg: the apphcahan m use go any pmdudm mum and agaanaauy dwsc‘axms any and au Mammy mc‘udmg wmnam hmma‘mn spema‘ cansequenha‘ m \nmdenla‘ damages ON Semxmnduclar dues nn| cam/2y any hcense under Ms pa|em thls nar xna ngma av n|hers
NOTES:
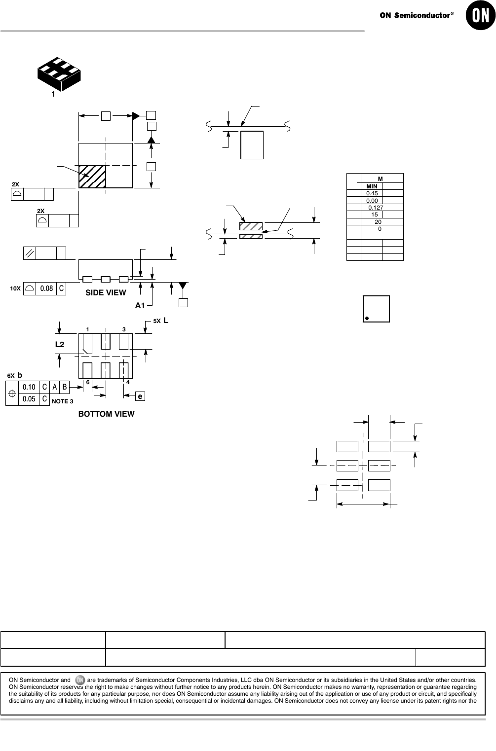
1. DIMENSIONING AND TOLERANCING
PER ANSI Y14.5M, 1982.
2. CONTROLLING DIMENSION: INCH.
3. 419A01 OBSOLETE. NEW STANDARD
419A02.
4. DIMENSIONS A AND B DO NOT INCLUDE
MOLD FLASH, PROTRUSIONS, OR GATE
BURRS.
DIM
A
MIN MAX MIN MAX
MILLIMETERS
1.80 2.200.071 0.087
INCHES
B1.15 1.350.045 0.053
C0.80 1.100.031 0.043
D0.10 0.300.004 0.012
G0.65 BSC0.026 BSC
H--- 0.10---0.004
J0.10 0.250.004 0.010
K0.10 0.300.004 0.012
N0.20 REF0.008 REF
S2.00 2.200.079 0.087
STYLE 1:
PIN 1. BASE
2. EMITTER
3. BASE
4. COLLECTOR
5. COLLECTOR
STYLE 2:
PIN 1. ANODE
2. EMITTER
3. BASE
4. COLLECTOR
5. CATHODE
B0.2 (0.008) MM
12 3
45
A
G
S
D 5 PL
H
C
N
J
K
B
STYLE 3:
PIN 1. ANODE 1
2. N/C
3. ANODE 2
4. CATHODE 2
5. CATHODE 1
STYLE 4:
PIN 1. SOURCE 1
2. DRAIN 1/2
3. SOURCE 1
4. GATE 1
5. GATE 2
STYLE 5:
PIN 1. CATHODE
2. COMMON ANODE
3. CATHODE 2
4. CATHODE 3
5. CATHODE 4
STYLE 7:
PIN 1. BASE
2. EMITTER
3. BASE
4. COLLECTOR
5. COLLECTOR
STYLE 6:
PIN 1. EMITTER 2
2. BASE 2
3. EMITTER 1
4. COLLECTOR
5. COLLECTOR 2/BASE 1
XXXMG
G
XXX = Specific Device Code
M = Date Code
G= PbFree Package
GENERIC MARKING
DIAGRAM*
STYLE 8:
PIN 1. CATHODE
2. COLLECTOR
3. N/C
4. BASE
5. EMITTER
STYLE 9:
PIN 1. ANODE
2. CATHODE
3. ANODE
4. ANODE
5. ANODE
Note: Please refer to datasheet for
style callout. If style type is not called
out in the datasheet refer to the device
datasheet pinout or pin assignment.
SC88A (SC705/SOT353)
CASE 419A02
ISSUE L
DATE 17 JAN 2013
SCALE 2:1
(Note: Microdot may be in either location)
ǒmm
inchesǓ
SCALE 20:1
0.65
0.025
0.65
0.025
0.50
0.0197
0.40
0.0157
1.9
0.0748
SOLDER FOOTPRINT
*This information is generic. Please refer to
device data sheet for actual part marking.
PbFree indicator, “G” or microdot “G”, may
or may not be present. Some products may
not follow the Generic Marking.
MECHANICAL CASE OUTLINE
PACKAGE DIMENSIONS
ON Semiconductor and are trademarks of Semiconductor Components Industries, LLC dba ON Semiconductor or its subsidiaries in the United States and/or other countries.
ON Semiconductor reserves the right to make changes without further notice to any products herein. ON Semiconductor makes no warranty, representation or guarantee regarding
the suitability of its products for any particular purpose, nor does ON Semiconductor assume any liability arising out of the application or use of any product or circuit, and specifically
disclaims any and all liability, including without limitation special, consequential or incidental damages. ON Semiconductor does not convey any license under its patent rights nor the
rights of others.
98ASB42984B
DOCUMENT NUMBER:
DESCRIPTION:
Electronic versions are uncontrolled except when accessed directly from the Document Repository.
Printed versions are uncontrolled except when stamped “CONTROLLED COPY” in red.
PAGE 1 OF 1
SC88A (SC705/SOT353)
© Semiconductor Components Industries, LLC, 2018 www.onsemi.com
0N Semiwndudw" EN; . m 55.1”” i mfiq SOLDERING FOOT 555‘fi H H H H 0.037 4. km (m ncnas “For addmonal mformamn on our Pb-Fr delafls p‘ease download the ON Sem Moummg Techmques Reference Man ON Semxcunduclm and ave Mademavks av Semxcanduclur Campunenls lnduslnes LLC dba ON Semxcanduclar ar \ls suaamanas m xna Umled sxaxas andJm mhev commas ON Semxcunduclar vesewes ma th| to make changes wuhum Yunhev name to any pruduns nanan ON Semanduc‘nv makes m7 wanamy represenlalmn m guarantee regardmg ma sumahmy at W; manuals can any pamcu‘av purpase nnv aaas ON Semumnduclm assume any Mammy ansmg mac xna apphcahan m use no any pmduclnv mum and saaamcauy dwsc‘axms any and au Mammy mc‘udmg wmnam hmma‘mn spema‘ cansequenha‘ m \nmdenla‘ damages ON Semxmnduclar dues nn| aanyay any hcense under Ms pa|em nghls nar xna
TSOP5
CASE 483
ISSUE N
DATE 12 AUG 2020
SCALE 2:1
1
5
XXX MG
G
GENERIC
MARKING DIAGRAM*
1
5
0.7
0.028
1.0
0.039
ǒmm
inchesǓ
SCALE 10:1
0.95
0.037
2.4
0.094
1.9
0.074
*For additional information on our PbFree strategy and soldering
details, please download the ON Semiconductor Soldering and
Mounting Techniques Reference Manual, SOLDERRM/D.
SOLDERING FOOTPRINT*
*This information is generic. Please refer to
device data sheet for actual part marking.
PbFree indicator, “G” or microdot “ G”,
may or may not be present.
XXX = Specific Device Code
A = Assembly Location
Y = Year
W = Work Week
G= PbFree Package
1
5
XXXAYWG
G
Discrete/Logic
Analog
(Note: Microdot may be in either location)
XXX = Specific Device Code
M = Date Code
G= PbFree Package
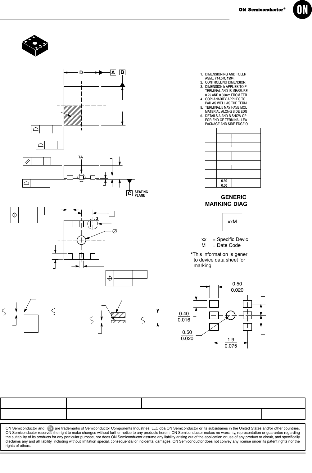
NOTES:
1. DIMENSIONING AND TOLERANCING PER ASME
Y14.5M, 1994.
2. CONTROLLING DIMENSION: MILLIMETERS.
3. MAXIMUM LEAD THICKNESS INCLUDES LEAD FINISH
THICKNESS. MINIMUM LEAD THICKNESS IS THE
MINIMUM THICKNESS OF BASE MATERIAL.
4. DIMENSIONS A AND B DO NOT INCLUDE MOLD
FLASH, PROTRUSIONS, OR GATE BURRS. MOLD
FLASH, PROTRUSIONS, OR GATE BURRS SHALL NOT
EXCEED 0.15 PER SIDE. DIMENSION A.
5. OPTIONAL CONSTRUCTION: AN ADDITIONAL
TRIMMED LEAD IS ALLOWED IN THIS LOCATION.
TRIMMED LEAD NOT TO EXTEND MORE THAN 0.2
FROM BODY.
DIM MIN MAX
MILLIMETERS
A
B
C0.90 1.10
D0.25 0.50
G0.95 BSC
H0.01 0.10
J0.10 0.26
K0.20 0.60
M0 10
S2.50 3.00
123
54 S
A
G
B
D
H
C
J
__
0.20
5X
CAB
T0.10
2X
2X T0.20
NOTE 5
CSEATING
PLANE
0.05
K
M
DETAIL Z
DETAIL Z
TOP VIEW
SIDE VIEW
A
B
END VIEW
1.35 1.65
2.85 3.15
MECHANICAL CASE OUTLINE
PACKAGE DIMENSIONS
ON Semiconductor and are trademarks of Semiconductor Components Industries, LLC dba ON Semiconductor or its subsidiaries in the United States and/or other countries.
ON Semiconductor reserves the right to make changes without further notice to any products herein. ON Semiconductor makes no warranty, representation or guarantee regarding
the suitability of its products for any particular purpose, nor does ON Semiconductor assume any liability arising out of the application or use of any product or circuit, and specifically
disclaims any and all liability, including without limitation special, consequential or incidental damages. ON Semiconductor does not convey any license under its patent rights nor the
rights of others.
98ARB18753C
DOCUMENT NUMBER:
DESCRIPTION:
Electronic versions are uncontrolled except when accessed directly from the Document Repository.
Printed versions are uncontrolled except when stamped “CONTROLLED COPY” in red.
PAGE 1 OF 1
TSOP5
© Semiconductor Components Industries, LLC, 2018 www.onsemi.com
0N Semiwndudw" ‘ nwmsxowme AND mm ASME msM wk 2 commuwe nwmsm 3 wENswoN n wuss m P YERMINAL AND \s MEASURE nzsANo n 30mm FROM YER o commmw APFUES m PAD As WELL As w: IERM 5 YERMINALD MAv HAVE Mm MAIERIAL ALDNG 3an EEG s nEVAIAs A AND a snow as m END or vamwu LEA PACKAGE AND sun: EDGE o um um 55mm: ”A“ GENERIC MARKING DIAG ><>
0.50
0.020
SCALE 10:1
0.40
0.016
1.9
0.075
0.65
0.025
0.65
0.025
0.50
0.020
DFN6 2x2.2 mm
CASE 48803
ISSUE G
DATE 06 FEB 2006
SCALE 4:1
xxM
xx = Specific Device Code
M = Date Code
GENERIC
MARKING DIAGRAM*
*This information is generic. Please refer
to device data sheet for actual part
marking.
NOTES:
1. DIMENSIONING AND TOLERANCING PER
ASME Y14.5M, 1994.
2. CONTROLLING DIMENSION: MILLIMETERS.
3. DIMENSION b APPLIES TO PLATED
TERMINAL AND IS MEASURED BETWEEN
0.25 AND 0.30mm FROM TERMINAL.
4. COPLANARITY APPLIES TO THE EXPOSED
PAD AS WELL AS THE TERMINALS.
5. TERMINAL b MAY HAVE MOLD COMPOUND
MATERIAL ALONG SIDE EDGE.
6. DETAILS A AND B SHOW OPTIONAL VIEWS
FOR END OF TERMINAL LEAD AT EDGE OF
PACKAGE AND SIDE EDGE OF PACKAGE.
C
A
SEATING
PLANE
DB
E
0.10 C
A3
A
A1
2X
2X 0.10 C
DIM
A
MIN NOM
MILLIMETERS
0.80 0.90
A1 0.00 0.03
A3 0.20 REF
b0.20 0.25
D2.00 BSC
D2 0.40 0.50
0.30 0.35
E2.20 BSC
b1
e0.65 BSC
0.30 0.35
L
PIN ONE
REFERENCE
0.08 C
0.10 C
6X
A0.10 C
NOTE 3
e
b1
D2
b
B
3
6
5X
1
L
4
6X
0.05 C
BOTTOM VIEW
MAX
1.00
0.05
0.30
0.60
0.40
0.40
SIDE VIEW
TOP VIEW
A0.10 C
NOTE 3
B
0.05 C
*For additional information on our PbFree strategy and soldering
details, please download the ON Semiconductor Soldering and
Mounting Techniques Reference Manual, SOLDERRM/D.
SOLDERING FOOTPRINT*
DETAIL B
DETAIL A
L1
DETAIL A
Bottom View
(Optional)
A1
A3
DETAIL B
Side View
(Optional)
EDGE OF PACKAGE
MOLD CMPD
EXPOSED Cu
0.00 0.05
L1 0.10
MECHANICAL CASE OUTLINE
PACKAGE DIMENSIONS
ON Semiconductor and are trademarks of Semiconductor Components Industries, LLC dba ON Semiconductor or its subsidiaries in the United States and/or other countries.
ON Semiconductor reserves the right to make changes without further notice to any products herein. ON Semiconductor makes no warranty, representation or guarantee regarding
the suitability of its products for any particular purpose, nor does ON Semiconductor assume any liability arising out of the application or use of any product or circuit, and specifically
disclaims any and all liability, including without limitation special, consequential or incidental damages. ON Semiconductor does not convey any license under its patent rights nor the
rights of others.
98AON04199D
DOCUMENT NUMBER:
DESCRIPTION:
Electronic versions are uncontrolled except when accessed directly from the Document Repository.
Printed versions are uncontrolled except when stamped “CONTROLLED COPY” in red.
PAGE 1 OF 1
DFN6 2 X 2.2 X 0.9 X 0.65P
© Semiconductor Components Industries, LLC, 2019 www.onsemi.com
0N Semiwndudw" m +5? LT \5/ ”’ ? 2x m EEK EDA WW r 4 T fi—D—Dii “’" SIDE VIEW Al 5XL an HW‘ i j $23223? H “La fl U ON Semxcunduclm and are lvademavks av Semxcanduclur Campunenls lnduslnes LLC dba ON Semxcanduclar ar us suaamanas m xna Umled sxaxas andJm mhev commas ON Semxcunduclar vesewes ma th| to make changes wuhum Yunhev name to any pruduns nanan ON Semanduc‘m makes m7 wanamy represenlalmn m guarantee regardmg ma sumahmy at W; manuals can any pamcu‘av purpase nnv dues ON Semumnduclm assume any Mammy ansmg mac xna apphcahan m use no any pmduclnv mum and saaamcauy dwsc‘axms any and au Mammy mc‘udmg wmnam hmma‘mn spema‘ cansequenha‘ m \nmdenla‘ damages ON Semxmnduclar dues nn| aanyay any hcense under Ms pa|em thls nar xna
UDFN6, 1.2x1.0, 0.4P
CASE 517AA01
ISSUE D
DATE 03 SEP 2010
SCALE 8:1
NOTES:
1. DIMENSIONING AND TOLERANCING PER
ASME Y14.5M, 1994.
2. CONTROLLING DIMENSION: MILLIMETERS.
3. DIMENSION b APPLIES TO PLATED TERMINAL
AND IS MEASURED BETWEEN 0.25 AND
0.30 mm FROM TERMINAL.
4. COPLANARITY APPLIES TO THE EXPOSED
PAD AS WELL AS THE TERMINALS.
A
B
E
D
BOTTOM VIEW
b
e
6X
0.10 B
0.05
AC
C
L5X
NOTE 3
2X
0.10 C
PIN ONE
REFERENCE
TOP VIEW
2X
0.10 C
10X
A
A1
(A3)
0.08 C
0.10 C
C
SEATING
PLANE
SIDE VIEW
L2
13
46
1
DIM MIN MAX
MILLIMETERS
A0.45 0.55
A1 0.00 0.05
A3 0.127 REF
b0.15 0.25
D1.20 BSC
E1.00 BSC
e0.40 BSC
L0.30 0.40
L1 0.00 0.15
MOUNTING FOOTPRINT*
DIMENSIONS: MILLIMETERS
0.22
6X
0.42 6X
1.07
0.40
PITCH
*For additional information on our PbFree strategy and soldering
details, please download the ON Semiconductor Soldering and
Mounting Techniques Reference Manual, SOLDERRM/D.
GENERIC
MARKING DIAGRAM*
X = Specific Device Code
M = Date Code
X M
*This information is generic. Please refer to
device data sheet for actual part marking.
PbFree indicator, “G” or microdot “ G”,
may or may not be present.
L1
DETAIL A
Bottom View
(Optional)
A1
A3
DETAIL B
Side View
(Optional)
EDGE OF PACKAGE
MOLD CMPD
EXPOSED Cu
L2 0.40 0.50
MECHANICAL CASE OUTLINE
PACKAGE DIMENSIONS
ON Semiconductor and are trademarks of Semiconductor Components Industries, LLC dba ON Semiconductor or its subsidiaries in the United States and/or other countries.
ON Semiconductor reserves the right to make changes without further notice to any products herein. ON Semiconductor makes no warranty, representation or guarantee regarding
the suitability of its products for any particular purpose, nor does ON Semiconductor assume any liability arising out of the application or use of any product or circuit, and specifically
disclaims any and all liability, including without limitation special, consequential or incidental damages. ON Semiconductor does not convey any license under its patent rights nor the
rights of others.
98AON22068D
DOCUMENT NUMBER:
DESCRIPTION:
Electronic versions are uncontrolled except when accessed directly from the Document Repository.
Printed versions are uncontrolled except when stamped “CONTROLLED COPY” in red.
PAGE 1 OF 1
6 PIN UDFN, 1.2X1.0, 0.4P
© Semiconductor Components Industries, LLC, 2019 www.onsemi.com
a a e lrademavks av Semxcunduclm Cnmvnnems In "sine \ghlsmanumhernlpalems \rademavks Dav www menu cumrsuerguwaxem Mavkmg gm 9 www nnserm cum
www.onsemi.com
1
ON Semiconductor and are trademarks of Semiconductor Components Industries, LLC dba ON Semiconductor or its subsidiaries in the United States and/or other countries.
ON Semiconductor owns the rights to a number of patents, trademarks, copyrights, trade secrets, and other intellectual property. A listing of ON Semiconductor’s product/patent
coverage may be accessed at www.onsemi.com/site/pdf/PatentMarking.pdf. ON Semiconductor reserves the right to make changes without further notice to any products herein.
ON Semiconductor makes no warranty, representation or guarantee regarding the suitability of its products for any particular purpose, nor does ON Semiconductor assume any liability
arising out of the application or use of any product or circuit, and specifically disclaims any and all liability, including without limitation special, consequential or incidental damages.
Buyer is responsible for its products and applications using ON Semiconductor products, including compliance with all laws, regulations and safety requirements or standards,
regardless of any support or applications information provided by ON Semiconductor. “Typical” parameters which may be provided in ON Semiconductor data sheets and/or
specifications can and do vary in different applications and actual performance may vary over time. All operating parameters, including “Typicals” must be validated for each customer
application by customer’s technical experts. ON Semiconductor does not convey any license under its patent rights nor the rights of others. ON Semiconductor products are not
designed, intended, or authorized for use as a critical component in life support systems or any FDA Class 3 medical devices or medical devices with a same or similar classification
in a foreign jurisdiction or any devices intended for implantation in the human body. Should Buyer purchase or use ON Semiconductor products for any such unintended or unauthorized
application, Buyer shall indemnify and hold ON Semiconductor and its officers, employees, subsidiaries, affiliates, and distributors harmless against all claims, costs, damages, and
expenses, and reasonable attorney fees arising out of, directly or indirectly, any claim of personal injury or death associated with such unintended or unauthorized use, even if such
claim alleges that ON Semiconductor was negligent regarding the design or manufacture of the part. ON Semiconductor is an Equal Opportunity/Affirmative Action Employer. This
literature is subject to all applicable copyright laws and is not for resale in any manner.
PUBLICATION ORDERING INFORMATION
TECHNICAL SUPPORT
North American Technical Support:
Voice Mail: 1 8002829855 Toll Free USA/Canada
Phone: 011 421 33 790 2910
LITERATURE FULFILLMENT:
Email Requests to: orderlit@onsemi.com
ON Semiconductor Website: www.onsemi.com
Europe, Middle East and Africa Technical Support:
Phone: 00421 33 790 2910
For additional information, please contact your local Sales Representative