MEMS Sensors are Good, but the Revolution is Just Beginning
We now accept the availability of low-cost, high-performance microelectromechanical systems (MEMS) sensors as a given, but that wasn’t always the case. The full story of mass-market MEMS begins in 1991 when Analog Devices announced its (now obsolete) ADXL50 single-axis accelerometer after about a decade of hard-fought technical battles across many areas including simulation, solid-state physics, process techniques, packaging, and test, with volume production by 1993 (Figure 1).
Figure 1: The all analog ADXL50 was the first mass-market MEMS accelerometer; it targeted automotive airbags and provided a fully conditioned analog output which could be digitized or used directly by a comparator circuit. (Image source: Analog Devices)
This device, measuring 5 millimeters (mm) × 5 mm, was designed to be a disruptive technology for a single, very specific application: to trigger vehicle airbags in cars, which were just being introduced and were not mandated. Prior to the availability of the MEMS sensor, most airbags were triggered by a sensor developed by Allen K. Breed in 1967. It used a ball moving in a tube as the sensed mass; the crash deceleration would cause the ball to separate from a retaining magnet and trigger a small electrical switch which, in turn, closed a circuit which then ignited the airbag chemicals.
This first MEMS sensor was smaller, less expensive, and easier to package, but that was just the first level of its virtues. More importantly, it changed acceleration sensing from a yes/no scenario to one where the sensor could provide an analog stream of sensed value. As a result, the actual acceleration waveform became part of the triggering algorithm.
The ADLX50 was obsolete by 1999 and superseded by more advanced MEMS units, but by then its broader impact (pun intended) was apparent. Follow-on devices incorporated high credibility for sensor self-calibration (critical for most sensors); added internal signal conditioning, an analog-to-digital converter (ADC), a microcontroller interface, and other ease-of-use features. Within a short period, parameters which had been difficult and costly to measure (size, weight, power) became an almost trivial issue.
But why stop there? Soon, vendors began offering two and even three-axis accelerometers, first as tiny modules and soon as monolithic devices. Suddenly, applications such as true motion sensing and even navigation became feasible (basic physics: integrate acceleration to determine velocity; integrate velocity to determine displacement).
Soon, these tiny devices added vibrating MEMS tuning forks and became gyroscopes and full inertial measurement units (IMUs) capable of replacing, in many cases, the basketball-sized IMU (>100 pounds (lb.), >200 watts) which guided astronauts to the moon just 50 years ago this past month (July, 2019), and even the ring laser gyros (RLG) and optical fiber gyros (FOG) which matured in the 1980s.
Suddenly, you have tiny IMUs which could be used in previously untouchable acceleration/positioning applications as well as be the guidance cores for drones. For example, the LSM6DSOXTR from STMicroelectronics is a three-axis IMU (full scale ranges of ±2/±4/±8/±16 g) in a 14 lead package measuring just 2.5 mm × 3 mm × 0.83 mm, requiring just 0.55 milliamps (mA). It comes with SPI and I2C interfaces.
It does not get much better than that! Other accelerometers were soon used for electronic image stabilization, solving a problem which previously mandated a gimbaled platform stabilized by a mechanical gyroscope. Some ideas were adapted for MEMS microphones, which are somewhat similar to accelerometers in principle, if not actual implementation.
MEMS innovations and their applications are just beginning
Looking at these examples, it may seem that the reach of MEMS technology is limited to acceleration in various guises – but that’s not the case at all. MEMS devices are now used for many applications which are unrelated to acceleration.
For example, Texas Instruments pioneered steering light via micromirrors in digital light processing (DLP) ICs, initially targeting large screen displays and picoprojectors. Its DLP6500 has a 1080p (1920 × 1080) array with over two million micromirrors and can be used as a be spatial light modulator (SLM) to control the amplitude, direction, and/or phase of incoming light (Figure 2).
Figure 2: The Texas Instruments DLP6500 DLP IC provides fully addressable, precisely controlled light beam steering and control over two million pixels in an array. (Image source: Texas Instruments)
Going beyond basic projection, TI has announced a very new embodiment of an old idea: directing a car’s headlights in the direction of the steering wheel (first proposed for the Tucker 48 automobile in the late 1940s!). Its DLP5531 is a MEMS-based electronic steering device which eliminates the need for gears, motors, and bearings and offers full programmability, along with high resolution of more than one million addressable pixels per headlight.
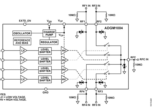
For the non-optical RF world, Analog Devices offers the ADGM1004 four-pole, single-throw (4PST) MEMS cantilever switch which handles RF signals with bandwidth from 0 Hertz (Hz) (DC) to 13 gigahertz (GHz) (Figure 3). With its bidirectional, metal-tipped contact switches, using it in a circuit enables routing an RF signal to one of four output ports or selection of one of four input signals to go to the output. These switches find extensive use in many points along the RF signal chain, or in test arrays and matrices.
Figure 3: Analog Devices extended the fundamental of MEMS technology to create a cantilever structure which provides metal-on-metal contact closures for a 4PST RF switch, with bandwidth of DC to 13 GHz. (Image source: Analog Devices)
University research teams are also using MEMS technology as a unique basis for building devices which otherwise cannot be fabricated. The Accelerator on a Chip International Program (AChIP), is a worldwide project (funded by the Gordon and Betty Moore Foundation in the U.S.) which is trying to create a tiny, silicon-based electron accelerator that can produce femtosecond to attosecond (10-15 to 10-18 seconds) pulses of electrons having up to one megaelectron volts (MeV) of energy – and do so from a silicon chip; in sharp contrast to the mile-long structures presently needed.
There’s a broad discussion of the project at “Photonics-based laser-driven particle acceleration: from proof-of-concept structures to the accelerometer on a chip”, and one aspect of the project is described in detail in a paper “Alternating-Phase Focusing for Dielectric-Laser Acceleration” published in Physical Review Letters. In it, engineers in the project’s accelerator physics group at TU Darmstadt describe how they have created a tiny MEMS channel and new electron beam focusing methods to replace the traditional magnetic focusing approach which would be too weak here (Figure 4).
Figure 4: The dual-pillar structure fabricated in silicon uses laser-based optical phase control to focus the electron acceleration and deceleration zones. (Image source: TU Darmstadt)
Another innovative MEMS project targets the more mundane world of the Internet of Things (IoT). A team at Northeastern University has developed a MEMS-based switch that consumes zero power when it is in dormant standby mode but will “wake up” when triggered by impinging infrared (IR) light (Figure 5). The team’s plasmonically enhanced micromechanical photoswitch (PMP) does this by transforming the tiny amount of photonic energy within defined spectral bands to activate a MEMS mechanism. When the activating IR energy is removed, the switch turns itself off.
Figure 5: Each cantilever of the PMP consists of a head, an inner pair of thermally sensitive bimaterial legs for actuation, an outer pair of identical bimaterial legs for temperature and stress compensation, and a pair of thermal isolation links that connect the inner and outer legs (a). Conceptual illustration of an incident light beam impinging on four PMPs, each “tuned” to different bands of infrared radiation (b). Pseudo-colored scanning electron microscope images of an actual fabricated PMP switch “mechanism,” with highlighted magnified views of the plasmonic absorber, the bowl-shaped contact tip, and the end of a bimaterial leg with self-aligned Al and SiO2 layers (c). (Image source: Northeastern University/Nature Nanotechnology)
Their paper “Zero-power infrared digitizers based on plasmonically enhanced micromechanical photoswitches,” in Nature Nanotechnology, provides full technical details. The physics of transforming the IR absorption is based on plasmons, which are the waves of electrons that move along the surface of a metal after it has been struck by photons. The plasmonic absorber is fabricated as a three-material stack, with a 100 nanometer (nm) dielectric layer sandwiched within an array of 50 nm gold nano-patches on the top, and a 100 nm platinum plate on the bottom (see Figure 5, again). The switches take energy from the IR electromagnetic radiation at specific, targeted wavelengths, and use it to mechanically close the contacts of the switches.
Conclusion
MEMS-based technology has come a very long way from its roots as an accelerometer sensor for airbag triggering. It has been extended and morphed to support diverse applications including light beam steering via micromirrors and contact-based RF switches. At the same time, leading-edge university research is taking MEMS even further to both mundane and esoteric scientific situations. The possibilities are – to use a cliché – limited only by the imaginations and efforts of those advancing MEMS technology and tools.
References:
1 – Analog Devices, ADXL50 Data Sheet (obsolete)
2 – Patrick L. Walter, “The History of the Accelerometer: 1920s-1996 – Prologue and Epilogue, 2006, ” Sound and Vibration, January 2007.
3 – Tekla S. Perry, “Kurt Petersen, 2019 IEEE Medal of Honor Recipient, Is Mr. MEMS,” IEEE Spectrum, May 2019.
Have questions or comments? Continue the conversation on TechForum, DigiKey's online community and technical resource.
Visit TechForum



