How to Use a Voltage Reference to Ensure Accurate, Stable Data Conversion
Contributed By DigiKey's North American Editors
2019-06-20
In the rush to more quickly and efficiently connect the analog and digital worlds to take advantage of the Internet of Things (IoT), it’s easy but unwise to overlook the critical role of the voltage reference. Used by analog-to-digital (ADC) and digital-to-analog (DAC) converters as the primary standard by which to “judge” the analog input and output values, it helps ensure accurate signal and data conversion, but only if it is selected appropriately and applied correctly.
This article will briefly describe the structure and characteristics of a voltage reference and describe how to go about selecting one. By way of example, it will introduce a voltage reference from Analog Devices’ ADR43x series to illustrate the various characteristics, enhancements, and features designers can take advantage of to get the most out of modern voltage references. Along the way, it will show how to apply the ADR43x device such that it remains within acceptable limits to allow ADCs, DACs, and systems as a whole to perform to their full potential.
The critical role of voltage references
In its basic form, the voltage reference is a three-terminal device with supply rail, ground (common), and precision output voltage connections (Figure 1). A reference that is inappropriate for the task or applied improperly will be inaccurate and will compromise the validity and credibility of the converter’s output.
Figure 1: The basic realization of a voltage reference is a three-terminal device with input voltage, output reference, and ground (common) connections, shown here for the LT6656AIS6-2.5 device from Analog Devices’ LT6656 family. (Image source: Analog Devices)
Once a designer has selected a suitable reference with respect to nominal output voltage, accuracy, and tolerance as well as other parameters, the challenge is to use the reference in such a way that the specified performance fully meets the application requirements and the device’s performance is not compromised. The importance of this cannot be overstated. As mentioned, the voltage reference is the primary standard by which an ADC judges the analog input voltage as it digitizes that voltage. In the case of DACs, a stable and reliable voltage reference allows the converter to produce an accurate analog output voltage corresponding to the input digital code.
| LT6656AIS6-2.5 |
Selecting the reference
Three technologies are most often used for solid state references: the buried Zener diode, the bandgap approach using a transistor’s Vbe, and Analog Devices’ XFET® configuration, which has two junction FETs working in tandem (U.S. Patent Number 5,838,192).
While voltage reference designers may discuss the subtleties and attributes of each approach (with good reason), for most voltage reference users, the focus is instead on performance, trade-offs, application, and cost issues. That is the perspective taken here.
While a voltage reference’s internal core reference may be at an “awkward” value due to the underlying device physics of the technology used, voltage references are designed with internal circuitry to ensure their outputs are at voltages that are a good match for the converter resolution as well as system needs.
For example, many references are offered as a family of otherwise identical devices with a choice of output values such as 2.048, 2.5, 3.0, 4.096, and 5.0 volts. The 2.048 volt and 4.096 volt versions are convenient as they map “evenly” into converter resolution; for example, a 12-bit converter using a 4.096 volt reference has a nominal scaling of 1 millivolt (mV)/conversion count.
Initial reference accuracy is specified in either percent or millivolts and the accuracy can vary widely as some applications need greater accuracy than others. In general, higher accuracy is more difficult to achieve and maintain; a typical reference specification is a maximum error of ±0.1% under all conditions. However, advances in underlying topology and process technology have enabled improvement in this specification. For example, the 4.096 volt ADR434 reference uses the XFET approach and is specified with initial accuracy of ±5 mV (A suffix) or ±1.5 mV (B suffix).
However, there are many applications for which absolute accuracy is secondary to reference stability and long-term consistency. The reason may be that the digitized data can be subsequently corrected, or the absolute accuracy is not as important as comparative results and their changes, both of which are functions of reference stability. Therefore, the selection of the reference must assess how much absolute accuracy is needed versus how much stability is needed—and how to maintain that stability.
This stability factor has non-trivial considerations. Is it for short duration usage, such as in the case of acquiring data during a brief experiment? Or is it for long-term data acquisition for over a year or more? These are issues that the designer must answer in advance for each project.
External versus internal references
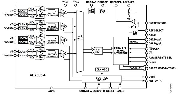
There’s an even more basic question: do you even need an independent, external reference? Converters such as the Analog Devices AD7605-4BSTZ ADC come with an internal voltage reference, which saves on board space and bill of materials (BOM) (Figure 2). Further, the data sheet can provide a specification on the fully characterized ADC reading accuracy, since the reference’s performance becomes part of the converter IC’s overall performance.
Figure 2: Many ADCs, such as the 16-bit AD7605-4BSTZ, come with an internal voltage reference. Along with saving space and reducing the BOM, this simplifies error budget analysis since the reference performance is factored into the converter’s overall specifications. (Image source: Analog Devices)
However, an internal reference may not offer the needed performance even if the converter core is suitable, so most converters have a connection for an external reference. Note that converters that are highly application specific and cost-sensitive, such as those for a lower end audio channel, may have an internal converter that meets the target standard and so will have no need for an external reference. Still, it is simplistic to assume that any external reference automatically provides better results than an internal one, as the performance of the internal reference may be commensurate with the specifications of its associated converter.
There’s another reason to consider using an external voltage reference, even if the internal one is adequate. In designs where there is more than just a single converter IC, the individual internal references may differ or not identically track each other. Their resultant data will have inconsistencies solely due to the references’ differences, and this would make correlating the data difficult, with unresolvable errors that cannot be corrected.
For this reason, for a high-performance system with multiple converters, it is generally better to use a single, shared external reference. Doing so, however, raises concerns regarding the ability of the reference to “drive” the multiple converters without degrading its basic performance, a consideration discussed below.
Maintaining the reference’s performance
In addition to initial accuracy and tolerance specifications, references have issues that must be addressed to ensure that performance stays within acceptable limits. Among these issues are:
- Layout issues, including voltage drop and noise
- Output drive (source/sink), load buffering, and transient performance
- Short-term stability and temperature related drift
- Long-term drift due to aging, physical stress, and packaging
1. Layout issues, including voltage drop and noise: As with any sensitive analog signal, even one delivering a static voltage, there can be excessive current-resistance (IR) voltage drop between reference output and converter. Although most reference loads are low—on the order of tens of milliamps (mA)—even a modest load of 10 mA going through 100 milliohms (mΩ) results in a voltage drop of 1 mV, which may add significant error to the budget.
The ADR43x series voltage reference overcomes this problem by including the wiring resistance within the forcing loop of an external operational amplifier (op amp) in a Kelvin connection configuration (Figure 3). The amplifier senses the voltage at the load, so the operational amplifier’s loop control forces the output to compensate for the wiring error and thus produce the correct voltage at the load.
Figure 3: Devices in the ADR43x series can be configured for Kelvin connections via an external op amp such that any IR drop between reference output and converter reference input connection is part of a feedback loop that then corrects for the loss. (Image source: Analog Devices)
External noise can also affect the reference voltage as seen at the converter, due to load noise, ground (common) noise, and noise pickup from inadequately decoupled supply rails. Further, references also have low frequency (0.1 hertz (Hz) to 10.0 Hz) and high frequency (10 Hz to 25 kilohertz (kHz)) internal noise that must be assessed. High-performance references, such as those in the ADR43x family, feature low frequency noise below 3.5 microvolts (μV) peak to peak (p-p) and high frequency noise of about 200 μV (peak) from 10 Hz to 10 kHz.
The noise density spectrum for the ADR431BRZ-REEL7 is shown (Figure 4). For different capacitive loads it is relatively flat to about 1 kHz, then it starts to rise; it stays flat for zero capacitive load.
Figure 4: The ADR431BRZ-REEL7’s noise density vs. frequency for different capacitive loads is relatively flat to about 1 kHz, then starts to rise; it stays flat for zero capacitive load and increases more quickly as the load increases. (Image source: Analog Devices)
The most common tactic for reducing noise is to add a simple resistor-capacitor (RC) filter. However, many references have output amplifiers that may become unstable and oscillate with large capacitive loads, so connecting a larger capacitance of several microfarads (µF) to the output is not an option unless the reference is designed for this. For the ADR43x devices, the basic connection of the reference can be supplemented with a simple RC filter if this high frequency noise still exceeds requirements (Figure 5).
Figure 5: Basic connection of the ADR43x voltage references requires just a few passive external components, with two capacitors on the input side and a basic 0.1 µF capacitor on the output. (Image source: Analog Devices)
Note that the ADR43x references each provide an external pin that provides access to the internal compensation node, allowing an external series RC network to be added at the critical circuit point (Figure 6).
Figure 6: The ADR43x devices feature a user-accessible package pin (Pin 7), which can be used for adding needed compensation to the internal op amp. (Image source: Analog Devices)
Adding the RC circuit allows the user to “overcompensate” the internal op amp and avoid instability. Users can select the capacitor value to reach an acceptably low noise level versus frequency (Figure 7).
Figure 7: Designers using ADR43x references can select RC component values to achieve the desired level of noise reduction without concern for output instability, as shown by this plot of noise density versus frequency for various RC combinations. (Image source: Analog Devices)
2. Output drive (source/sink), load buffering, and transient performance: Most references are internally buffered and can source and sink up to 5 or 10 mA. If the required load current is greater than the source/sink rating of the reference, an external buffer (usually at unity gain) will be needed. However, a buffer may not be desirable as the potential effect of its imperfections (inaccuracy, drift) may push the reference out of system specification.
The ADR43x series eliminates the need for the external current-boost buffer in many cases due to its relatively high +30 mA source and −20 mA sink current ratings.
Also, the load on the reference is not necessarily constant but may vary as the ADC (or DAC) switches internally. If the external reference input at the converter is buffered, this is not a problem; if it is not, the transient performance of the reference must be examined. In some cases, an external buffer is needed between the reference and the converter to provide drive despite transient loads; again, the buffer’s performance must be factored into the system error analysis.
3. Short term stability and temperature-related drift: The reference output will drift due to the time for the active circuits to settle and for the thermal gradients on the chip to stabilize. This turn-on settling time for most references is usually dependent on load capacitance, but the load capacitor impact is minimal for the ADR431 with a small load (Figure 8 and Figure 9).
Figure 8: The turn-on settling time for the ADR431 with no load is about 8 microseconds (µs). (Image source: Analog Devices)
Figure 9: With the addition of a 0.01 µF load, the turn-on settling time for the ADR431 is still only about 8 µs. (Image source: Analog Devices)
Data sheets specify reference accuracy at a defined temperature, which usually differs from turn-on value. The change in output due to temperature change can easily exceed the system accuracy requirements, so a reference with a suitably low drift specification is needed. The ADR43x family is specified for operation from −40°C to +125°C; for the ADR434A (4.096 volt, ±5 mV initial accuracy), this coefficient is 10 parts per million (ppm)/°C, while other members of the series have values as low as 3 ppm/°C.
4. Long-term drift due to aging, physical stress, and packaging: Drift is often a significant contribution to reference inaccuracy. Consider an application that requires a voltage reference to have a total accuracy over temperature range of ±0.1%. The designer may choose a high-performance reference with an initial accuracy of ±0.05% and a very low temperature coefficient of ±5 ppm/°C.
Between 25°C and 125°C, the drift due to temperature coefficient will be 5 ppm/°C × 100°C, or 500 ppm (0.05%), so the total error (initial error + drift error) will just meet the ±0.1% requirement. Some high-end applications place the reference in a temperature-controlled oven similar to the ones used for temperature stabilized frequency setting crystals and clocks, but this is not desirable or practical for most situations.
As reference accuracy improves, its basic long-term drift (LTD) becomes a larger factor in maintaining that accuracy. For the design engineer, LTD presents a special challenge because it is also a function of production procedures and product use patterns, rather than just the thoroughness of the design and associated component selection. The stresses on the package that occur during circuit board assembly are the major cause of LTD. Plastic packaged ICs will change shape slightly as a result of exposure to high temperatures of the board soldering process, and this stress-induced change in dimensions puts stresses on the voltage reference die.
The consequence is that the voltage reference’s output changes as these mechanical, assembly-related stresses subside and return to normal over hours, days, and even weeks. The amount of change depends on layout, device package, and other factors, and is typically on the order of tens of ppm. Also, the reference’s die and package relationship will even “settle in” as the device ages over the course of a year, so some references specify drift over that much longer time period.
Most reference data sheets provide LTD specifications as the typical drift after the first 1,000 hours of operation; the ADR43x series data sheet specifies 1000 hour LTD at 40 ppm (typical) but also notes that the drift in subsequent 1000 hour periods is significantly lower than it is in the first 1000 hour period.
One solution to this stress-induced drift is to thermally cycle the board several times over a few hours, as this will accelerate the relief of internal stresses. Another solution is to consider using voltage references in ceramic packages, as they are generally more stable than plastic package and have lower levels of flexing than plastic packages. However, many references are not available in ceramic packages; but this may not be a problem as the latest generation of references in plastic offer LTD performance that is almost as good as ceramic packaged devices.
Finally, designers cannot ignore the effect on the voltage reference of transients on its own power rail; after all, a reference is a specialized “power supply” in many ways. Therefore, not only are load variations a possible influence on output accuracy, but a stable and clean direct current (DC) input line is another factor in maintaining specified performance. That said, a well-designed voltage reference will tightly regulate the power input. The ADR431 specifies line regulation ΔVOUT/ΔVIN of 5 mV/ppm (typical) and 20 mV/ppm (maximum) over the 7 to 18 volt input voltage range (Figure 10).
Figure 10: Transients in the voltage reference’s power rail can adversely affect its performance, but good internal line regulation should address this. For example, the ADR43x devices show no change in output despite a 500 mV line transient. (Image source: Analog Devices)
Conclusion
Whether internal to an ADC or DAC or a discrete external component, voltage references are a critical building block of any system that uses data converters. Improvement in their basic accuracy, drift, and other parameters translate into system-level performance improvements.
As shown, designers have available a wide array of voltage reference characteristics and enhancements—in both topology and process—from which to choose. Along with added features to ensure accuracy and consistent performance under a variety of static and dynamic operating conditions, the deceptively simple voltage reference has much to offer a designer looking for options to address tight design requirements.
References:
- Analog Devices, AN-713, “The Effect of Long-Term Drift on Voltage References”
- Analog Devices, Engineer Zone, “Trimming the ADR430”
Disclaimer: The opinions, beliefs, and viewpoints expressed by the various authors and/or forum participants on this website do not necessarily reflect the opinions, beliefs, and viewpoints of DigiKey or official policies of DigiKey.


