How to Quickly Implement Buck Converters for Factory Automation, 5G, and the IoT
Contributed By DigiKey's North American Editors
2022-05-24
Buck DC/DC converters are widely used across many electronic systems such as 5G base stations, factory automation (FA) equipment, and Internet of Things (IoT) devices to efficiently down convert high voltages. For example, a voltage such as 12 volts direct current (VDC) or 48 VDC from a battery or a power distribution bus often needs to be converted to a lower voltage(s) to power digital ICs, analog sensors, radio frequency (RF) sections, and interface devices.
While designers can implement a discrete buck converter and optimize it for a specific design in terms of performance characteristics and board layout, there are challenges to taking this approach. These include the selection of the appropriate power MOSFET, the design of the feedback and control network, inductor design, and the choice between an asynchronous or a synchronous topology. Also, the design needs to include numerous protection functions, deliver maximum efficiency, and a small solution size. At the same time, designers are being pushed to shorten design time and lower costs, resulting in a need to find more suitable power converter alternatives.
Instead of the discrete route, designers can turn to integrated power supply ICs that combine MOSFETs with the necessary feedback and control circuitry that are already optimized for high-efficiency buck converters.
This article reviews the performance tradeoffs between asynchronous and synchronous buck DC/DC converters and how they map into the needs of specific applications. It presents an example integrated asynchronous buck IC and a synchronous buck converter IC solution from ROHM Semiconductor and discusses implementation considerations, including the selection of the output inductor and capacitor and the pc board layout. Evaluation boards are included in the discussion to help designers get started.
Why use a buck converter?
In applications that need a few amperes (A) of current, a buck converter provides a more efficient alternative to a linear regulator. A linear regulator may have an efficiency of about 60%, while an asynchronous buck converter can be 85%+ efficient.
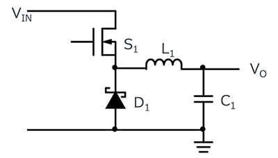
A basic asynchronous buck converter consists of a MOSFET switch, a Schottky diode, a capacitor, an inductor, and controller/driver circuitry (not shown) to turn the MOSFET ON and OFF (Figure 1). A buck converter takes the DC input voltage (VIN) and converts it to a pulsing AC current that is rectified by the diode, which is then filtered by the inductor and capacitor to produce a regulated DC output voltage (VO). This topology gets its name from the fact that the voltage across the inductor opposes or ‘bucks’ the input voltage.
Figure 1: Asynchronous buck converter topology, not including the MOSFET controller/driver circuitry. (Image source: ROHM Semiconductor)
The controller/driver circuit senses the output voltage and periodically turns the MOSFET ON and OFF to maintain the output voltage at the desired level. As the load varies, the controller/driver varies the amount of time the MOSFET is ON to deliver more or less current to the output as needed to maintain (regulate) the output voltage. The percentage of time that the MOSFET is ON during one complete ON/OFF cycle is called the duty cycle. As such, higher duty cycles support higher load currents.
Synchronous bucks
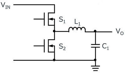
In applications that need higher efficiencies than are possible with an asynchronous buck, designers can turn to a synchronous buck converter where the Schottky diode is replaced by synchronous MOSFET rectification (Figure 2). The synchronous MOSFET (S2) has an ON resistance significantly lower than the resistance of the Schottky, resulting in lower losses and higher efficiency, but with a higher cost.
One challenge is that there are now two MOSFETs that need to be turned ON and OFF in coordination. If both MOSFETs are ON at the same time, it creates a short circuit connecting the input voltage directly to ground, damaging or destroying the converter. Preventing that from happening increases the complexity of the control circuit, further adding to the cost and design time compared with an asynchronous design.
This control circuit in a synchronous buck incorporates ‘dead time’ between switching transitions where both switches are OFF for a very brief period to prevent simultaneous conduction. Fortunately for designers, power supply ICs are available that integrate the power MOSFETs and control circuitry needed to produce buck converters.
Figure 2: Synchronous buck converter topology showing the replacement of the Schottky diode with a synchronous rectification MOSFET (S2). (Image source: ROHM Semiconductor)
Integrated buck converter ICs
Examples of highly integrated buck converter ICs are ROHM’s BD9G500EFJ-LA (asynchronous) and BD9F500QUZ (synchronous) devices, which come in an HTSOP-J8 and a VMMP16LZ3030 package, respectively (Figure 3). The BD9G500EFJ-LA has an 80 volt withstand voltage and is intended for use with 48 V power buses found in 5G base stations, servers, and similar applications. It’s also suitable for systems with 60 V power buses like electric bicycles, power tools, FA, and IoT devices. It can deliver up to 5 A of output current and has a conversion efficiency of 85% over its output current range of 2 to 5 A. Built-in features include soft start, overvoltage, overcurrent, thermal shutdown, and undervoltage lockout protection.
Figure 3: The BD9G500EFJ-LA asynchronous buck converter IC comes in an HTSOP-J8 package and the BD9F500QUZ synchronous buck IC comes in a VMMP16LZ3030 package. (Image source: ROHM Semiconductor)
Since the BD9F500QUZ synchronous buck power supply IC has a breakdown voltage of 39 volts, designers of systems with 24 V power buses can utilize it to lower system costs by reducing mounting area and component count in FA systems such as programmable logic controllers (PLCs) and inverters. The BD9F500QUZ reduces solution size by about 60%, and the 2.2 MHz maximum switching frequency enables the use of a small 1.5 microhenry (μH) inductor. This synchronous buck operates at up to 90% efficiency with an output current of 3 A.
The combination of high efficiency and thermally efficient packaging means that its operating temperature is around 60 degrees Celsius (°C) without the need for any heatsinking, thereby saving space, improving reliability, and lowering costs. Built-in features include output capacitor discharge function, overvoltage, overcurrent, short circuit, thermal shutdown, and undervoltage lockout protection.
Selecting the inductor and capacitor
While the BD9G500EFJ-LA and BD9F500QUZ have integrated power MOSFETs, designers still need to select the optimal output inductor and capacitor, which are interrelated. For example, the optimal value of inductance is important in order to obtain the smallest combined sizes for the inductor and output capacitor, as well as sufficiently low output voltage ripple. Transient requirements are also important and vary from system to system. The load transient amplitude, voltage deviation limitations, and capacitor impedance all impact transient performance and capacitor selection.
Designers have several capacitor technologies available, each of which offers a different set of cost and performance tradeoffs. Usually, multilayer ceramic capacitors (MLCCs) are used for the output capacitance in buck converters, but some designs can benefit from using aluminum electrolytic capacitors or conductive polymer hybrid electrolytic capacitors.
ROHM has simplified the process of inductor and capacitor selection by offering designers complete application example circuits in the datasheets for these power supply ICs including:
- Input voltage, output voltage, switching frequency and output current
- Circuit schematic
- Suggested bill of materials (BOM) with values, part numbers and manufacturers
- Operating waveforms
Three detailed application circuits for the BD9G500EFJ-LA, all with a 200 kilohertz (kHz) switching frequency, include:
- 7 to 48 VDC input with an output of 5.0 VDC at 5 A
- 7 to 36 VDC input with an output of 3.3 VDC and 5 A
- 18 to 60 VDC input with an output of 12 VDC and 5 A
Seven detailed application circuits for the BD9F500QUZ include:
- 12 to 24 VDC input with an output of 3.3 VDC and 5 A, with a 1 MHz switching frequency
- 12 to 24 VDC input with an output of 3.3 VDC and 5 A, with a 600 kHz switching frequency
- 5 VDC input with an output of 3.3 VDC and 5 A, with a 1 MHz switching frequency
- 5 VDC input with an output of 3.3 VDC and 5 A, with a 600 kHz switching frequency
- 12 VDC input with an output of 1.0 VDC and 5 A, with a 1 MHz switching frequency
- 12 VDC input with an output of 1.0 VDC and 5 A, with a 600 kHz switching frequency
- 12 VDC input with an output of 3.3 VDC and 3 A, with a 2.2 MHz switching frequency
In addition, ROHM offers designers an application note on, “Types of Capacitors Used for Output Smoothing of Switching Regulators and their Precautions.”
Eval boards speed the design process
To further accelerate the design process, ROHM offers the BD9G500EFJ-EVK-001 and BD9F500QUZ-EVK-001 eval boards for the BD9G500EFJ-LA and BD9F500QUZ, respectively (Figure 4).
Figure 4: The BD9G500EFJ-EVK-001 (left) and BD9F500QUZ-EVK-001 (right) eval boards for the BD9G500EFJ-LA and BD9F500QUZ buck converter ICs, respectively, help designers quickly ensure the devices meet their requirements. (Image source: ROHM Semiconductor)
The BD9G500EFJ-EVK-001 produces a 5 VDC output from a 48 VDC input. The input voltage range of the BD9G500EFJ-LA is 7 to 76 VDC, and its output voltage is configurable from 1 VDC to 0.97 x VIN with external resistors. An external resistor can also be used to set the operating frequency between 100 and 650 kHz.
The BD9F500QUZ-EVK-001 eval board produces an output of 1 VDC from a 12 VDC input. The input voltage range of the BD9F500QUZ is 4.5 to 36 VDC, and its output voltage is configurable from 0.6 to 14 VDC with external resistors. This power supply IC has three selectable switching frequencies; 600 kHz, 1 MHz, and 2.2 MHz.
Board layout considerations
General pc board layout considerations when using the BD9G500EFJ-LA and BD9F500QUZ include:
- The free-wheeling diode and input capacitor should be on the same pc board layer as the IC terminal and as close as possible to the IC.
- Thermal vias should be included whenever possible to improve heat dissipation.
- Place the inductor and output capacitor as close to the IC as possible.
- Keep return path circuit traces away from noise sources, such as the inductor and diode.
More specific layout details can be found in the datasheets for the respective devices and in ROHM’s application note on “PCB Layout Techniques of Buck Converter.”
Conclusion
As shown, asynchronous and synchronous buck converters can be used to deliver higher conversion efficiencies when compared to linear regulators in a variety of FA, IoT and 5G applications. While it’s possible to design custom buck converters for a given design, it’s a complex and time-consuming task.
Instead, designers can opt for power supply ICs that integrate the power MOSFET along with the control and drive circuitry to produce compact and cost-effective solutions. Also, a variety of tools are available to designers to speed time to market, including application notes on capacitor selection and pc board layout, detailed application example circuits, and eval boards.
Recommended reading
Disclaimer: The opinions, beliefs, and viewpoints expressed by the various authors and/or forum participants on this website do not necessarily reflect the opinions, beliefs, and viewpoints of DigiKey or official policies of DigiKey.

