How to Build Better Automotive and E-Mobility Systems Using Digital Signal Controllers
Contributed By DigiKey's North American Editors
2021-11-17
Both conventional automotive and e-mobility systems depend on effective operation of myriad electronic devices for convenience features as well as mission-critical functional safety capabilities. While presenting a wide diversity of requirements, these different applications fundamentally require the ability to operate in extreme conditions while delivering reliable, high-performance, real-time response.
As a result, developers face a growing need for a consistent, powerful, well-supported, and scalable platform able to help simplify design and development of an expanding range of automotive and e-mobility use cases.
This article discusses a family of digital signal controllers (DSCs) from Microchip Technology that can meet these requirements and describes the use of these DSCs in reference designs for capabilities essential in automotive and e-mobility systems.
Diverse design challenges require flexible solutions
Whether designing for conventional or electric vehicles, developers need to address a growing list of applications including power conversion subsystems, in-vehicle wireless charging, digital lighting systems, and motor-control systems ranging from relatively simple stepper motor applications to complex regenerative braking systems in electric vehicles (EVs) and hybrid electric vehicles (HEVs). Along with mission-critical requirements for functional safety, design footprint and bill of materials (BOM) requirements continue to rise in importance as vehicle manufacturers work to respond to consumer demand and competitive pressure for greater safety, convenience, functionality, and performance.
In responding to these requirements, the industry has already turned sharply toward digital solutions in nearly every vehicle subsystem. Subsystems throughout conventional passenger vehicles already rely on microcontrollers (MCUs) running four times more software code than commercial aircraft[1].
With evolving demand and competitive pressure, however, earlier microcontroller solutions can fall short of meeting the array of requirements now facing automotive designers. The need for different power rails in more electronic subsystems and associated high-voltage DC/DC conversion functionality, particularly in EVs, requires more sophisticated digital control capabilities. Other applications like in-vehicle wireless charging of mobile devices introduce a host of entirely new design requirements for multi coil wireless power transmitters compatible with the industry-standard power receivers being built into more consumer devices. Vehicle lighting designs need to address technical characteristics like dimming, temperature, component aging, and others to deliver brighter headlights, pleasing colors and dimming effects in dashboards. Finally, precision digitally controlled motors are ubiquitous even in conventional vehicles and, of course, provide the functional foundation for e-mobility.
Microchip Technology’s dsPIC33 DSC family is designed specifically to address these diverse requirements using family members with specialized functional capabilities. The newest member of this family, the dsPIC33C, extends the performance and capabilities available in dsPIC33E and dsPIC33F DSCs for developers targeting more sophisticated applications.
Based on a digital signal processor (DSP) core, these DSCs combine the simplicity of an MCU with the performance of a DSP to meet evolving requirements for high performance, low-latency, real-time capability while maintaining minimal footprint and BOM. Using Microchip’s extensive ecosystem of dsPIC33 development boards, reference designs and software development tools, developers can draw on different members of the dsPIC33 family to scale their designs to deliver the breadth of applications at the heart of automotive and e-mobility systems.
A more effective hardware base for automotive and e-mobility designs
Microchip’s dsPIC33C family is designed specifically to reduce latency and speed execution of high-speed software-based digital control loops underlying many automotive subsystems. To deliver this capability, these devices integrate a DSP engine, high-speed registers, and tightly coupled peripherals including multiple analog-to-digital converters (ADCs), digital-to-analog converters (DACs), analog comparators, and operational amplifiers.
Features like the DSP engine’s single cycle 16 x 16 multiply-accumulate (MAC) with 40-bit accumulator, zero-overhead looping, and barrel shifting ensure high-speed execution of digital control loops. Peripheral capabilities like 150 picosecond (ps) resolution pulse width modulators (PWM), capture/compare/PWM (CCP) timers, peripheral trigger generator, and user-programmable configurable logic cell enable independent operation of precision control loop interfaces.
The extensive on-chip functionality of these devices in packages as small as 5 x 5 millimeters (mm) helps developers achieve the minimal footprint and BOM to meet the requirements for smaller devices in sleek automotive systems. Further simplifying automotive designs, these devices support multiple communications interfaces including Controller Area Network (CAN), Local Interconnect Network (LIN), and Digital Multiplex (DMX) used in advanced automotive systems. Additionally, these devices come in different memory sizes in both single and dual-core configurations, providing the kind of scalable solution required for advanced automotive and e-mobility applications.
Intended for harsh automotive environments, these parts are AEC-Q100 Grade 0 qualified and able to meet the exacting requirements of under-the-hood operation with support at an extended temperature range from –40°C to +150°C. Most important for mission-critical automotive designs, select dsPIC33 family members are functional-safety ready to ease compliance with safety specifications including ISO 26262 (ASIL A or ASIL B), IEC 61508 (SIL 2), and IEC 60730 (Class B). These dsPIC33 family members integrate specialized safety hardware features including a deadman timer, watchdog timer, fail-safe clock monitoring, random access memory (RAM), built-in self-test (BIST), and error correcting code.
For software development, Microchip’s MPLAB XC C compilers are TÜV SUD certified for functional safety, and diagnostic software libraries are available in some cases. In addition, Microchip provides associated Failure Modes, Effects, and Diagnostic Analysis (FMEDA) reports and safety manuals needed as part of the safety certification process.
Hardware safety features and development capabilities needed for functional safety certification are only part of a rich development ecosystem supporting dsPIC33-based design for both conventional automobiles and electric vehicles. Building on its MPLAB X Integrated Development Environment (IDE), Microchip offers an extensive set of specialized design tools and libraries for different application areas as noted below.
To help further speed development with its dsPIC33 family, Microchip offers a rich ecosystem of dsPIC33 development boards as well as downloadable design resources including white papers, application notes and reference designs. Among these resources, several dsPIC33C reference designs address several key automotive and e-mobility application areas including wireless charging, digital lighting, power conversion, and motor control. Besides demonstrating use of a dsPIC33C DSC in each area, these reference designs and associated software can also serve as the starting point for the implementation of custom designs.
Implementing precision digital control loops for power conversion
Control loops lie at the heart of many automotive and e-mobility applications, and one of their most critical uses in these applications serves the fundamental need for power conversion. Efficient DC-to-DC conversion remains important in conventional automotive systems and is essential in high-voltage electric and hybrid electric vehicles. In these systems, 200-800-volt battery voltages need to be safely and efficiently brought down to the 12-volt or 48-volt levels needed to run exterior and interior lighting, and power motors for wipers, windows, fans, and pumps.
In a 200 watt (W) DC/DC LLC (three reactive elements: two inductive and one capacitive) resonant converter reference design[2], a single dsPIC33 device enables a compact digital solution for switch-mode power conversion, using one of its integrated PWMs to drive half-bridge MOSFETS in the control loop (Figure 1).
Figure 1: Microchip Technology‘s DC/DC LLC resonant converter reference design relies on a single dsPIC33 DSC to digitally manage the control loop at the heart of a power conversion design. (Image source: Microchip Technology)
In Figure 2, the resonant transformer isolates the primary side high voltage (black lines) from the secondary 12 volt supply (blue lines) for the MOSFET drivers (D) and the 3 volt supply for the dsPIC33 DSC and other analog (A) components.
Figure 2: With its specialized peripherals, dsPIC33 DSCs help simplify designs and reduce parts count, here using its integrated PWMs and peripheral functions to control external MOSFETS (D) and other analog (A) components. (Image source: Microchip Technology)
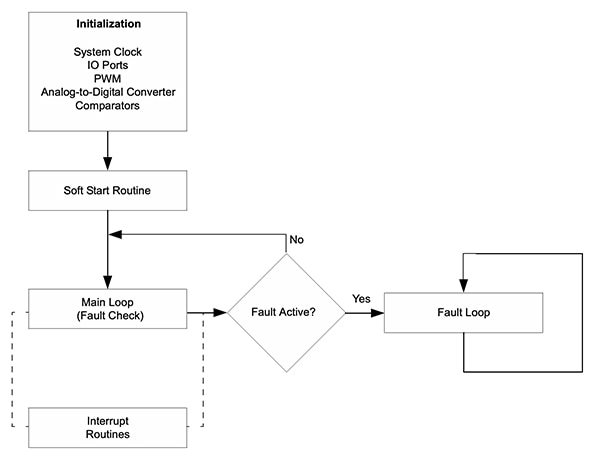
In this design, the dsPIC33 uses a basic interrupt-driven software design to manage the digital control loop. Here, an ADC interrupt is used to acquire the output voltage used in the software proportional–integral–derivative (PID) controller. Another ADC interrupt supports temperature sensing, while the dsPIC33’s analog comparators support overcurrent and overvoltage event detection. In fact, execution of the PID control process and associated control loop management tasks leaves plenty of processing headroom for housekeeping and monitoring tasks including temperature monitoring, fault monitoring, and communications, all within a straightforward firmware processing sequence (Figure 3).
Figure 3: The dsPIC33 DSCs’ high-performance DSP engine and tightly coupled peripherals enable developers to easily implement complex digital control loops with simpler code. (Image source: Microchip Technology)
For developers looking to build more specialized digital power solutions, Microchip’s Digital Power Design Suite supports designs from conception through generation of firmware for a target dsPIC DSC. Building on dsPIC DSC hardware capabilities, developers use the suite’s Digital Compensator Design Tool (DCDT) to analyze control loops, and the MPLAB Code Configurator (MCC) to generate code that uses optimized assembly-code functions in the Microchip Compensator Libraries (Figure 4).
Figure 4: Developers can draw on Microchip’s comprehensive tool chain to speed development of optimized software-based control loops at the heart of digital power subsystems. (Image source: Microchip Technology)
Whether they’re building standards-based devices like wireless power transmitters or implementing more complex custom devices, designers of automotive and e-mobility control loop applications need to implement compact solutions that can support additional functionality beyond baseline capabilities like fault monitoring. Another reference design illustrates the use of a single-core dsPIC33CK DSC in delivering a rich set of features in another important application of digitally controlled power conversion—wireless power transmission.
Implementing Qi-compliant wireless power transmitters
Widely adopted by manufacturers of smartphones and other mobile devices, the Wireless Power Consortium (WPC) Qi standard for 5 to 15-watt wireless power transfer lets consumers charge their Qi-capable devices by simply placing them on any surface with a built-in compatible wireless transmitter. Embedded in interior automotive surfaces or third-party charging products, Qi wireless power transmitters provide a convenient method for smartphone charging that eliminates the confusion and potential distraction of wired power connections. Microchip Technology’s 15-watt Qi wireless power reference design[3] illustrates the use of a dsPIC33 in simplifying implementation of this type of subsystem (Figure 5).
Figure 5: The dsPIC33’s integrated peripherals can operate independently to speed key control tasks, leaving a processing margin for executing other tasks like user interfaces, communications, and security in more complex applications such as wireless power transmitters. (Image source: Microchip Technology)
Based on a Microchip Technology single-core dsPIC33CK256MP506 DSC, the reference design uses the DSC’s integrated capabilities for implementing a digital control loop. Although this design is based on a full-bridge topology rather than the half-bridge used in the resonant converter mentioned above, the device’s multiple PWMs easily meet this additional requirement.
Wireless power transmitters typically provide multiple radio frequency (RF) coils for transmitting power, and in this design, the bridge inverter is connected through a multiplexer (MUX) to one of three coils. Like the full-bridge inverter and voltage conditioning front-end, this design takes full advantage of the dsPIC33’s integrated peripherals to manage coil MUX switching.
Besides controlling Microchip’s MIC4605 and MP14700 gate drivers, the dsPIC33 peripherals:
- Control power indicator light-emitting diodes (LEDs) through a Microchip MCP23008 I/O expander
- Provide USB connectivity through a Microchip MCP2221A USB bridge device
- Support WPC-compliant secure storage through a Microchip ATECC608 authentication device that Microchip provisions as a licensed WPC manufacturer Certificate Authority (CA)
- Provide ISO 2622 functional safety ready CAN connectivity through a Microchip ATA6563 CAN flexible data-rate (FD) device
In addition, the reference design uses Microchip’s MCP16331 buck converter and MCP1755 linear regulator to support auxiliary battery power.
Using this relatively small BOM, the reference design provides a Qi-ready solution that has all the key features of a wireless power system including high efficiency, expanded charging area, useful Z distance (distance between transmitter and receiver), foreign object detection, and support for multiple fast-charge implementations used in leading smartphones. By building on this software-based design, developers can easily add capabilities such as proprietary communications protocols between transmitter and receiver, and wireless connectivity options such as Bluetooth, among others.
Implementing compact digital lighting solutions
The integrated functionality of dsPIC33 devices is particularly important in automotive and e-mobility applications that require the addition of some sophisticated feature without disturbing the lines of the vehicle. The availability of high-intensity LEDs has enabled vehicle manufacturers to bring a greater design sense to exterior headlights and interior lighting.
Developers of these lighting subsystems, however, must typically squeeze more functionality into smaller packages while supporting industry standards like DMX, which provides a common communications protocol for controlling chains of lighting devices. Like the wireless power transmitter design mentioned above, a design for a compact digital lighting[4] solution takes advantage of the dsPIC33’s integrated peripherals (Figure 6).
Figure 6: Microchip Technology’s dsPIC33 DSCs let developers deliver complex designs with the minimal footprint and BOM required to embed functionality unobtrusively into vehicles. (Image source: Microchip Technology)
As with other digital power applications, this digital lighting design takes advantage of the dsPIC33’s integrated PWMs, analog comparators, and other peripherals to provide a complete, compact digital lighting solution. As with the design applications mentioned above, this digital lighting solution relies on the dsPIC33 DSC’s processing power and ability for its peripherals to operate independently to monitor and control the required set of external devices including power devices, transceivers, LEDs, and more. Other Microchip design examples demonstrate the high-performance processing capability of dsPIC33 DSCs in handling more complex digital control algorithms and advanced motor control systems.
Implementing advanced motor control systems with a single dsPIC33 DSC
The performance of dsPIC33 DSCs lets developers use a single DSC to handle execution of the core digital control loop as well as various auxiliary functions. In fact, a Microchip dual-motor design[5] demonstrates implementation of sensorless, field-oriented control (FOC) of a pair of permanent magnet synchronous motors (PMSMs) using just one single-core dsPIC33CK DSC. The key to this design lies in phase-shifting PWM signals to the inverters for each motor control channel, motor control 1 (MC1) and motor control 2 (MC2) (Figure 7).
Figure 7: Because of its high-performance processing and integrated peripherals, one single-core dsPIC33CK DSC can support dual-motor control designs. (Image source: Microchip Technology)
In this approach, the dsPIC33CK’s PWMs are configured to generate the needed waveforms for each motor control channel and trigger separate ADCs at the optimum moment. When each ADC completes conversion, it issues an interrupt that causes the dsPIC333CK to execute the FOC algorithm for that set of readings.
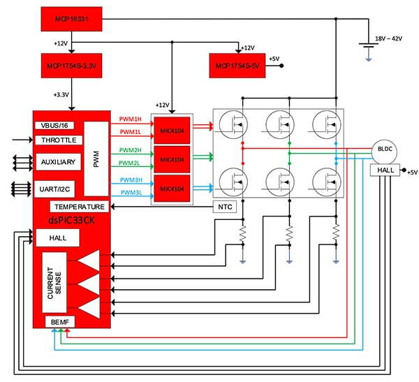
A single dsPI33CK DSC can also handle more robust motor control applications. In a reference design for a high-performance electric scooter (E-scooter), a dsPIC33CK controls the multiple FETs and Microchip MIC4104 gate drivers for a three-phase inverter that drives a brushless DC (BLDC) motor (Figure 8).
Figure 8: Using a single-core dsPIC33CK, developers can implement a robust e-scooter motor control subsystem with only a few additional components. (Image source: Microchip Technology)
The e-scooter reference design[6] supports both sensorless and sensor operating modes, as it has the ability to monitor the back electromotive force (BEMF) of the BLDC motor as well as Hall effect sensor output. Using an input voltage source from 18 to 24 volts, the design achieves 350-watt maximum output power.
In a further extension of this design[7], Microchip demonstrates the addition of regenerative braking used in EVs and HEVs to recover energy as the motor generates BEMF at voltage levels higher than the vehicle’s battery supply. Here, the augmented design uses an additional dsPIC33CK pin to monitor the signal coming from the brake. When braking is detected, the dsPIC33CK first turns off the inverter high-side gates to boost the recovered electrical energy to a level higher than the DC bus voltage, and then turns off the low-side gates to allow current to flow back to the source.
Developers could scale this design to support greater functionality by replacing the single-core dsPIC33CK with a dual-core dsPIC33CH DSC. In such a design, one core could manage the BLDC motor control and regenerative braking functionality with minimal code changes, while the other could execute additional safety capabilities or high-level applications. Using the dual-core dsPIC33CH, motor control development teams and application development teams could work separately, and seamlessly integrate their control for execution on the DSC.
For custom motor control designs, Microchip’s motorBench Development Suite provides a graphical user interface (GUI) toolset that helps developers more accurately measure critical motor parameters, tune control loops, and generate source build on Microchip's Motor Control Application Framework (MCAF) and Motor Control Library.
Conclusion
Using Microchip Technology’s dsPIC33 DSCs, developers need relatively few additional components to implement a broad range of digital power designs for conventional automotive and e-mobility applications. Backed by a rich set of software tools and reference designs, single-core and dual-core dsPIC33 DSCs provide a scalable platform for rapidly developing optimized solutions for power conversion, wireless charging, lighting, and motor control, among others.
References:
- Dr. H. Proff et al, 2020. Software is transforming the automotive world. Deloitte Insights.
- https://www.microchip.com/en-us/development-tool/DC/DC-llc-resonant-converter
- https://www.microchip.com/en-us/solutions/power-management-and-conversion/intelligent-power/wireless-power/15w-multi-coil-wireless-power-transmitter
- https://www.microchip.com/en-us/solutions/power-management-and-conversion/intelligent-power/digital-lighting-control-and-drivers
- Dual Motor Control with the dsPIC33CK White Paper
- http://aem-origin.microchip.com/en-us/solutions/motor-control-and-drive/applications-and-reference-designs/e-scooter-reference-design
- https://www.microchip.com/en-us/application-notes/an4064
Disclaimer: The opinions, beliefs, and viewpoints expressed by the various authors and/or forum participants on this website do not necessarily reflect the opinions, beliefs, and viewpoints of DigiKey or official policies of DigiKey.




