Deswgn Sample &
Toms Buy
RICHTEK
 
 
 
flflflfl
 
 
 
 
 
 
 
 
 
 
 
 
 
 
 
 
RICHTEK
 
RT8295A
®
DS8295A-04   October  2016 www.richtek.com
1
©
Copyright   2016 Richtek Technology Corporation. All rights reserved.                          is a registered trademark of Richtek Technology Corporation.
Design
Tools Sample &
Buy
Ordering Information
Note :
Richtek products are :
 RoHS compliant and compatible with the current require-
  ments of IPC/JEDEC J-STD-020.
 Suitable for use in SnPb or Pb-free soldering processes.
Pin Configurations
(TOP VIEW)
Applications
  Wireless AP/Router
Set-Top-Box
Industrial and Commercial Low Power Systems
LCD Monitors and TVs
Green Electronics/Appliances
Point of Load Regulation of High-Performance DSPs
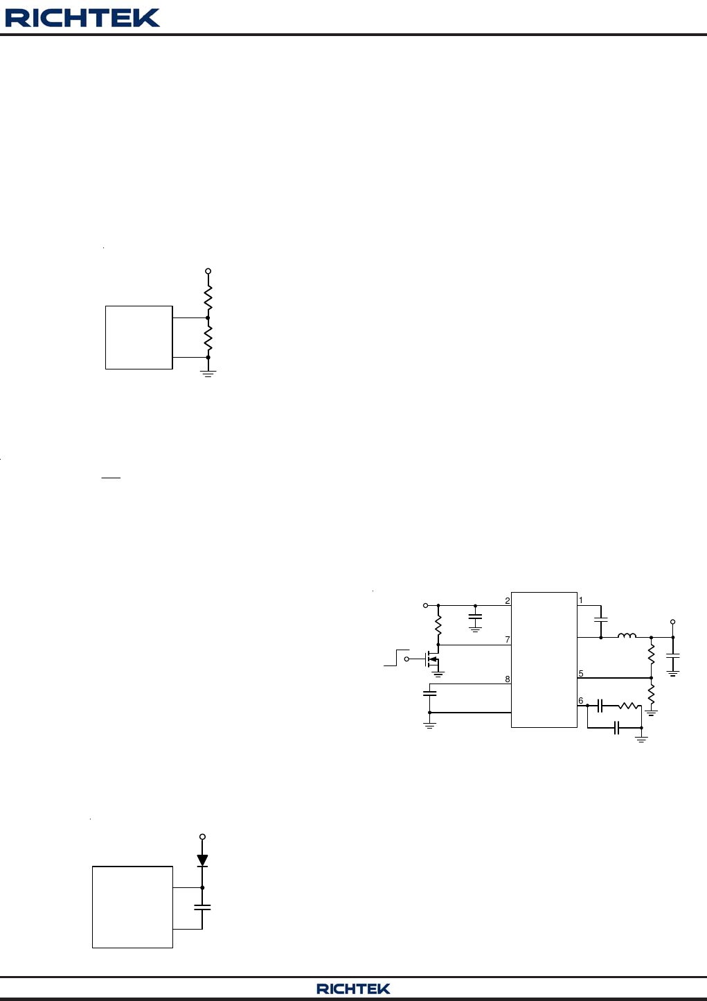
SOP-8 (Exposed Pad)
2A, 23V, 340kHz Synchronous Step-Down Converter
General Description
The RT8295A is a high efficiency, monolithic synchronous
step-down DC/DC converter that can deliver up to 2A
output current from a 4.5V to 23V input supply. The
RT8295A's current mode architecture and external
compensation allow the transient response to be
optimized over a wide range of loads and output capacitors.
Cycle-by-cycle current limit provides protection against
shorted outputs and soft-start eliminates input current
surge during start-up. The RT8295A also provides under
voltage protection and thermal shutdown prptection. The
low current (<3μA) shutdown mode provides output
disconnection, enabling easy power management in
battery-powered systems. The RT8295A is available in a
SOP-8 (Exposed Pad) package.
Features
 ±±
±±
±1.5% High Accuracy Feedback Voltage
 4.5V to 23V Input Voltage Range
 2A Output Current
 Integrated N-MOSFET Switches
 Current Mode Control
 Fixed Frequency Operation : 340kHz
 Adjustable Output  from 0.8V to 20V
 Up to 95% Efficiency
 Programmable Soft-Start
 Stable with Low-ESR Ceramic Output Capacitors
 Cycle-by-Cycle Over Current Protection
 Input Under Voltage Lockout
 Output Under Voltage Protection
 Thermal Shutdown Protection
 RoHS Compliant and Halogen Free
BOOT
VIN
SW
GND
SS
EN
FB
COMP
GND
2
3
45
6
7
8
9
Marking Information
RT8295AxGSP : Product Number
x : H or L
YMDNN : Date Code
RT8295AxZSP : Product Number
x : H or L
YMDNN : Date Code
RT8295Ax
GSPYMDNN
RT8295Ax
ZSPYMDNN
RT8295AxGSP RT8295AxZSP
Package Type
SP : SOP-8 (Exposed Pad-Option 1)
RT8295A
Lead Plating System
G : Green (Halogen Free and Pb Free)
Z : ECO (Ecological Element with   
      Halogen Free and Pb free)
H : UVP Hiccup
L : UVP Latch-Off
RICHTEK
 
 
‘le—
 
 
 
 
 
 
 
 
 
 
 
 
 
 
 
 
 
 
 
 
 
 
 
RICHTEK
RT8295A
2
DS8295A-04   October  2016www.richtek.com
©
Copyright   2016 Richtek Technology Corporation. All rights reserved.                          is a registered trademark of Richtek Technology Corporation.
Functional Pin Description
  Pin No.  Pin Name  Pin Function 
1 BOOT 
Bootstrap for high side gate driver. Connect a 0.1F or greater ceramic 
capacitor from BOOT to SW pins. 
2 VIN 
Input Supply Voltage, 4.5V to 23V. Must bypass with a suitably large ceramic 
capacitor. 
3  SW  Phase Node. Connect this pin to an external L-C filter. 
4,  
9 (Exposed Pad)  GND  Ground. The exposed pad must be soldered to a large PCB and connected to 
GND for maximum power dissipation. 
5 FB 
Feedback Input. This pin is connected to the converter output. It is used to set 
the output of the converter to regulate to the desired value via an internal 
resistive voltage divider. For an adjustable output, an external resistive 
voltage divider is connected to this pin. 
6 COMP 
Compensation Node. COMP is used to compensate the regulation control 
loop. Connect a series RC network from COMP to GND. In some cases, an 
additional capacitor from COMP to GND is required.   
7 EN 
Chip Enable (Active High). A logic high enables the converter; a logic low 
forces the RT8295A into shutdown mode reducing the supply current to less 
than 3A. Attach this pin to VIN with a 100k pull up resistor for automatic 
startup. 
8 SS Soft-Start Control Input. SS controls the soft-start period. Connect a capacitor 
from SS to GND to set the soft-start period. A 0.1F capacitor sets the 
soft-start period to 13.5ms. 
Typical Application Circuit
VOUT (V)  R1 (k) R2 (k) RC (k) CC (nF)  L (H) COUT (F) 
8  27  3  27  3.3  22  22 x 2 
5  62  11.8  20  3.3  15  22 x 2 
3.3 75 24 13 3.3 10 22 x 2 
2.5  25.5  12  9.1  3.3  6.8  22 x 2 
1.5  10.5  12  4.7  3.3  3.6  22 x 2 
1.2  12  24  3.6  3.3  3.6  22 x 2 
1  3  12  3  3.3  2  22 x 2 
Table 1. Recommended Component Selection
VIN
EN
GND
BOOT
FB
SW
7
5
2
3
1
L
10µH
100nF
22µF x 2
R1
75k
R2
24k
VOUT
3.3V/2A
10µF 
VIN
4.5V to 23V RT8295A
SS
8
CSS
COMP
CC
3.3nF RC
13k
CP
Open
6
4, 9 (Exposed Pad)
CBOOT
CIN
0.1µF
COUT
REN 100k
RICHTEK
 
 
 
 
 
 
 
 
 
 
 
 
 
 
 
 
 
 
 
_@
 
 
 
 
 
 
 
 
 
 
 
 
 
 
 
 
 
iii FR
 
 
 
 
 
RICHTEK
 
RT8295A
3
DS8295A-04   October  2016 www.richtek.com
©
Copyright   2016 Richtek Technology Corporation. All rights reserved.                          is a registered trademark of Richtek Technology Corporation.
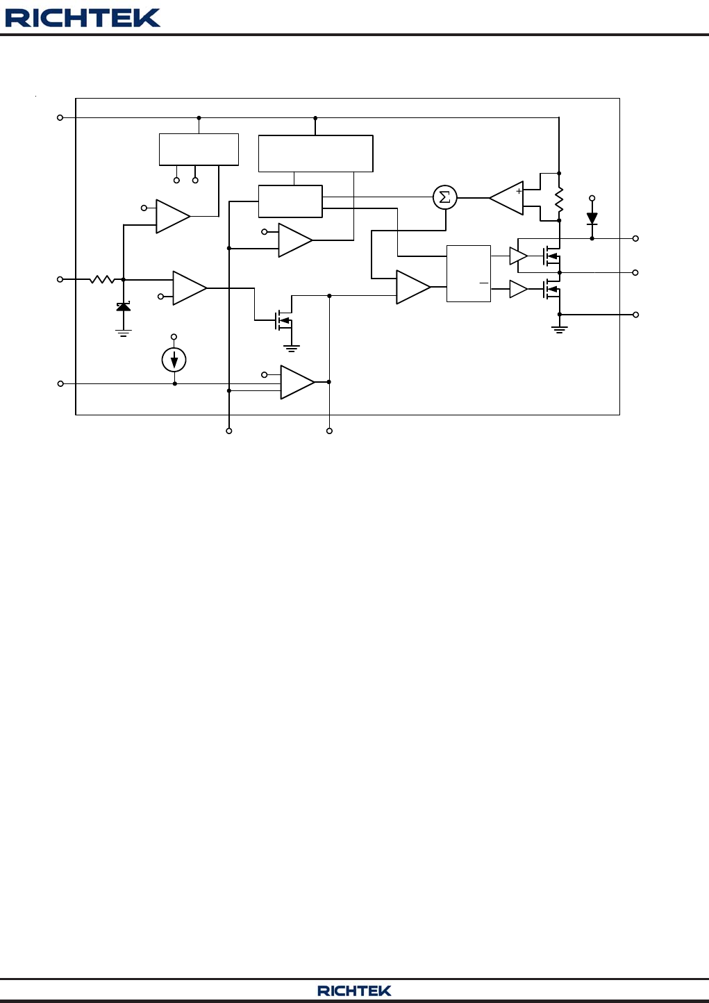
Function Block Diagram
VA
+
-
+
-
+
-
UV 
Comparator
Oscillator
Foldback 
Control
0.4V
Internal 
Regulator 
+
-
2.7V
Shutdown 
Comparator 
Current Sense 
Amplifier
BOOT
VIN
GND
SW
FB
EN
COMP
3V
5k
VA VCC
6µA
Slope Comp
Current 
Comparator
+
-EA
0.8V
S
R
Q
Q
SS
+
-
1.2V
Lockout 
Comparator 
VCC
+
130m
130m
RICHTEK
 
 
 
 
 
 
 
 
 
 
 
 
 
 
 
 
 
 
 
 
 
 
 
 
 
RICHTEK
 
RT8295A
4
DS8295A-04   October  2016www.richtek.com
©
Copyright   2016 Richtek Technology Corporation. All rights reserved.                          is a registered trademark of Richtek Technology Corporation.
Electrical Characteristics
(VIN = 12V, TA = 25°C, unless otherwise specified)
Absolute Maximum Ratings   (Note 1)
Supply Voltage, VIN ------------------------------------------------------------------------------------------------ −0.3V to 25V
Input Voltage, SW -------------------------------------------------------------------------------------------------- −0.3V to (VIN + 0.3V)
VBOOT − VSW --------------------------------------------------------------------------------------------------------- −0.3V to  6V
  All Other Pin Voltages -------------------------------------------------------------------------------------------- −0.3V to 6V
Power  Dissipation, PD @ TA = 25°C
SOP-8 (Exposed Pad) -------------------------------------------------------------------------------------------- 1.333W
Package Thermal Resistance   (Note 2)
SOP-8 (Exposed Pad), θJA --------------------------------------------------------------------------------------- 75°C/W
SOP-8 (Εxposed Pad), θJC -------------------------------------------------------------------------------------- 15°C/W
Lead Temperature (Soldering, 10 sec.)------------------------------------------------------------------------ 260°C
Junction Temperature ---------------------------------------------------------------------------------------------- 150°C
Storage Temperature Range ------------------------------------------------------------------------------------- −65°C to 150°C
ESD Susceptibility   (Note 3)
HBM (Human Body Mode) --------------------------------------------------------------------------------------- 2kV
MM (Machine Mode) ----------------------------------------------------------------------------------------------- 200V
Recommended Operating Conditions   (Note 4)
Supply Voltage, VIN ------------------------------------------------------------------------------------------------ 4.5V to 23V
Junction Temperature Range ------------------------------------------------------------------------------------- −40°C to 125°C
Ambient Temperature Range------------------------------------------------------------------------------------- −40°C to 85°C
Parameter Symbol  Test Conditions  Min Typ Max Unit 
Shutdown Supply Current    VEN = 0V  --  0.5  3  A 
Supply Current    VEN = 3 V, VFB = 0.9V  --  0.8  1.2  mA 
Feedback Voltage  VFB 4.5V  VIN 23V  0.788 0.8 0.812  V 
Error Amplifier 
Transconductance  GEA IC = ± 10A  -- 940 -- A/V 
High Side Switch On 
Resistance  RDS(ON)1   -- 130 -- m 
Low Side Switch 
On-Resistance  RDS(ON)2   -- 130 -- m 
High Side Switch Leakage 
Current   V
EN = 0V, VSW = 0V  --  0  10  A 
Upper Switch Current Limit    Min. Duty Cycle, VBOOT  VSW  = 4.8V -- 4.3 --  A 
COMP to Current Sense 
Transconductance  GCS   -- 4 -- A/V 
Oscillation Frequency    fOSC1    300 340 380 kHz 
Short Circuit Oscillation 
Frequency  fOSC2 V
FB = 0V  -- 100 -- kHz 
Maximum Duty Cycle  DMAX V
FB = 0.7V  -- 93 -- % 
Minimum On Time    tON    -- 100 --  ns 
RICHTEK
 
 
 
RICHTEK
 
RT8295A
5
DS8295A-04   October  2016 www.richtek.com
©
Copyright   2016 Richtek Technology Corporation. All rights reserved.                          is a registered trademark of Richtek Technology Corporation.
Parameter Symbol Test Conditions Min Typ Max Unit 
Logic-High VIH    2.7 -- 5.5 
EN Input Threshold 
Voltage  Logic-Low VIL   -- -- 0.4 
V 
Input Under Voltage Lockout Threshold  VUVLO V
IN Rising  3.8  4.2  4.5  V 
Input Under Voltage Lockout Hysteresis  VUVLO   -- 320 -- mV 
Soft-Start Current  ISS V
SS = 0V  -- 6 -- A 
Soft-Start Period  tSS C
SS = 0.1F -- 13.5 -- ms 
Thermal Shutdown  TSD   -- 150  -- C 
Note 1. Stresses listed as the above "Absolute Maximum Ratings" may cause permanent damage to the device. These are for
stress ratings. Functional operation of the device at these or any other conditions beyond those indicated in the
operational sections of the specifications is not implied. Exposure to absolute maximum rating conditions for extended
periods may remain possibility to affect device reliability.
Note 2. θJA is measured in natural convection at TA  = 25°C on a high effective thermal conductivity four-layer test board of
JEDEC 51-7 thermal measurement standard.  The measurement case position of  θJC is on the exposed pad of the
package.
Note 3. Devices are ESD sensitive. Handling precaution is recommended.
Note 4. The device is not guaranteed to function outside its operating conditions.
RICHTEK
 
 
i W W
 
 
W H i I
 
 
 
RT8295A
6
DS8295A-04   October  2016www.richtek.com
©
Copyright   2016 Richtek Technology Corporation. All rights reserved.                          is a registered trademark of Richtek Technology Corporation.
Reference Voltage vs. Input Voltage
0.780
0.785
0.790
0.795
0.800
0.805
0.810
0.815
0.820
4 6 8 1012141618202224
Input Voltage (V)
Reference Voltage (V)
Reference Voltage vs. Temperature
0.780
0.785
0.790
0.795
0.800
0.805
0.810
0.815
0.820
-50 -25 0 25 50 75 100 125
Temperature (C)
Reference Voltage (V)
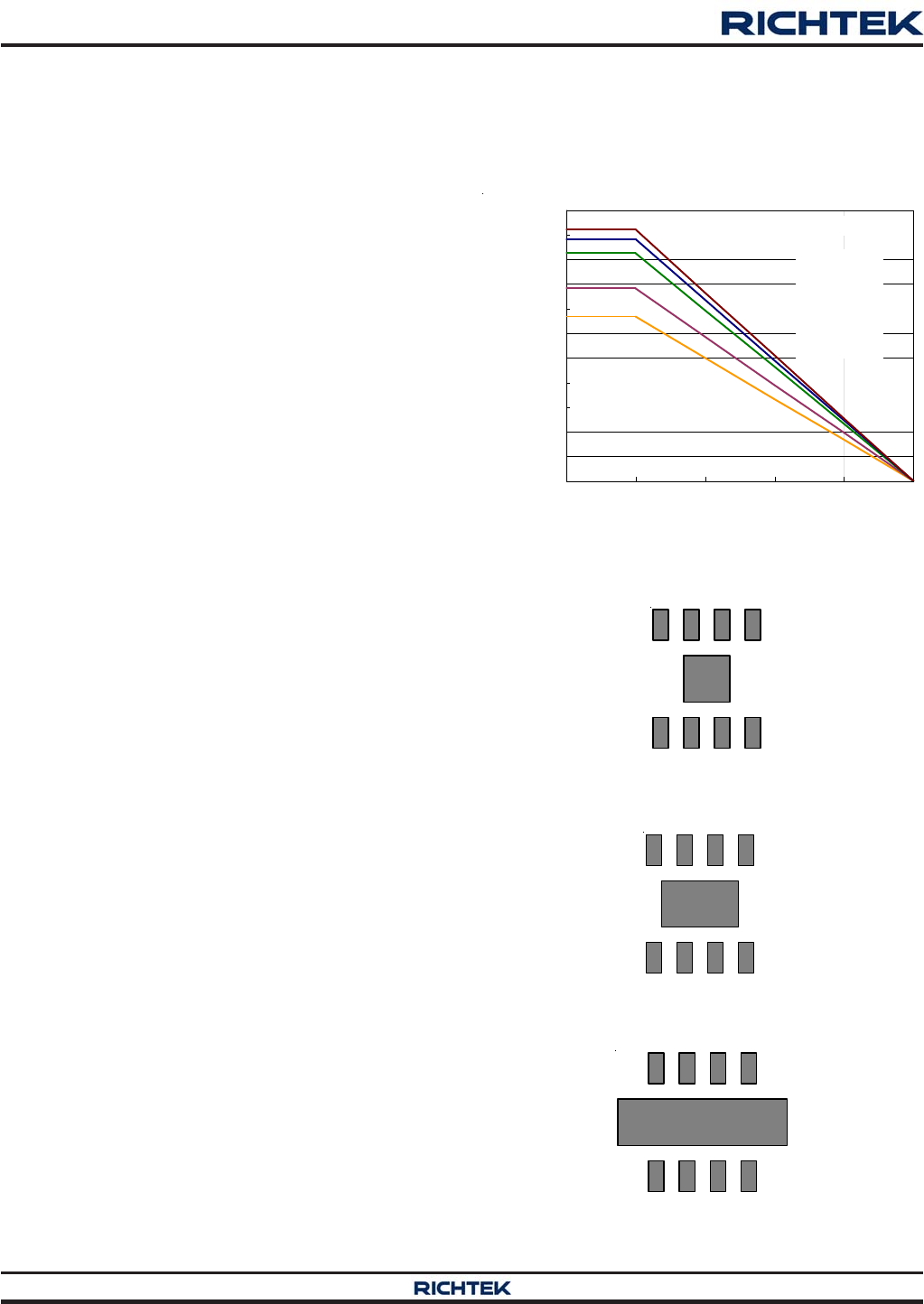
Typical Operating Characteristics
Efficiency vs. Output Current
0
10
20
30
40
50
60
70
80
90
100
0.01 0.1 1 10
Output Current (A)
Efficiency (%)
VIN = 4.5V
VIN = 12V
VIN = 23V
VOUT = 3.3V
Switching Frequency vs. Temperature
300
310
320
330
340
350
360
370
380
-50 -25 0 25 50 75 100 125
Temperature (C)
Switching Frequency (kHz) 1
VIN = 12V, VOUT = 3.3V, IOUT = 0.5A
Switching Frequency vs. Input Voltage
300
310
320
330
340
350
360
370
380
4 6 8 1012141618202224
Input Voltage (V)
Switching Frequency (kHz) 1
VOUT = 3.3V, IOUT = 0.5A
Output Voltage vs. Output Current
3.20
3.22
3.24
3.26
3.28
3.30
3.32
3.34
3.36
3.38
3.40
0 0.2 0.4 0.6 0.8 1 1.2 1.4 1.6 1.8 2
Output Current (A)
Output Voltage (V)
VOUT = 3.3V, IOUT = 0V to 2A
VIN = 4.5V
VIN = 12V
VIN = 23V
RICHTEK
 
 
 
V.
 
 
 
FJ
 
“vi
L
 
 
,) WW
1 m m
W”W
q M n
 
WIN
 
W
WWW
 
 
 
 
 
ng ‘ ‘ Lg”
 
 
 
 
 
r> WWMM.WV€
WHWWH’
 
 
 
 
*WL “1“”me
 
RICHTEK
RT8295A
7
DS8295A-04   October  2016 www.richtek.com
©
Copyright   2016 Richtek Technology Corporation. All rights reserved.                          is a registered trademark of Richtek Technology Corporation.
Output Current Limit vs. Input Voltage
2.0
2.5
3.0
3.5
4.0
4.5
5.0
5.5
6.0
4 6 8 1012141618202224
Input Voltage (V)
Output Current Limit (A
)
VOUT = 3.3V
Load Transient Response
Time (100μs/Div)
VIN = 12V, VOUT = 3.3V, IOUT = 0.1A  to 2A
IOUT
(1A/Div)
VOUT
(100mV/Div)
Output Voltage Ripple
Time (2.5μs/Div)
IL
(1A/Div)
VOUT
(10mV/Div)
VSW
(10V/Div)
VIN = 12V, VOUT = 3.3V, IOUT = 1A
Output Voltage Ripple
Time (2.5μs/Div)
VIN = 12V, VOUT = 3.3V, IOUT = 2A
IL
(1A/Div)
VOUT
(10mV/Div)
VSW
(10V/Div)
Load Transient Response
Time (100μs/Div)
VIN = 12V, VOUT = 3.3V, IOUT = 1A  to 2A
IOUT
(1A/Div)
VOUT
(100mV/Div)
Current Limit vs. Temperature
3.0
3.5
4.0
4.5
5.0
5.5
6.0
-50 -25 0 25 50 75 100 125
Temperature (C)
Current Limit (A)
VIN = 12V, VOUT = 3.3V
RICHTEK
 
 
 
 
 
 
 
 
 
 
 
 
 
 
 
 
 
 
 
 
 
 
 
 
 
jVJVJ
 
 
 
 
RICHTEK
 
RT8295A
8
DS8295A-04   October  2016www.richtek.com
©
Copyright   2016 Richtek Technology Corporation. All rights reserved.                          is a registered trademark of Richtek Technology Corporation.
Power On from VIN
Time (5ms/Div)
VIN = 12V, VOUT = 3.3V, IOUT = 2A
IL
(2A/Div)
VOUT
(2V/Div)
VIN
(5V/Div)
Power Off from VIN
Time (50ms/Div)
VIN = 12V, VOUT = 3.3V, IOUT = 2A
IL
(2A/Div)
VOUT
(2V/Div)
VIN
(5V/Div)
Power On from EN
Time (5ms/Div)
VIN = 12V, VOUT = 3.3V, IOUT = 2A
VOUT
(2V/Div)
VEN
(5V/Div)
IL
(2A/Div)
Power Off from EN
Time (5ms/Div)
VOUT
(2V/Div)
VEN
(5V/Div)
IL
(2A/Div)
VIN = 12V, VOUT = 3.3V, IOUT = 2A
RICHTEK
 
 
 
 
 
w—H
 
 
 
 
 
 
 
i J_
fHa 5
7 5
1—, 7w,
 
 
RICHTEK
RT8295A
9
DS8295A-04   October  2016 www.richtek.com
©
Copyright   2016 Richtek Technology Corporation. All rights reserved.                          is a registered trademark of Richtek Technology Corporation.
Application Information
The RT8295A is a synchronous high voltage buck converter
that can support an input voltage range from 4.5V to 23V
while providing output current up to 2A.
Output Voltage Setting
The resistive voltage divider allows the FB pin to sense
the output voltage as shown in Figure 1.
Figure 1. Output Voltage Setting
The output voltage is set by an external resistive voltage
divider according to the following equation :
OUT FB R1
V = V1
R2
where VFB is the feedback reference voltage (0.8V typ.).
External Bootstrap Diode
Connect a 100nF low ESR ceramic capacitor between
the BOOT pin and SW pin. This capacitor provides the
gate driver voltage for the high side MOSFET.
It is recommended to add an external bootstrap diode
between an external 5V and BOOT pin for efficiency
improvement when input voltage is lower than 5.5V or duty
ratio is higher than 65% .The bootstrap diode can be a
low cost one such as IN4148 or BAT54. The external 5V
can be a 5V fixed input from system or a 5V output of the
RT8295A. Note that the external boot voltage must be
lower than 5.5V.
Figure 2. External Bootstrap Diode
Soft-Start
The RT8295A contains an external soft-start clamp that
gradually raises the output voltage. The soft-start timing
can be programmed by the external capacitor between
SS pin and GND. The chip provides a 6μA charge current
for  the external capacitor. If 0.1μF capacitor is used to
set the soft-start, the period will be 13.5ms (typ.).
Chip Enable Operation
The EN pin is the chip enable input. Pulling the EN pin
low (<0.4V) will shut down the device. During shutdown
mode, the RT8295A quiescent current drops below 3μA.
Driving the EN pin high (>2.7V, < 5.5V) will turn on the
device again. For external timing control (e.g.RC), the EN
pin can also be externally pulled high by adding a REN*
resistor and CEN* capacitor from the VIN pin
(see Figure 5).
An external MOSFET can be added to implement digital
control on the EN pin when no system voltage above 2.5V
is available, as shown in Figure 3. In this case, a 100kΩ
pull-up resistor, REN, is connected between VIN and the
EN pin. MOSFET Q1 will be under logic control to pull
down the EN pin.
Figure 3. Enable Control Circuit for Logic Control with
Low Voltage
To prevent enabling circuit when VIN is smaller than the
VOUT target value, a resistive voltage divider can be placed
between the input voltage and ground and connected to
the EN pin to adjust IC lockout threshold, as shown in
Figure 4. For example, if an 8V output voltage is regulated
from a 12V input voltage, the resistor ,REN2, can be
selected to set input lockout threshold larger than 8V.
RT8295A
GND
FB
R1
R2
VOUT
SW
BOOT
5V
RT8295A 100nF
VIN
EN
GND
BOOT
FB
SW
7
5
2
3
1
L
R1
R2
VOUT
Chip Enable 
VIN
RT8295A
SS
8
CSS COMP
CCRC
CP
6
CBOOT
COUT
CIN
REN
Q1
100k
4,
9 (Exposed Pad)
 
 
 
 
 
 
 
f J.
T 7
= 8 5
I— 5 :>—«w1_
RICHTEK
 
 
 
 
 
 
 
 
 
 
RICHTEK
RT8295A
10
DS8295A-04   October  2016www.richtek.com
©
Copyright   2016 Richtek Technology Corporation. All rights reserved.                          is a registered trademark of Richtek Technology Corporation.
Having a lower ripple current reduces not only the ESR
losses in the output capacitors but also the output voltage
ripple. High frequency with small ripple current can achieve
highest efficiency operation. However, it requires a large
inductor to achieve this goal.
For the ripple current selection, the value of ΔIL = 0.24 (IMAX)
will be a reasonable starting point. The largest ripple
current occurs at the highest VIN. To guarantee that the
OUT OUT
L(MAX) IN(MAX)
VV
L = 1
fI V
 
 
 
The inductor's current rating (caused a 40°C temperature
rising from 25°C ambient) should be greater than the
maximum load current and its saturation current should
be greater than the short circuit peak current limit. Please
see Table 2 for the inductor selection reference.
Table 2. Suggested Inductors for Typical
Application Circuit
Component 
Supplier Series Dimensions 
(mm) 
TDK  VLF10045  10 x 9.7 x 4.5 
TDK  SLF12565  12.5 x 12.5 x 6.5 
TAIYO 
YUDEN   NR8040  8 x 8 x 4 
OUT IN
RMS OUT(MAX) IN OUT
VV
I = I 1
VV
This formula has a maximum at VIN = 2VOUT, where
IRMS  = IOUT/2. This simple worst-case condition is
commonly used for design because even significant
deviations do not offer much relief.
Choose a capacitor rated at a higher temperature than
required. Several capacitors may also be paralleled to
meet size or height requirements in the design.
For the input capacitor, one 10μF low  ESR ceramic
capacitors are recommended. For the recommended
capacitor, please refer to Table 3 for more detail.
The selection of COUT is determined by the required ESR
to minimize voltage ripple.
Moreover, the amount of bulk capacitance is also a key
for COUT selection to ensure that the control loop is stable.
Loop stability can be checked by viewing the load transient
CIN and COUT Selection
The input capacitance, CIN, is needed to filter the
trapezoidal current at the source of the high side MOSFET.
To prevent large ripple current, a low ESR input capacitor
sized for the maximum RMS current should be used. The
RMS current is given by :
OUT OUT
LIN
VV
I = 1
fL V
 
 
 
Hiccup Mode
For the RT8295AH, Hiccup Mode Under Voltage Protection
(UVP) is provided. When the FB voltage drops below half
of the feedback reference voltage, VFB, the UVP function
will be triggered and the RT8295AH will shut down for a
period of time and then recover automatically. The Hiccup
Mode UVP can reduce input current in short circuit
conditions.
Latch-Off Mode
For the RT8295AL, Latch-Off Mode Under Voltage
Protection (UVP) is provided. When the FB voltage drops
below half of the feedback reference voltage, VFB, UVP
will be triggered and the RT8295AL will shut down in Latch-
Off Mode. In shutdown condition, the RT8295AL can be
reset via the the EN pin or power input VIN.
Inductor Selection
The inductor value and operating frequency determine the
ripple current according to a specific input and output
voltage. The ripple current ΔIL increases with higher VIN
and decreases with higher inductance.
Figure 4. The Resistors can be Selected to Set IC
Lockout Threshold.
ripple current stays below the specified maximum, the
inductor value should be chosen according to the following
equation :
VIN
EN
GND
BOOT
FB
SW
7
5
2
3
1
L
R1
R2
VOUT
VIN
RT8295A
SS
8
CSS COMP
CCRC
CP
6
CBOOT
COUT
CIN
100k
8V
12V
REN2
REN1 10µF
4,
9 (Exposed Pad)
RICHTEK
 
 
 
 
 
 
 
 
 
 
 
RICHTEK
RT8295A
11
DS8295A-04   October  2016 www.richtek.com
©
Copyright   2016 Richtek Technology Corporation. All rights reserved.                          is a registered trademark of Richtek Technology Corporation.
OUT L OUT
1
VIESR
8fC
 
The output ripple will be highest at the maximum input
voltage since ΔIL increases with input voltage. Multiple
capacitors placed in parallel may be needed to meet the
ESR and RMS current handling requirement. Dry tantalum,
special polymer, aluminum electrolytic and ceramic
capacitors are all available in surface mount
packages.Special polymer capacitors offer very low ESR
value. However, it provides lower capacitance density than
other types. Although Tantalum capacitors have the highest
capacitance density, it is important to only use types that
pass the surge test for use in switching power supplies.
Aluminum electrolytic capacitors have significantly higher
ESR. However, it can be used in cost-sensitive applications
for ripple current rating and long term reliability
considerations. Ceramic capacitors have excellent low
ESR characteristics but can have a high voltage coefficient
and audible piezoelectric effects. The high Q of ceramic
capacitors with trace inductance can also lead to significant
ringing.
Higher values, lower cost ceramic capacitors are now
becoming available in smaller case sizes. Their high ripple
current, high voltage rating and low ESR make them ideal
for switching regulator applications. However, care must
be taken when these capacitors are used at input and
output. When a ceramic capacitor is used at the input
and the power is supplied by a wall adapter through long
wires, a load step at the output can induce ringing at the
response as described in a later section.
The output ripple, ΔVOUT , is determined by :
input, VIN. At best, this ringing can couple to the output
and be mistaken as loop instability. At worst, a sudden
inrush of current through the long wires can potentially
cause a voltage spike at VIN large enough to damage the
part.
Checking Transient Response
The regulator loop response can be checked by looking
at the load transient response. Switching regulators take
several cycles to respond to a step in load current. When
a load step occurs, VOUT  immediately shifts by an amount
equal to ΔILOAD (ESR) and COUT also begins to be charged
or discharged to  generate a feedback error signal for the
regulator to return VOUT  to its steady-state value. During
this recovery time, VOUT can be monitored for overshoot or
ringing that would indicate a stability problem.
EMI Consideration
Since parasitic inductance and capacitance effects in PCB
circuitry would cause a spike voltage on SW pin when
high side MOSFET is turned-on/off, this spike voltage on
SW may impact on EMI performance in the system. In
order to enhance EMI performance, there are two methods
to suppress the spike voltage. One way is by placing an
R-C snubber between SW and GND and locating them as
close as possible to the SW pin (see Figure 5). Another
method is by adding a resistor in series with the bootstrap
capacitor, CBOOT, but this method will decrease the driving
capability to the high side MOSFET. It is strongly
recommended to reserve the R-C snubber during PCB
layout for EMI improvement. Moreover, reducing the SW
trace area and keeping the main power in a small loop will
be helpful on EMI performance. For detailed PCB layout
guide, please refer to the section Layout Considerations.
Figure 5. Reference Circuit with Snubber and Enable Timing Control
VIN
EN
GND
BOOT
FB
SW
7
5
2
3
1
L
10µH
100nF
22µFx2
R1
75k
R2
24k
VOUT
3.3V/2A
10µF 
Chip Enable 
VIN
4.5V to 23V
RT8295A
SS
8
CSS
0.1µF
COMP
CC
3.3nF RC
13k
CP
NC
6
4,
9 (Exposed Pad)
CBOOT
COUT
CIN
RBOOT*
RS*
CS*
REN*
CEN*
* : Optional
RICHTEK
 
 
 
RICHTEK
 
RT8295A
12
DS8295A-04   October  2016www.richtek.com
©
Copyright   2016 Richtek Technology Corporation. All rights reserved.                          is a registered trademark of Richtek Technology Corporation.
Figure 7. Derating Curves for RT8295A Package
(a) Copper Area = (2.3 x 2.3) mm2, θJA  = 75°C/W
(b) Copper Area = 10mm2, θJA  = 64°C/W
(c) Copper Area = 30mm2 , θJA  = 54°C/W
Thermal Considerations
For continuous operation, do not exceed the maximum
operation junction temperature 125°C. The maximum
power dissipation depends on the thermal resistance of
IC package, PCB layout, the rate of surroundings airflow
and temperature difference between junction to ambient.
The maximum power dissipation can be calculated by
following formula :
PD(MAX) = (TJ(MAX) − TA ) / θJA
where TJ(MAX) is the maximum operation junction
temperature , TA  is the ambient temperature and the θJA is
the junction to ambient thermal resistance.
For recommended operating conditions specification of
RT8295A, the maximum junction temperature is 125°C.
The junction to ambient thermal resistance θJA is layout
dependent. For SOP-8(Exposed Pad) package, the
thermal resistance θJA is 75°C/W on the standard JEDEC
51-7 four-layers thermal test board. The maximum power
dissipation at  TA = 25°C can be calculated by following
formula :
PD(MAX)  = (125°C − 25°C) / (75°C/W)  = 1.333W
(min.copper area PCB layout)
PD(MAX)  = (125°C  − 25°C) / (49°C/W) = 2.04W
(70mm2 copper area PCB layout)
The thermal resistance θJA of SOP-8 (Exposed Pad) is
determined by the package architecture design and the
PCB layout design. However, the package architecture
design had been designed. If possible,  it's useful to
increase thermal performance by the PCB layout copper
design. The thermal resistance θJA can be decreased by
adding copper area under the exposed pad of SOP-8
(Exposed Pad) package.
As shown in Figure 6, the amount of copper area to which
the SOP-8 (Exposed Pad) is mounted affects thermal
performance. When mounted to the standard
SOP-8 (Exposed Pad) pad (Figure 6.a), θJA is 75°C/W.
Adding copper area of pad under the SOP-8 (Exposed
Pad)  (Figure 6.b) reduces the θJA  to 64°C/W. Even further
increasing the copper area of pad to 70mm2 (Figure 6.e)
reduces the θJA  to 49°C/W.
The maximum power dissipation depends on operating
ambient temperature for fixed TJ(MAX) and thermal
resistance θJA. For RT8295A package, the  derating curves
in Figure 7 allow the designer to see the effect of rising
ambient temperature on the maximum power dissipation .
0.0
0.2
0.4
0.6
0.8
1.0
1.2
1.4
1.6
1.8
2.0
2.2
0 25 50 75 100 125
Ambient Temperature (°C)
Power Dissipation (W)
 Copper Area
  70mm2
  50mm2
  30mm2
  10mm2
  Min.Layout
Four Layer PCB
RICHTEK
 
     
 
 
HHHH
 
 
 
 
DUDE
 
 
 
 
 
 
 
 
 
 
 
 
 
 
 
 
 
RICHTEK
 
RT8295A
13
DS8295A-04   October  2016 www.richtek.com
©
Copyright   2016 Richtek Technology Corporation. All rights reserved.                          is a registered trademark of Richtek Technology Corporation.
(d) Copper Area = 50mm2 , θJA  = 51°C/W (e) Copper Area = 70mm2 , θJA  = 49°C/W
Figure 6. Themal Resistance vs. Copper Area Layout Design
Figure 8. PCB Layout Guide
Table 3. Suggested Capacitors for CIN and COUT
Location Component Supplier Part No. Capacitance (F) Case Size 
CIN MURATA   GRM31CR61E106K 10  1206 
CIN TDK  C3225X5R1E106K 10  1206 
CIN TAIYO YUDEN  TMK316BJ106ML 10  1206 
COUT MURATA  GRM31CR60J476M 47  1206 
COUT TDK  C3225X5R0J476M 47  1210 
COUT MURATA  GRM32ER71C226M 22  1210 
COUT TDK  C3225X5R1C22M 22  1210 
Layout Considerations
For best performance of the RT8295A, the following layout giidelines must be strictly followed.
Input capacitor must be placed as close to the IC as possible.
SW should be connected to inductor by wide and short trace. Keep sensitive components away from this trace.
The feedback components must be connected as close to the device as possible
VIN
VOUT
GND
GND
CP
CC
RC
SW
VOUT
COUT
L
R1
R2
Input capacitor must 
be placed  as close 
to the IC as possible.
SW should be connected to inductor by 
wide and short trace. Keep sensitive 
components away from this trace.
The feedback components 
must be connected as close 
to the device as possible.
BOOT
VIN
SW
GND
SS
EN
FB
COMP
GND
2
3
45
6
7
8
9
CSS
RSCS
GND
VIN
REN
CIN
RICHTEK
 
 
’H‘
 
 
 
 
 
WSW @
Lmji
Lguuui
 
 
 
 
 
 
RT8295A
14
DS8295A-04   October  2016www.richtek.com
Richtek Technology Corporation
14F, No. 8, Tai Yuen 1st Street, Chupei City
Hsinchu, Taiwan, R.O.C.
Tel: (8863)5526789
Richtek products are sold by description only. Richtek reserves the right to change the circuitry and/or specifications without notice at any time. Customers should
obtain the latest relevant information and data sheets before placing orders and should verify that such information is current and complete. Richtek cannot
assume responsibility for use of any circuitry other than circuitry entirely embodied in a Richtek product. Information furnished by Richtek is believed to be
accurate and reliable. However, no responsibility is assumed by Richtek or its subsidiaries for its use; nor for any infringements of patents or other rights of third
parties which may result from its use. No license is granted by implication or otherwise under any patent or patent rights of Richtek or its subsidiaries.
Outline Dimension
A
B
J
F
H
M
C
D
I
Y
X
EXPOSED THERMAL PAD
(Bottom of Package)
8-Lead SOP (Exposed Pad) Plastic Package
Dimensions In Millimeters  Dimensions In Inches 
Symbol  Min Max Min Max 
A 4.801 5.004 0.189  0.197 
B  3.810 4.000 0.150 0.157 
C  1.346 1.753 0.053 0.069 
D  0.330 0.510 0.013 0.020 
F  1.194 1.346 0.047 0.053 
H  0.170 0.254 0.007 0.010 
I  0.000 0.152 0.000 0.006 
J  5.791 6.200 0.228 0.244 
M  0.406 1.270 0.016 0.050 
X 2.000 2.300 0.079 0.091 
Option 1  Y 2.000 2.300 0.079 0.091 
X 2.100 2.500 0.083 0.098 
Option 2  Y 3.000  3.500  0.118  0.138 
Products related to this Datasheet
IC REG BUCK ADJUSTABLE 2A 8SOP2
        
    IC REG BUCK ADJUSTABLE 2A 8SOP2
        
    IC REG BUCK ADJUSTABLE 2A 8SOP2
        
    EVAL MODULE FOR RT8295AHZSP
        
    IC REG BUCK ADJUSTABLE 2A 8SOP
        
    IC REG BUCK ADJUSTABLE 2A 8SOP
        
    IC REG BUCK ADJUSTABLE 2A 8SOP