track at the half of VDDQ. An internal power good voltage monitor
tracks VDDQ output and notifies the user whether the VDDQ output
is within target range. Protective features include soft—start
circuitries, undervoliage monitoring of Supply voltage, VDDQ
overcurrent protection, VDDQ overvoltage and undervoltage
protections, and thermal shutdown. The 1C is packaged in DFN—22.
Features
- Incorporates VDDQ, VTT Regulator, Buffered VREF
I Adjustable VDDQ Output
VTT and VREF Track VDDQ/2
Operates from Single 5.0 v Supply
Suppons VDDQ Conversion Rails from 4.5 v to 24 v
Power—saving Mode for High Efficiency at Light Load
Integrated Power FETs with VTT Regulator Sourcing/Sinking 1.5 A
DC and 2.4 A Peak Current
Requires Only 20 MF Ceramic Output Capacitor for VTT
Buffered Low Noise 15 mA VREF Output
All External Power MOSFETS are N—chlmnel
<5.0 ila="" current="" consumption="" during="" shutdown="" fixed="" switching="" frequency="" ot400="" khz="" soft—start="" protection="" for="" vddq="" and="" vtt="" undervoltage="" monitor="" of="" supply="" voltage="" overvollage="" protection="" and="" undervoltage="" protection="" for="" vddq="" shon—eireuit="" protection="" for="" vddq="" and="" vtl"="" thermal="" shutdown="" housed="" in="" dfn—22="" th'="" a="" pb—free="" device="" typical="" applications="" -="" notebook="" ddr/ddrz="" memory="" supply="" and="" termination="" voltage="" -="" active="" termination="" busses(sstl—18,="" sstl—2,="" sstl—3)="" m="" semtcnrtdtlctarcomponenlslndusltles="" ltc.2ao5="" 1="" december,="" 2005="" —="" rev.="" 0="" 0n="" semiconductor®="" case="" sugaf="" ncfszm="Specific" device="" code="" a="" e="" assembly="" location="" wl="" e="" water="" loi="" w="" e="" year="" ww="" e="" work="" week="" -="" e="" phefree="" package="" pin="" connections="" vddqen="" c.="" c="" pgn="" vtten="" :t="" —="" —="" —‘="" c="" seep="" ffwwi="" :i="" |="" i:="" 55="" :t="" k="" |="" c="" swo="" vtignd="" :t="" i="" |="" c="" tgdd="" vtt="" :l="" i="" |="" l:="" boo="" vtti="" :l="" i="" i="" l:="" 000="" fbvti="" :l="" i="" i="" l:="" pgo="" agnd="" :l="" i="" i="" l:="" v‘r'rn="" ddqref="" :l="" i______i="" l:="" fbdd="" vcca="" com="" 2'="" trap="" view)="" ':="" note.="" pin="" 23="" is="" the="" thermal="" pad="" on="" ihe="" bottom="" di="" the="" device,="" ordering="" information="" device="" package="" shippin="" ncpsmmnrze="" dfn722="" 250!)="" tape="" (pbefree)="" tfar="" intormation="" on="" tape="" and="" reel="" spectlicatlon="" including="" pan="" orientation="" and="" tape="" sizes.="" plea="" reter="" to="" our="" tape="" and="" reel="" packaging="" speeiii="" brochure,="" brdeolt/d.="" publication="" order="" n="" ncp="">5.0>© Semiconductor Components Industries, LLC, 2005
December, 2005 − Rev. 0 1Publication Order Number:
NCP5214/D
NCP5214
2−in−1 Notebook DDR
Power Controller
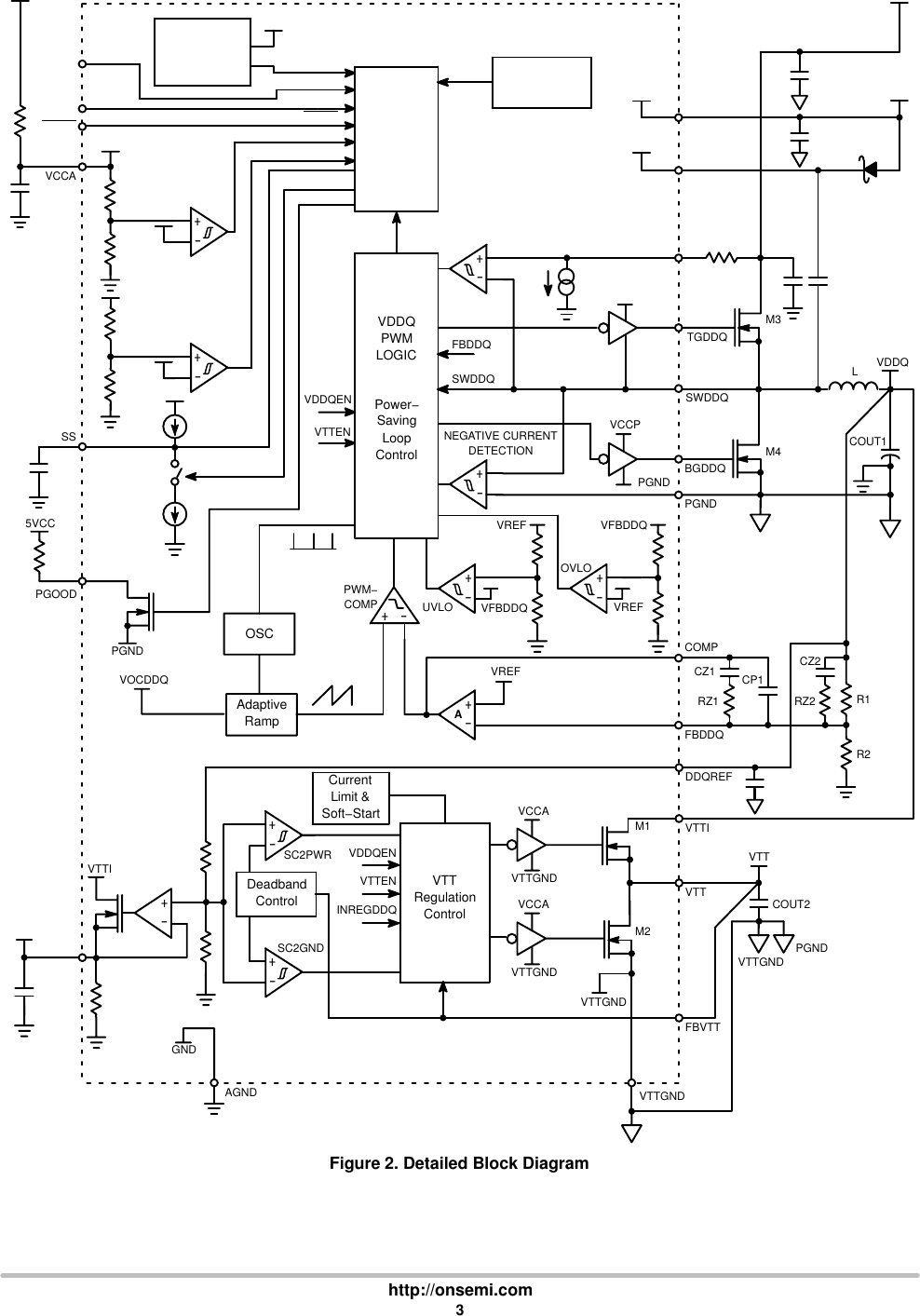
The NCP5214 2−in−1 Notebook DDR Power Controller is
specifically designed as a total power solution for notebook DDR
memory system. This IC combines the efficiency of a PWM
controller for the VDDQ supply with the simplicity of linear
regulators for the VTT termination voltage and the buffered low
noise reference. This IC contains a synchronous PWM buck
controller for driving two external NFETs to form the DDR memory
supply voltage (VDDQ). The DDR memory termination regulator
output voltage (VTT) and the buffered VREF are internally set to
track at the half of VDDQ. An internal power good voltage monitor
tracks VDDQ output and notifies the user whether the VDDQ output
is within target range. Protective features include soft−start
circuitries, undervoltage monitoring of supply voltage, VDDQ
overcurrent protection, VDDQ overvoltage and undervoltage
protections, and thermal shutdown. The IC is packaged in DFN−22.
Features
•Incorporates VDDQ, VTT Regulator, Buffered VREF
•Adjustable VDDQ Output
•VTT and VREF Track VDDQ/2
•Operates from Single 5.0 V Supply
•Supports VDDQ Conversion Rails from 4.5 V to 24 V
•Power−saving Mode for High Efficiency at Light Load
•Integrated Power FETs with VTT Regulator Sourcing/Sinking 1.5 A
DC and 2.4 A Peak Current
•Requires Only 20 mF Ceramic Output Capacitor for VTT
•Buffered Low Noise 15 mA VREF Output
•All External Power MOSFETs are N−channel
•<5.0 mA Current Consumption During Shutdown
•Fixed Switching Frequency of 400 kHz
•Soft−start Protection for VDDQ and VTT
•Undervoltage Monitor of Supply Voltage
•Overvoltage Protection and Undervoltage Protection for VDDQ
•Short−circuit Protection for VDDQ and VTT
•Thermal Shutdown
•Housed in DFN−22
•This is a Pb−Free Device
Typical Applications
•Notebook DDR/DDR2 Memory Supply and Termination Voltage
•Active Termination Busses (SSTL−18, SSTL−2, SSTL−3)
DFN−22
MN SUFFIX
CASE 506AF
PIN CONNECTIONS
Device Package Shipping†
ORDERING INFORMATION
NCP5214MNR2G DFN−22
(Pb−Free)
2500 Tape & Ree
l
NCP5214 = Specific Device Code
A = Assembly Location
WL = Wafer Lot
YY = Year
WW = Work Week
G= Pb−Free Package
MARKING
DIAGRAM
†For information on tape and reel specifications,
including part orientation and tape sizes, please
refer to our Tape and Reel Packaging Specification
Brochure, BRD8011/D.
http://onsemi.com
VDDQEN
VTTEN
FPWM
SS
VTTGND
VTT
VTTI
FBVTT
AGND
DDQREF
VCCA
PGND
BGDDQ
VCCP
SWDDQ
TGDDQ
BOOST
OCDDQ
PGOOD
VTTREF
FBDDQ
COMP
(Top View)
NOTE: Pin 23 is the thermal pad on
the bottom of the device.
NCP5214
AWLYYWW
G
1
1
22
 
 
 
|:LS>1
 
 
 
 
 
 
 
 
 
EEFV“.n
LTvi .|_.Ro
 
 
 
 
NCP5214
http://onsemi.com
2
VDDQEN
VDDQEN
VTTEN
VTTEN
FPWM
FPWM
SS
CSS
PGOOD
5VCC
VTT
VTT
COUT2
Ceramic
10 mF x2
0.9 V, 1.5 A VTTVTTVTT
FBVTT
VTTGND
VCCA
5VCC
DDQREF
AGND
RL1
OCDDQ
BOOST
VCCP
TGDDQ
M1
SWDDQ M2
PGND1
COMP
FBDDQ
CZ1
RZ1
CP1 CZ2
RZ2
R1
R2
VTTI
BGDDQ
VDDQ 1.8 V, 10 A
L
1.8 mH
VIN
4.5 V to 24 V
(Battery/
Adapter)
5VCC
NCP5214
Figure 1. Typical Application Diagram
PWRGD
COUT1
POSCAP
150 mF x2
VTTREF
VREF
0.9 V, 15 mA
CL1
    
 
  
VDDOEN
    
   
   
  
    
   
 
  
VTTEN NEGATWE cunwgm
DETECT‘ON
. ammo
PGND .
  
     
  
+
“
 
PGND
wanna
  
  
“
uvm
   
 
   
wanna
PGND
   
   
cow
  
  
    
  
cz‘
   
  
  
   
   
     
  
vocouo
 
cm
/l/I
Adapuve RZ‘
Ramp
   
. FEDDO
 
 
 
   
  
  
 
     
  
Currem
meu &
Sourstafl
. muons;
E9
vn
      
Wu
H
scszR VDDOEN
  
   
  
vm
      
  
   
      
   
 
  
     
  
    
 
Deadband VTTEN vrr VTTGND
Comml Hegmamn vcm CO‘M
wagsuno 0mm
schND
fl
  
  
PGND
     
    
   
 
mew
VTTGND
mew
mew
Figure 2. Detailed Block Diagram
hup. onsem com
3
NCP5214
http://onsemi.com
3
5VCC
VDDQEN
VTTEN
VCCA
VCCA
VOLTAGE &
CURRENT
REFERENCE
VREF
VREFGD
CONTROL
LOGIC
−
+
VREF
VCCAGD
FAULT
TSD THERMAL
SHUTDOWN VCCP
VCCP
VIN
CBULK
5VCC
VBOOST
BOOST
INREGDDQ
VDDQ
PWM
LOGIC
Power−
Saving
Loop
Control
−
+
ILIM
FBDDQ
SWDDQ
RL1
CDCPL
OCDDQ
CBOOST
COUT1
VDDQ
L
−
+
VCCP
NEGATIVE CURRENT
DETECTION
PGND
M3
M4
TGDDQ
VBOOST
SWDDQ
BGDDQ
PGND
−
+
UVLO VFBDDQ
VREF
−
+
VREF
VFBDDQ
OVLO
−+
−
+
A
VREF
COMP
FBDDQ
CZ2
CP1
CZ1
RZ2RZ1 R1
R2
DDQREF
VTTI
VTT
VTT
COUT2
M1
M2
VTTGND
FBVTT
VTTGND
VCCA
VTTGND
VCCA
VTTGND
VTT
Regulation
Control
VDDQEN
VTTEN
SS
5VCC
PGOOD
PGND
OSC
Adaptive
Ramp
VOCDDQ
Current
Limit &
Soft−Start
−
+
SC2PWR VDDQEN
VTTEN
INREGDDQ
−
+
SC2GND
GND
AGND
Figure 2. Detailed Block Diagram
PWM−
COMP
IREF
VDDQEN
VTTEN
VOCDDQGD
FPWM
FPWM
Deadband
Control
−
+
VTTI
V
TTREF
VTTREF
COUT3
VTTGND
PGND
−
+
VOCDDQ
VREF
VCCA

NCP5214
http://onsemi.com
4
PIN FUNCTION DESCRIPTION
Pin Symbol Description
1 VDDQEN VDDQ regulator enable input. High to enable.
2 VTTEN VTT regulator enable input. High to enable.
3 FPWM Forced PWM enable input. Low to enable forced PWM mode and disable power−saving mode.
4 SS VDDQ Soft−start capacitor connection to ground.
5 VTTGND Power ground for the VTT regulator.
6 VTT VTT regulator output.
7 VTTI Power input for VTT regulator which is normally connected to the VDDQ output of the buck regulator.
8 FBVTT VTT regulator feedback pin for closed loop regulation.
9 AGND Analog ground connection and remote ground sense.
10 DDQREF External reference input which is used to regulate VTT and VTTREF to 1/2VDDQREF.
11 VCCA 5.0 V supply input for the IC’s control and logic section, which is monitored by undervoltage lock out
circuitry.
12 COMP VDDQ error amplifier compensation node.
13 FBDDQ VDDQ regulator feedback pin for closed loop regulation.
14 VTTREF DDR reference voltage output.
15 PGOOD Power good signal open−drain output.
16 OCDDQ Overcurrent sense and program input for the high−side FET of VDDQ regulator. Also the battery
voltage input for the internal ramp generator to implement the voltage feedforward rejection to the input
voltage variation. This pin must be connected to the VIN through a resistor to perform the current limit
and voltage feedforward functions.
17 BOOST Positive supply input for high−side gate driver of VDDQ regulator and boost capacitor connection.
18 TGDDQ Gate driver output for VDDQ regulator high−side N−Channel power FET.
19 SWDDQ VDDQ regulator inductor driven node, return for high−side gate driver, and current limit sense input.
20 VCCP Power supply for the VDDQ regulator low−side gate driver and also supply voltage for the bootstrap
capacitor of the VDDQ regulator high−side gate driver supply.
21 BGDDQ Gate driver output for VDDQ regulator low−side N−Channel power FET.
22 PGND Power ground for the VDDQ regulator.
23 THPAD Copper pad on bottom of IC used for heatsinking. This pin should be connected to the ground plane
under the IC.

NCP5214
http://onsemi.com
5
MAXIMUM RATINGS
Rating Symbol Value Unit
Power Supply Voltage (Pin 11, 20) to AGND (Pin 9) VCCA, VCCP −0.3, 6.0 V
High−Side Gate Drive Supply: BOOST (Pin 17) to SWDDQ (Pin 19)
High−Side FET Gate Drive Voltage: TGDDQ (Pin 18) to SWDDQ (Pin 19) VBOOST−VSWDDQ,
VTGDDQ−VSWDDQ
−0.3, 6.0 V
Input/Output Pins to AGND (Pin 9)
Pins 1−4, 6−8, 10, 12−15, 21 VIO −0.3, 6.0 V
Overcurrent Sense Input (Pin 16) to AGND (Pin 9) VOCDDQ 27 V
Switch Node (Pin 19) VSWDDQ −4.0 (<100 ns),
0.3 (dc), 32 V
PGND (Pin 22), VTTGND (Pin 5) to AGND (Pin 9) VGND −0.3, 0.3 V
Thermal Characteristics
DFN−22 Plastic Package
Thermal Resistance, Junction−to−Ambient
RqJA 35 _C/W
Operating Junction Temperature Range TJ0 to +150 _C
Operating Ambient Temperature Range TA−40 to +85 _C
Storage Temperature Range Tstg −55 to +150 _C
Moisture Sensitivity Level MSL 2 −
Maximum ratings are those values beyond which device damage can occur. Maximum ratings applied to the device are individual stress limit values
(not normal operating conditions) and are not valid simultaneously. If these limits are exceeded, device functional operation is not implied, damage
may occur and reliability may be affected.
1. This device series contains ESD protection and exceeds the following tests:
Human Body Model (HBM) ≤2.0 kV per JEDEC standard: JESD22–A114 except Pin 17 which is ≤500 V.
Machine Model (MM) ≤200 V per JEDEC standard: JESD22–A115 except Pin 17 which is ≤50 V.
2. Latchup Current Maximum Rating: ≤150 mA per JEDEC standard: JESD78.
3. Pin 16 (OCDDQ) must be pulled high to VIN through a resistor.
 
 
 
 
 
 
 
 
 
 
 
 
 
 
 
 
 
 
 
 
 
 
 
 
 
 
 
 
 
 
 
 
 
 
 
 
 
 
 
 
 
 
 
 
NCP5214
http://onsemi.com
6
ELECTRICAL CHARACTERISTICS (VIN = 12 V, TA = −40 to 85_C, VCCA = VCCP = VBOOST − VSWDDQ = 5.0 V, L = 1.8 mH,
COUT1 = 150 mF x 2, COUT2 = 22 mF x 2, RL1 = 5.6 kW, R1 = 4.3 kW, R2 = 3.3 kW, RZ1 = 10 kW, RZ2 = 130 W, CP1 = 100 pF, CZ1 = 2.2 nF,
CZ2 = 4.7 nF, for min/max values unless otherwise noted. Typical values are at TA = 25_C.)
Characteristic Symbol Test Conditions Min Typ Max Unit
SUPPLY VOLTAGE
Input Voltage VIN − 4.5 − 24 V
VCCA Operating Voltage VCCA − 4.5 5.0 5.5 V
VCCP Operating Voltage VCCP − 4.5 5.0 5.5 V
SUPPLY CURRENT
VCCA Quiescent Supply Current in S0 IVCCA_S0 VDDQEN = 5.0 V, VTTEN = 5.0 V − 3.5 10 mA
VCCA Quiescent Supply Current in S3 IVCCA_S3 VDDQEN = 5.0 V, VTTEN = 0 V − 0.9 5.0 mA
VCCA Shutdown Current IVCCA_SD VDDQEN = 0 V, VTTEN = 0 V,
TA = 25°C− 1.0 4.0 mA
VCCP Quiescent Supply Current in S0 IVCCP_S0 VDDQEN = 5.0 V, VTTEN = 5.0 V,
TGDDQ and BGDDQ Open − − 20 mA
VCCP Quiescent Supply Current in S3 IVCCP_S3 VDDQEN = 5.0 V, VTTEN = 0 V,
TGDDQ and BGDDQ Open − − 20 mA
VCCP Shutdown Current IVCCP_SD VDDQEN = 0 V, VTTEN = 0 V − 1.0 2.0 mA
UNDERVOLTAGE MONITOR
VCCA UVLO Lower Threshold VCCAUV− Falling Edge − 3.7 4.1 V
VCCA UVLO Hysteresis VCCAUVHYS − − 0.35 − V
VOCDDQ UVLO Upper Threshold VOCDDQUV+ Rising Edge − 3.0 4.4 V
VOCDDQ UVLO Hysteresis VOCDDQUVHYS − − 0.4 − V
THERMAL SHUTDOWN
Thermal Trip Point TSD (Note 4) − 150 − _C
Hysteresis TSDHYS (Note 4) − 25 − _C
VDDQ SWITCHING REGULATOR
FBDDQ Feedback Voltage, Control Loop in
Regulation VFBDDQ TA = 25°C
TA = −40 to 85°C0.788
0.784 0.8
0.8 0.812
0.816 V
Feedback Input Current Ifb VFBDDQ = 0.8 V − − 1.0 mA
Oscillator Frequency FSW − 340 400 460 kHz
Ramp Amplitude Voltage Vramp VIN = 5.0 V (Note 4) − 1.25 − V
Ramp Amplitude to VIN Ratio dVRAMP/dVIN − − 45 − mV/V
OCDDQ Pin Current Sink IOC VOCDDQ = 4.0 V 26 31 36 mA
OCDDQ Pin Current Sink Temperature
Coefficient TCIOC TA = −40 to 85°C − 3200 − ppm/
_C
Minimum On Time tonmin − − 150 − ns
Maximum Duty Cycle Dmax VIN = 5.0 V
VIN = 15 V
VIN = 24 V
−
−
−
90
50
32
−
−
−
%
Soft−Start Current Iss VDDQEN = 5.0 V, Vss = 0 V 2.8 4.0 5.2 mA
Overvoltage Trip Threshold FBOVPth With Respect to Error
Comparator Threshold of 0.8 V 115 130 − %
Undervoltage Trip Threshold FBUVPth With Respect to Error
Comparator Threshold of 0.8 V − 65 75 %
4. Guaranteed by design, not tested in production.

NCP5214
http://onsemi.com
7
ELECTRICAL CHARACTERISTICS (continued) (VIN = 12 V, TA = −40 to 85_C, VCCA = VCCP = VBOOST − VSWDDQ = 5.0 V,
L = 1.8 mH, COUT1 = 150 mF x 2, COUT2 = 22 mF x 2, RL1 = 5.6 kW, R1 = 4.3 kW, R2 = 3.3 kW, RZ1 = 10 kW, RZ2 = 130 W, CP1 = 100 pF, 
CZ1 = 2.2 nF, CZ2 = 4.7 nF, for min/max values unless otherwise noted. Typical values are at TA = 25_C.)
Characteristic Symbol Test Conditions Min Typ Max Unit
ERROR AMPLIFIER
DC Gain GAIN (Note 5) − 70 − dB
Unity Gain Bandwidth Ft COMP_GND = 220 nF,
1.0 W in Series (Note 5) − 2.0 − MHz
Slew Rate SR (Note 5) − 3.0 − V/mS
GATE DRIVERS
TGDDQ Gate Pull−HIGH Resistance RH_TG VBOOST − VSWDDQ = 5.0 V,
VTGDDQ − VSWDDQ = 4.0 V − 1.8 4.0 W
TGDDQ Gate Pull−LOW Resistance RL_TG VBOOST − VSWDDQ = 5.0 V,
VTGDDQ − VSWDDQ = 1.0 V − 1.8 4.0 W
BGDDQ Gate Pull−HIGH Resistance RH_BG VCCP = 5.0 V, VBGDDQ = 4.0 V − 1.8 4.0 W
BGDDQ Gate Pull−LOW Resistance RL_BG VCCP = 5.0 V, VBGDDQ = 1.0 V − 0.9 3.0 W
VTT ACTIVE TERMINATOR
VTT with Respect to 1/2VDDQREF dVTT0 1/2VDDQREF – VTT,
VDDQREF = 2.5 V,
IVTT = 0 to 2.4 A
(Sink Current)
IVTT = 0 to –2.4 A
(Source Current)
−30
−
−
−
−
30
mV
1/2VDDQREF – VTT,
VDDQREF = 1.8 V,
IVTT = 0 to 2.0 A
(Sink Current)
IVTT = 0 to –2.0 A
(Source Current)
−30
−
−
−
−
30
mV
DDQREF Input Resistance DDQREF_R VDDQREF = 2.5 V 40 55 75 kW
Source Current Limit ILIMVTsrc − 2.5 3.0 − A
Sink Current Limit ILIMVTsnk − 2.5 3.0 − A
Soft−Start Source Current Limit ILIMVTSS − − 1.0 − A
Maximum Soft−Start Time tssvttmax − − 0.32 − ms
VTTREF OUTPUT
VTTREF Source Current IVTTR VDDQREF = 1.8 V or 2.5 V 15 − − mA
VTTREF Accuracy Referred to 1/2VDDQREF dVTTR 1/2VDDQREF – VTTR,
VDDQREF = 2.5 V,
IVTTR = 0 mA to 15 mA
−25 − 25 mV
1/2VDDQREF – VTTR,
VDDQREF = 1.8 V,
IVTTR = 0 mA to 15 mA
−18 − 18 mV
5. Guaranteed by design, not tested in production.
 
 
NCP5214
http://onsemi.com
8
ELECTRICAL CHARACTERISTICS (continued) (VIN = 12 V, TA = −40 to 85_C, VCCA = VCCP = VBOOST − VSWDDQ = 5.0 V,
L = 1.8 mH, COUT1 = 150 mF x 2, COUT2 = 22 mF x 2, RL1 = 5.6 kW, R1 = 4.3 kW, R2 = 3.3 kW, RZ1 = 10 kW, RZ2 = 130 W, CP1 = 100 pF, 
CZ1 = 2.2 nF, CZ2 = 4.7 nF, for min/max values unless otherwise noted. Typical values are at TA = 25_C.)
Characteristic Symbol Test Conditions Min Typ Max Unit
CONTROL SECTION
VDDQEN Pin Threshold High VDDQEN_H − 1.4 − − V
VDDQEN Pin Threshold Low VDDQEN_L − − − 0.5 V
VDDQEN Pin Input Current IIN_
VDDQEN VDDQEN = 5.0 V − − 1.0 mA
VTTEN Pin Threshold High VTTEN_H − 1.4 − − V
VTTEN Pin Threshold Low VTTEN_L − − − 0.5 V
VTTEN Pin Input Current IIN_VTTEN VDDQEN = VTTEN = 5.0 V − − 1.0 mA
FPWM Pin Threshold High FPWM_H − 1.4 − − V
FPWM Pin Threshold Low FPWM_L − − − 0.5 V
FPWM Pin Input Current IIN_FPWM VDDQEN = VTTEN =FPWM
 = 5.0 V − − 1.0 mA
PGOOD Pin ON Resistance PGOOD_R I_PGOOD = 5.0 mA − 70 − W
PGOOD Pin OFF Current PGOOD_LK − − − 1.0 mA
PGOOD LOW−to−HIGH Hold Time, for S5 to S0 thold (Note 6) − − 200 ms
6. Guaranteed by design, not tested in production.
 
 
 
 
 
 
 
 
 
 
 
 
 
 
 
 
 
 
 
 
 
85
 
 
 
 
 
 
 
 
 
 
 
 
 
 
 
 
 
 
 
 
 
 
 
 
 
 
 
 
 
 
 
 
 
 
 
 
 
 
NCP5214
http://onsemi.com
9
Figure 3. VCCA Quiescent Current in S0 
vs. Ambient Temperature Figure 4. VCCA Quiescent Current in S3 
vs. Ambient Temperature
Figure 5. VCCA Shutdown Current
vs. Ambient Temperature Figure 6. Switching Frequency in S0
vs. Ambient Temperature
Figure 7. VDDQ Feedback Voltage
vs. Ambient Temperature Figure 8. Soft−Start Current 
vs. Ambient Temperature
TYPICAL OPERATING CHARACTERISTICS
3.0
3.2
3.4
3.6
3.8
4.0
−40 −15 10 35 85
TA, AMBIENT TEMPERATURE (°C)
I
VCCA_S0
, QUIESCENT CURRENT IN S0 (mA)
60 0.0
0.2
0.4
0.6
0.8
1.0
−40 −15 10 35 8
5
TA, AMBIENT TEMPERATURE (°C)
IVCCA_S3, QUIESCENT CURRENT IN S3 (mA)
60
0
2
4
6
8
10
−40 −15 10 35 85
TA, AMBIENT TEMPERATURE (°C)
I
VCCA_SD
, SHUTDOWN CURRENT (
m
A)
60 350
375
400
425
450
−40 −15 10 35 8
5
TA, AMBIENT TEMPERATURE (°C)
FSW, SWITCHING FREQUENCY IN S0 (kHz)
60
0.70
0.75
0.80
0.85
0.90
−40 −15 10 35 85
TA, AMBIENT TEMPERATURE (°C)
V
FBDDQ
, VDDQ FEEDBACK VOLTAGE (V)
60 3.0
3.5
4.0
4.5
5.0
−40 −15 10 35 8
5
TA, AMBIENT TEMPERATURE (°C)
ISS, SOFT−START CURRENT (mA)
60
 
 
 
 
 
 
N:24v
v.N:sv
 
 
 
 
 
 
 
 
 
 
 
 
 
\V
 
 
 
 
 
 
 
 
 
VIN
 
 
 
 
 
 
 
 
 
 
 
 
 
wN:5v
\ v‘N:5v
 
 
 
 
VN:24V
 
 
 
vN:24v
 
 
 
 
NCP5214
http://onsemi.com
10
Figure 9. VDDQ Output Voltage 
vs. Input Voltage Figure 10. VDDQ Output Voltage 
vs. VDDQ Output Current
Figure 11. VTT Output Voltage (DDR) 
vs. VTT Output Current Figure 12. VTT Output Voltage (DDR2) 
vs. VTT Output Current
Figure 13. VTTR Output Voltage (DDR) 
vs. VTTR Output Current Figure 14. VTTR Output Voltage (DDR2) 
vs. VTTR Output Current
TYPICAL OPERATING CHARACTERISTICS
1.780
1.785
1.790
1.795
1.800
1.805
0 5 10 15 25
VIN, INPUT VOLTAGE (V)
V
DDQ
, VDDQ OUTPUT VOLTAGE (V)
20 1.790
1.795
1.800
1.805
1.810
0246 1
0
IVDDQ, VDDQ OUTPUT CURRENT (A)
VDDQ, VDDQ OUTPUT VOLTAGE (V)
8
1.21
1.22
1.23
1.24
1.25
1.26
−3.0 −2.0 −1.0 0.0 3.0
IVTT
, VTT OUTPUT CURRENT (A)
V
TT
, VTT OUTPUT VOLTAGE (V)
1.0
1.240
1.245
1.250
1.255
1.260
0 5 10 15
IVTTR, VTTR OUTPUT CURRENT (mA)
V
TTR
, VTTR OUTPUT VOLTAGE (V)
1.810
1.815
1.820
IVDDQ = 100 mA
IVDDQ = 10 A
VDDQ = 1.8 V
S0 Mode
TA = 25°C
VIN = 24 V
VDDQ = 1.8 V
TA = 25°C
VIN = 5 V
2.0
1.27
1.28
1.29
VIN = 24 V
VDDQ = 2.5 V
TA = 25°C
VIN = 5 V
0.86
0.87
0.88
0.89
0.90
0.91
−1.5 −1.0 −0.5 0.0 1.5
IVTT
, VTT OUTPUT CURRENT (A)
VTT, VTT OUTPUT VOLTAGE (V)
0.5 1.0
0.92
0.93
0.94
VIN = 24 V
VDDQ = 1.8 V
TA = 25°C
VIN = 5 V
−2.0 2.
0
VIN = 24 V
VDDQ = 2.5 V
TA = 25°C
VIN = 5 V
0.890
0.895
0.900
0.905
0.910
0 5 10 1
5
IVTTR, VTTR OUTPUT CURRENT (mA)
VTTR, VTTR OUTPUT VOLTAGE (V)
VIN = 24 V
VDDQ = 1.8 V
TA = 25°C
VIN = 5 V
 
 
 
3.2V
 
.... w
M 500115 cmx
4V
1
M Znnps cm 1
 
 
 
 
 
 
 
 
 
 
 
 
 
 
 
V‘w
vm
 
 
3+
4+
2+
3+
4+
 
 
 
32v
 
 
 
M Snnus Ch] 1
4V
1
M Znnps cm 1
 
 
 
 
 
 
 
quv u
Loovm
 
 
 
 
 
 
unv m Ch:
ouv w cm
2
I
 
 
 
 
 
 
 
 
 
 
 
 
 
 
 
H!
 
V‘w
vm
 
 
 
2+
3+
4+
2+
3+
 
NCP5214
http://onsemi.com
11
Figure 15. VDDQ Efficiency (DDR) 
vs. VDDQ Output Current Figure 16. VDDQ Efficiency (DDR2) 
vs. VDDQ Output Current
Figure 17. Power−Up Waveforms Figure 18. Power−Down Waveforms
Figure 19. VDDQ, VTTR Start−Up Waveforms Figure 20. VDDQ, VTTR Shutdown Waveforms
TYPICAL OPERATING CHARACTERISTICS
50
60
70
80
90
100
0.1 1.0 10 100
IVDDQ, VDDQ OUTPUT CURRENT (A)
EFFICIENCY OF VDDQ (%)
VIN = 20 V
VDDQ = 2.5 V
Freq = 400 kHz max
TA = 25°C
VIN = 12 V
VIN = 5 V
with power−saving
without power−saving
50
60
70
80
90
100
0.1 1.0 10 10
0
IVDDQ, VDDQ OUTPUT CURRENT (A)
EFFICIENCY OF VDDQ (%)
VIN = 20 V
VDDQ = 1.8 V
Freq = 400 kHz max
TA = 25°C
VIN = 12 V
VIN = 5 V
with power−saving
without power−saving
VDDQ
VIN
VTT
VTTR
20V/div
1V/div
1V/div
1V/div
VDDQEN = High; VTTEN = High; VIN = 0 V to 20 V
VIN
VDDQ
VTT
VTTR
20V/div
1V/div
1V/div
1V/div
VDDQEN = High; VTTEN = High; VIN =20 V to 0 V
VDDQEN
VDDQ
VTTR
PGOOD
5V/div
1V/div
1V/div
5V/div
VDDQEN = 0 V to 5 V
VDDQEN
VDDQ
VTTR
PGOOD
5V/div
5V/div
1V/div
1V/div
VDDQEN = 5 V to 0 V
 
 
 
 
 
 
 
 
 
 
 
 
5 nnv ‘w an
soomvm
lnnV‘linnpsChll 14v
2+
 
mun-q
 
 
 
 
 
Luuv MM Influs cmx 1.4V
m s.ouv V cm
soomvm
 
 
r—wawwwwmww—r—
 
3. “WW.
 
 
 
 
 
 
 
 
 
 
 
 
 
 
 
cm mnmvw Chz
.nvasunus ch4\ mv
CH3 50.0mv'w rm 5.00v
cm momv w ch
1 DBMS cm x .I v
{III} SD nmva s
.00 MM
nnv
 
“WWW
pwwwww
I ‘WWM W
 
“WWW
3+ KM
 
 
 
 
 
 
 
 
 
+ +
cm loomv m ch 0.0m ammo»: cm! .9 cm mom w cm 0.0m MMIOfiMs Ch4'\. .sv
cm su nmvrw x .4 an vm Ch} 5n nmvm'u Sun vm
NCP5214
http://onsemi.com
12
Figure 21. VTT Start−Up Waveforms Figure 22. VTT Shutdown Waveforms
Figure 23. S0−S3−S0 Transition Waveforms Figure 24. PS−FPWM−PS Transition
Waveforms
Figure 25. VDDQ Load Transient Figure 26. VDDQ Load Transient
TYPICAL OPERATING CHARACTERISTICS
VTTEN
VTT
IVTTI
5V/div
1V/div
500mA/div
VDDQEN = High; VTT Loaded with 4.7 W to GND
VTTEN
VTT
IVTTI
5V/div
1V/div
500mA/div
VDDQEN = High; VTT Loaded with 4.7 W to GND
VDDQ
VTT
VTTR
VTTEN
IVDDQ = 50 mA, IVTT = 100 mA, IVTTR = 5 mA
100mV/div
50mV/div
1V/div
5V/div
VDDQ
VTT
VTTR
FPWM
100mV/div
1V/div
50mV/div
5V/div
IVDDQ = 50mA, IVTT = 100mA, IVTTR = 5mA, VTTEN = 0V
IVDDQ = 0 A−7 A, IVTT = 1.5 A, IVTTR = 15 mA
VDDQ
VTT
VTTR
IVDDQ
100mV/div
50mV/div
50mV/div
5A/div
IVDDQ = 7 A−0 A, IVTT = 1.5 A, IVTTR = 15 mA
VDDQ
VTT
VTTR
IVDDQ
100mV/div
50mV/div
50mV/div
5A/div
 
HWWWWWWMWWMWWWMW
 
 
 
 
 
 
 
 
 
 
 
 
 
 
 
 
 
 
 
 
cm mnmvw ch: 5n.nmv mmsnmus cmx anv
cm mom w ch 0.0mV WM 0.0m 014/ sum :1
cm 511 umv'vm (14 2 an vm “‘3 5“ ""‘VW 2 D" “1
 
 
 
 
 
 
 
 
 
 
 
 
 
 
 
”W m ‘
2.W 2
k
9W 3 ,
+ +
4 P
cm Ioomv w a. 0.0m ammo“: cm: 1 .4 cm 100m u a. MM nous ch4x 1 .4
ch: in mm (14 m uV cm smmm
 
 
 
 
 
 
 
\\__............
 
 
 
 
 
 
5*" ‘Wmv W C“ “-“m WMW-WS 5"“ ‘6- cm mnmvw chz 51:an uMSn nus Ch4\ mxv
“'3 5" “"‘VW ‘ ‘4 ‘““V cm mom/w 10.1)V
 
NCP5214
http://onsemi.com
13
Figure 27. VTT Source Current Transient Figure 28. VTT Sink Current Transient
Figure 29. Line Transient 7V to 20V at No Load Figure 30. Line Transient 20V to 7V at No Load
Figure 31. Line Transient 7V to 20V at Full
Load Figure 32. Line Transient 20V to 7V at Full
Load
TYPICAL OPERATING CHARACTERISTICS
IVDDQ = 8 A, IVTT = 0 A to 2 A to 0 A, IVTTR = 15 mA
VDDQ
VTT
VTTR
IVTT
100mV/div
50mV/div
50mV/div
2A/div
IVDDQ = 8 A, IVTT = 0 A to −2 A to 0 A, IVTTR = 15 mA
VDDQ
VTTR
VTT
IVTT
50mV/div
50mV/div
2A/div
100mV/div
IVDDQ = 0 A, IVTT = 0 A, IVTTR = 0 mA, VIN = 7 V to 20 V
VDDQ
VTT
VTTR
VIN
100mV/div
50mV/div
50mV/div
10V/div
IVDDQ = 0 A, IVTT = 0 A, IVTTR = 0 mA, VIN = 20 V to 7 V
VDDQ
VTT
VTTR
VIN
100mV/div
50mV/div
50mV/div
10V/div
IVDDQ = 10A, IVTT = 1.5A, IVTTR = 15mA, VIN = 7V to 20V
VDDQ
VTT
VTTR
VIN
100mV/div
50mV/div
50mV/div
10V/div
IVDDQ = 10A, IVTT = 1.5A, IVTTR = 15mA, VIN = 20V to 7V
VDDQ
VTT
VTTR
VIN 10V/div
50mV/div
50mV/div
100mV/div
 
 
 
 
 
 
 
 
 
 
 
 
 
 
 
 
 
 
 
 
 
 
 
 
 
 
 
 
 
 
 
 
 
 
cm 100mV w cn 1.00 ammo“: cm: 1. cm mnmvm Chz Ianv MMSU up; Ch41 715v
ch: 5n.nmv’vu 1,14 5.nnvn Ch3 so omvw 5.00m
u
2 . , , ‘
3. *
cm I00 w ch ma WM .DDMS mm. 1.50 cm Innv w an mnv hMSnnps (h4\ way
(In; zunv a ‘ u muvm cha 20.1w m (H mavm
+
w ‘
2‘
3.
cm may m Chz Inn ‘uM maps Ch]! Innv
cm 2nuv M1714 HID m
NCP5214
http://onsemi.com
14
Figure 33. VTT Short Circuit to Ground and
Recovery Figure 34. VTT Short Circuit to VDDQ and
Recovery
Figure 35. VDDQ OCP by Short Circuit to
Ground Figure 36. VDDQ OCP by Steady IVDDQ
Increase
Figure 37. VDDQ OCP by Start into a Short
Circuit
TYPICAL OPERATING CHARACTERISTICS
VDDQ
VTT
VTTR
IVTT
IVDDQ = 8 A, VTT shorts to ground, IVTTR = 15 mA
100mV/div
1V/div
5A/div
IVDDQ = 8 A, VTT shorts to VDDQ, IVTTR = 15 mA
VDDQ
VTT
VTTR
IVTT
100mV/div
1V/div
50mV/div
5A/div
VDDQ, 1V/div
VIN, 20V/div
VSWDDQ, 10V/div
IL, 10A/div
VDDQ, 1V/div
VIN, 20V/div
VSWDDQ, 10V/div
IL, 10A/div
VSWDDQ, 10V/div
VDDQ, 1V/div
IL, 10A/div
VIN, 20V/div
50mV/div

NCP5214
http://onsemi.com
15
DETAILED OPERATING DESCRIPTION
General
The NCP5214 2−in−1 Notebook DDR Power Controller
combines the efficiency of a PWM controller for the
VDDQ supply, with the simplicity of using a linear
regulator for the VTT termination voltage power supply.
The VDDQ output can be adjusted through the external
potential divider, while the VTT is internally set to track
half VDDQ.
The inclusion of VDDQ power good voltage monitor,
soft−start, VDDQ overcurrent protection, VDDQ
overvoltage and undervoltage protections, supply
undervoltage monitor, and thermal shutdown makes this
device a total power solution for high current DDR memory
system. The IC is packaged in DFN−22.
Control Logic
The internal control logic is powered by VCCA. The IC
is enabled whenever VDDQEN is high (exceed 1.4 V). An
internal bandgap voltage, VREF, is then generated. Once
VREF reaches its regulation voltage, an internal signal
VREFGD will be asserted. This transition wakes up the
supply undervoltage monitor blocks, which will assert
VCCAGD if VCCA voltage is within certain preset levels.
The control logic accepts external signals at VCCA,
OCDDQ, VDDQEN, VTTEN, and FPWM pins to control
the operating state of the VDDQ and VTT regulators in
accordance with Table 1. A timing diagram is shown in
Figure 38.
VDDQ Switching Regulator in Normal Mode (S0)
The VDDQ regulator is a switching synchronous
rectification buck controller directly driving two external
N−Channel power FETs. An external resistor divider sets
the nominal output voltage. The control architecture is
voltage mode fixed frequency PWM with external
compensation and with switching frequency fixed at
400 kHz " 15%. As can be observed from Figure 1, the
VDDQ output voltage is divided down and fed back to the
inverting input of an internal error amplifier through
FBDDQ pin to close the loop at VDDQ = VFBDDQ × 
(1 + R1/R2). This amplifier compares the feedback voltage
with an internal VREF (= 0.800 V) to generate an error
signal for the PWM comparator. This error signal is further
compared with a fixed frequency RAMP waveform
derived from the internal oscillator to generate a
pulse−width−modulated signal. This PWM signal drives
the external N−Channel Power FETs via the TGDDQ and
BGDDQ pins. External inductor L and capacitor COUT1
filter the output waveform. The VDDQ output voltage
ramps up at a pre−defined soft−start rate when the IC enters
state S0 from S5. When in normal mode, and regulation of
VDDQ is detected, signal INREGDDQ will go HIGH to
notify the control logic block.
Input voltage feedforward is implemented to the RAMP
signal generation to reject the effect of wide input voltage
variation. With input voltage feedforward, the amplitude of
the RAMP is proportional to the input voltage.
For enhanced efficiency, an active synchronous switch is
used to eliminate the conduction loss contributed by the
forward voltage of a diode or Schottky diode rectifier.
Adaptive non−overlap timing control of the
complementary gate drive output signals is provided to
reduce large shoot−through current that degrades
efficiency.
Tolerance of VDDQ
The tolerance of VFBDDQ and the ratio of external
resistor divider R1/R2 both impact the precision of VDDQ.
With the control loop in regulation, VDDQ = VFBDDQ ×
(1 + R1/R2). With a worst case (for all valid operating
conditions) VFBDDQ tolerance of "1.5%, a worst case
range of "2.5% for VDDQ = 1.8 V will be assured if the
ratio R1/R2 is specified as 1.2500 "1%.
Table 1. State, Operation, Input and Output Condition Table
Mode
Input Conditions Operating Conditions Output Conditions
VCCA VOCDDQ VDDQEN VTTEN FPWM VDDQ VTTREF VTT TGDDQ BGDDQ PGOOD
S5 Low X X X X H−Z H−Z H−Z Low Low Low
S5 X Low X X X H−Z H−Z H−Z Low Low Low
S0 High High High High X Normal Normal Normal Normal Normal H−Z
S3 High High High Low High Standby Normal H−Z Standby
(Power−
saving)
Standby
(Power−
saving)
H−Z
S3 High High High Low Low Normal Normal H−Z Normal Normal H−Z
S5 X X Low X X H−Z H−Z H−Z Low Low Low

NCP5214
http://onsemi.com
16
VDDQ Regulator in Standby Mode (S3)
During state S3, a power−saving mode is activated when
the FPWM pin is pulled to VCCA. In power−saving mode,
the switching frequency is reduced with the VDDQ output
current and the low−side FET is turned off after the
detection of negative inductor current, so as to enhance the
efficiency of the VDDQ regulator at light loads. The
switching frequency can be reduced smoothly until it
reaches the minimum frequency at about 15 kHz.
Therefore, perceptible audible noise can be avoided at light
load condition.
In power−saving mode, the low−side MOSFET is turned
off after the detection of negative inductor current and the
converter cannot sink current. The power−saving mode can
be disabled by pulling the FPWM pin to ground. Then, the
converter operates in forced−PWM mode with fixed
switching frequency and ability to sink current.
Fault Protection of VDDQ Regulator
During state S0 and S3, external resistor (RL1) between
OCDDQ and VIN sets the current limit for the high−side
switch. An internal 31 mA current sink (IOC) at OCDDQ
pin establishes a voltage drop across this resistor and
develops a voltage at the non−inverting input of the current
limit comparator. The voltage at the non−inverting input is
compared to the voltage at SWDDQ pin when the
high−side gate drive is high after a fixed period of blanking
time (150 ns) to avoid false current limit triggering. When
the voltage at SWDDQ is lower than that at the
non−inverting input for 4 consecutive internal clock
cycles, an overcurrent condition occurs, during which, all
outputs will be latched off to protect against a
short−to−ground condition on SWDDQ or VDDQ. The IC
will be reset once VCCA or VDDQEN is cycled.
Feedback Compensation of VDDQ Regulator
The compensation network is shown in Figures 2 and 39.
VTT Active Terminator in Normal Mode (S0)
The VTT active terminator is a two−quadrant linear
regulator with two internal N−channel power FETs. It is
capable of sinking and sourcing at least 1.5 A continuous
current and up to 2.4 A transient peak current. It is activated
in normal mode in state S0 when the VTTEN pin is HIGH
and VDDQ is in regulation. Its input power path is from
VDDQ with the internal FETs gate drive power derived
from VCCA. The VTT internal reference voltage is derived
from the DDQREF pin. The VTT output is set to VDDQ/2
when VTT output is connecting to the FBVTT pin directly.
This regulator is stable with only a minimum 20 mF output
capacitor. The VTT regulator will have an internal
soft−start when it is transited from disable to enable.
During the VTT soft−start, a current limit is used as a
current source to charge up the VTT output capacitor. The
current limit is initially 1.0 A during VTT soft−start. It is
then increased to 2.5 A after 128 internal clock cycles
which is typically 0.32 ms.
VTT Active Terminator in Standby Mode (S3)
VTT output is high−impedance in S3 mode.
Fault Protection of VTT Active Terminator
To provide protection for the internal FETs, bidirectional
current limit is implemented, preset at the minimum of
2.5 A magnitude.
Thermal Consideration of VTT Active Terminator
The VTT terminator is designed to handle large transient
output currents. If large currents are required for very long
duration, then care should be taken to ensure the maximum
junction temperature is not exceeded. The 5x6 DFN−22 has
a thermal resistance of 35_C/W (dependent on air flow,
grade of copper, and number of vias). In order to take full
advantage from this thermal capability of this package, the
thermal pad underneath must be soldered directly onto a
PCB metal substrate to allow good thermal contact. It is
recommended that PCB with 2 oz. copper foil is used and
there should have 6 to 8 vias with 0.6 mm hole size
underneath the package’s thermal pad connecting the top
layer metal to the bottom layer metal and the internal layer
metal substrates of the PCB.
VTTREF Output
The VTTREF output tracks VDDQREF/2 at "2%
accuracy. It has source current capability of up to 15 mA.
VTTREF should be bypassed to analog ground of the
device by 1.0 mF ceramic capacitor for stable operation.
The VTTREF is turned on as long as VDDQEN is pulled
high. In S0 mode, VTTREF soft−starts with VDDQ and
tracks VDDQREF/2. In S3 mode, VTTREF is kept on with
VDDQ. VTTREF is turned off only in S4/S5 like VDDQ
output.
Output Voltages Sensing
The VDDQ output voltage is sensed across the FBDDQ
and AGND pins. FBDDQ should be connected through a
feedback resistor divider to the VDDQ point of regulation
which is usually the local VDDQ bypass capacitor for load.
The AGND should be connected directly through a sense
trace to the remote ground sense point which is usually the
ground of local VDDQ bypass capacitor for load.
The VTT output voltage is sensed between the FBVTT
and VTTGND pins. The FBVTT should be connected to
the VTT regulation point, which is usually the VTT local
bypass capacitor, via a direct sense trace. The VTTGND
should be connected via a direct sense trace to the ground
of the VTT local bypass capacitor for load.

NCP5214
http://onsemi.com
17
Supply Voltage Undervoltage Monitor
The IC continuously monitors VCCA and VIN through
VCCA pin and OCDDQ pin respectively. VCCAGD is set
HIGH if VCCA is higher than its preset threshold (derived
from VREF with hysteresis). The IC will enter S5 state if
VCCA fails while in S0 and both VDDQEN and VTTEN
remain HIGH.
Thermal Shutdown
When the chip junction temperature exceeds 150_C, the
entire IC is shutdown. The IC resumes normal operation
only after the junction temperature dropping below 125_C.
Power Good
The PGOOD is an open−drain output of a window
comparator which continuously monitors the VDDQ
output voltage. The PGOOD is pulled low when the VDDQ
rises 12% above or drops 12% below the nominal
regulation point. The PGOOD becomes high impedance
when the VDDQ is within ±12% of the preset nominal
regulation voltage. A 100 kW resistor is recommended to
connect between PGOOD and VCCA as pull−up resistor
for logic level output.
Overvoltage Protection
When the VDDQ output is above 106% but below 130%
of the nominal regulation output voltage, the controller
turns off the high−side MOSFET and turns on the low−side
MOSFET to discharge the excessive output voltage. When
the VDDQ output voltage goes back down to the nominal
regulation voltage, normal switching cycles are resumed.
When the VDDQ output exceeds 130% (typ) of the
nominal regulation voltage for 4 consecutive internal clock
cycles, the controller sets overvoltage fault, the device is
latched off by turning off both the high−side and low−side
MOSFETs. The overvoltage fault latch can be reset and the
controller can be restarted by toggling VDDQEN, VCCA,
or VIN.
Undervoltage Protection
In S3 power−saving mode with reduced switching at
lighter loads, when the VDDQ falls below 94% of the
nominal regulation voltage, the reduced switching
frequency is raised up back to the maximum switching
frequency. When VDDQ voltage is back to nominal
regulation voltage, the normal S3 power−saving operation
is resumed. In both S0 and S3 modes, when the VDDQ falls
below 65% (typ) of the nominal regulation voltage for 4
consecutive internal clock cycles, the undervoltage fault is
set, the device is latched off by turning off both the
high−side and low−side MOSFETs. The output is
discharged by the load current. The load current and output
capacitance determine the discharge rate. Cycling
VDDQEN, VCCA, or VIN can reset the undervoltage fault
latch and restart the controller.
 
 
 
 
 
 
 
 
 
 
 
 
 
 
 
NCP5214
http://onsemi.com
18
VCCA
VDDQEN
VTTEN VTTEN is
Don’t Care
in S5
VDDQ
VDDQ
Soft−start
VTT VTT in H−Z
VTT Soft−start
VTT Soft−start
PGOOD
Operating
Mode
thold X 200 ms
S5 S0 S3 S0 S5
VCCA goes
above 4.0 V to
enable the IC.
VDDQEN goes HIGH,
VDDQ and VTTREF
are enabled but not
activated until VIN
goes above threshold
of 3.0 V. VTTEN goes
HIGH, VTT is enabled
but not activated until
VDDQ is good.
VTTEN goes LOW
to activate S3 mode
and to turn off VTT.
Both VDDQEN and
VTTEN go LOW to
trigger S5 mode;
VDDQ, VTT, VTTREF
are disabled, then
INREGDDQ and
PGOOD goes LOW.
PGOOD
goes HIGH.
INREGDDQ goes
HIGH, VTT goes into
normal mode.
VTTEN goes
HIGH, VTT goes
into normal mode.
Figure 38. Powerup and Powerdown Timing Diagram
VIN
(VOCDDQ)
VTTREF
VIN goes above the
threshold, the VDDQ
and VTTREF go into
normal mode.
imum
VOUT
 
VOUT
AILOAD ( %
Vundershool
A
AILOAD %
(—A X
led
L STEPQeak) COUT OUT
NCP5214
http://onsemi.com
19
APPLICATION INFORMATION
Input Capacitor Selection for VDDQ Buck Regulator
The input capacitor is important for proper regulation
operation of the buck regulator. It minimizes the input
voltage ripple and current ripple from the power source by
providing a local loop for switching current. The input
capacitor should be placed close to the drain of the
high−side MOSFET and source of the low−side MOSFET
with short, wide traces for connection. The input capacitor
must have large enough rms ripple current rating to
withstand the large current pulses present at the input of the
bulk regulator due to the switching current. The required
input capacitor rms ripple current rating can be estimated
by the following with minimum VIN:
ICIN(RMS) wIOUT VOUT
VIN *ǒVOUT
VIN Ǔ2
Ǹ(eq. 1)
Besides, the voltage rating of the input capacitor should
be at least 1.25 times of the maximum input voltage.
Capacitance of around 20 mF to 50 mF should be sufficient
for most DDR applications. Ceramic capacitors are the
most suitable choice of input capacitor for notebook
applications due to their low ESR, high ripple current, and
high voltage rating. POSCAP or OS−CON capacitors can
also be used since they have good ESR and ripple current
rating, but they are larger in size and more expensive.
Aluminum electrolytic capacitors are also a choice for their
high voltage rating and low cost, but several aluminum
capacitors in parallel should be used for the required ripple
current. If ceramic capacitors are used, X5R and X7R types
are preferred rather than the Y5V type since the X5R and
X7R types are ceramic capacitors and have smaller
tolerance and temperature coefficient.
Output Capacitor Selection for VDDQ Buck Regulator
The output filter capacitor plays an important role in
steady state output ripple voltage, load transient
requirement, and loop compensation stability. The ESR
and the capacitance of the output capacitor are the most
important parameters needed to be considered. In general,
the output capacitor must have small enough ESR for
output ripple voltage and load transient requirement.
Besides, the capacitance of the output capacitor should be
large enough to meet the overshoot and undershoot during
load transient. Since steady state output ripple voltage,
transient load undershoot and overshoot are the largest at
maximum VIN, the ESR and capacitance of output
capacitor should be estimated at the maximum VIN
condition.
For steady output ripple voltage, both ESR and
capacitance of the output capacitor are the contributing
factors, however, the capacitor ESR is the dominant factor.
The output ripple voltage is calculated as follows:
Vripple +IL(ripple)  ESR )IL(ripple)  ton
COUT (eq. 2)
V
ripple +
I
L(ripple)  
ESR, for small t
on
and large C
OU
T
(eq. 
3)
where IL(ripple) is the inductor ripple current, ton is on−time,
and COUT is the output capacitance.
The inductor ripple current can be calculated by the
equation:
IL(ripple) +(VIN−VOUT) VOUT
L fSW  VIN (eq. 4)
where L is the inductance and fSW is the switching
frequency. The output ripple voltage can be reduced by
either using the inductor with larger inductance or the
output capacitor with smaller ESR. Thus, the ESR needed
to meet the ripple voltage requirement can be obtained by:
ESR vVripple  L fSW  VIN
(VIN−VOUT) VOUT (eq. 5)
The inductor ripple current is typically 30% of the
maximum load current and the ripple voltage is typically
2% of the output voltage. Thus, the above inequality can be
simplified to:
ESR v0.02  VOUT
0.3  ILOAD(max) (eq. 6)
For the load transient, the output capacitor contributes to
both the load−rise and the load−release responses. The
voltage undershoot during step−up load can be calculated
by the equation:
V
undershoot +DILOAD  ESR )DILOAD
COUT  ǒ1−VOUT
VIN
fSW Ǔ
(eq. 
7)
where DILOAD is the change in output current. If the second
term is ignored, then it becomes the following inequality:
ESR vVundershoot
DILOAD (eq. 8)
The maximum ESR requires to meet voltage undershoot
requirement at step−up load transient can be estimated
from the above inequality.
Then, the required output capacitor capacitance can be
obtained by the following:
COUT wDILOAD
Vundershoot−DILOAD  ESR  ǒ1−VOUT
VIN
fSW Ǔ
(eq. 9)
The output voltage overshoot during load−release is
because the excessive stored energy in the inductor is
absorbed by the output capacitor. The overshoot voltage
can be calculated by the following equation:
Vovershoot +LI2STEP(peak) )COUTV2OUT
COUT
Ǹ−VOU
T
(eq. 1
0)
   
     
NCP5214
http://onsemi.com
20
Then the required output capacitor capacitance can be
estimated by:
COUT wL I2STEP(peak)
(Vovershoot )VOUT)2−V2OUT
(eq. 11)
ISTEP(peak) +DILOAD )(VIN−VOUT) VOUT
2L  fSW  VIN(eq. 12)
where ISTEP(peak) is the load current step plus half of the
ripple current at the load release and DILOAD is the change
in the output load current.
Besides, the ESR and the capacitance of the output filter
capacitor also contribute to double pole and ESR zero
frequencies of the output filter, and the poles and zeros
frequencies of the compensation network for close loop
stability. The compensation network will be discussed in
more detail in the Loop Compensation section.
Other parameters about output filter capacitor that
needed to be considered are the voltage rating and ripple
current rating. The voltage rating should be at least 1.25
times the output voltage and the rms ripple current rating
should be greater than the inductor ripple current. Thus, the
voltage rating and ripple current rating can be obtained by:
Vrating w1.25  VOUT (eq. 13)
ICOUT(RMS) wIL(ripple) +(VIN−VOUT) VOUT
L fSW  VIN(eq. 14)
SP−Cap, POSCAP and OS−CON capacitors are suitable
for the output capacitor since their ESR is low enough to
meet the ripple voltage and load transient requirements.
Usually, two or more capacitors of the same type,
capacitance and ESR can be used in parallel to achieve the
required ESR and capacitance without change the ESR
zero position for maintaining the same loop stability. Other
than the performance point of view, the physical size and
cost are also the concerned factors for output capacitor
selection.
Inductor Selection
The inductor should be chosen according to the inductor
ripple current, inductance, maximum current rating,
transient load release, and DCR.
In general, the inductor ripple current is 20% to 40% of
the maximum load current. A ripple current of 30% of the
maximum load current can be used as a typical value. The
required inductance can be estimated by:
Lw(VIN−VOUT) VOUT
0.3  ILOAD(max)  VIN  fSW (eq. 15)
where ILOAD(max) is the maximum load current.
The DC current rating of the inductor should be about 1.2
times of the peak inductor current at maximum output load
current. Therefore, the maximum DC current rating of the
inductor can be obtained by:
IL(rating) +1.2  IL(peak) (eq. 16)
where IL(peak) is the peak inductor current at maximum load
current which is determined by:
IL(peak) +ILOAD(max) )IL(ripple)
2
(eq. 17)
+ILOAD(max) )(VIN−VOUT) VOUT
2 L fSW  VIN
Since the excessive energy stored in the inductor
contributed to the output voltage overshoot during load
release, the following inequality can be used to ensure that
the selected inductance value can meet the voltage
overshoot requirement at load release:
Lv
COUT  ((Vovershoot )VOUT)2−V2OUT)
I2STEP(peak) (eq. 18)
In addition, the inductor also needs to have low enough
DCR to obtain good conversion efficiency. In general,
inductors with about 2.0 mW to 3.0 mW per mH of
inductance can be used. Besides, larger inductance value
can be selected to achieve higher efficiency as long as it
still meets the targeted voltage overshoot at load release
and inductor DC current rating.
MOSFET Selection
External N−channel MOSFETs are used as the switching
elements of the buck controller. Both high−side and
low−side MOSFETs must be logic−level MOSFETs which
can be fully turned on at 5.0 V gate−drive voltage.
On−resistance (RDS(on)), maximum drain−to−source
voltage (VDSS), maximum drain current rating, and gate
charges (QG, QGD, QGS) are the key parameters to be
considered when choosing the MOSFETs.
For on−resistance, it should be the lower; the better is the
performance in terms of efficiency and power dissipation.
Check the MOSFET’s rated RDS(on) at VGS = 4.5 Vwhen
selecting the MOSFETs. The low−side MOSFET should
have lower RDS(on) than the high−side MOSFET since the
turn−on time of the low−side MOSFET is much longer than
the high−side MOSFET in high VIN and low VOUT buck
converter. Generally, high−side MOSFET with RDS(on)
about 7.0 mW and low−side MOSFET with RDS(on) about
5.0 mW can achieve good efficiency.
The maximum drain current rating of the high−side
MOSFET and low−side MOSFET must be higher than the
peak inductor current at maximum load current. The
low−side MOSFET should have larger maximum drain
current rating than the high−side MOSFET since the
low−side MOSFET have longer turn−on time.
RL1 x IOC
 
NCP5214
http://onsemi.com
21
The maximum drain−to−source voltage rating of the
MOSFETs used in buck converter should be at least 1.2 times
of the maximum input voltage. Generally, VDSS of 30 V
should be sufficient for both high−side MOSFET and
low−side MOSFET of the buck converter for notebook
application.
As a general rule of thumb, the gate charges are the
smaller; the better is the MOSFET while RDS(on) is still low
enough. MOSFETs are susceptible to false turn−on under
high dV/dt and high VDS conditions. Under high dV/dt and
high VDS condition, current will flow through the CGD of
the capacitor divider formed by CGD and CGS, cause the
CGS to charge up and the VGS to rise. If the VGS rises above
the threshold voltage, the MOSFET will turn on.
Therefore, it should be checked that the low−side MOSFET
have low QGD to QGS ratio. This indicates that the low−side
MOSFET have better immunity to short moment false
turn−on due to high dV/dt during the turn−on of the
high−side MOSFET. Such short moment false turn−on will
cause minor shoot−through current which will degrade
efficiency, especially at high input voltage condition.
Overcurrent Protection of VDDQ Buck Regulator
The OCP circuit is configured to set the current limit for
the current flowing through the high−side FET and
inductor during S0 and S3. The overcurrent tripping level
is programmed by an external resistor RL1 connected
between the OCDDQ pin and drain of the high−side FET.
An internal 31 mA current sink (IOC) at pin OCDDQ
establishes a voltage drop across the resistor RL1 at a
magnitude of RL1xIOC and develops a voltage at the
non−inverting input of the current limit comparator.
Another voltage drop is established across the high−side
MOSFET RDS(on) at a magnitude of ILxRDS(on) and a
voltage is developed at SWDDQ when the high−side
MOSFET is turned on and the inductor current flows
through the RDS(on) of the MOSFET. The voltage at the
non−inverting input of the current limit comparator is then
compared to the voltage at SWDDQ pin when the
high−side gate drive is high after a fixed period of blanking
time (150 ns) to avoid false current limit triggering. When
the voltage at SWDDQ is lower than the voltage at the
non−inverting input of the current limit comparator for four
consecutive internal clock cycles, an overcurrent condition
occurs, during which, all outputs will be latched off to
protect against a short−to−ground condition on SWDDQ or
VDDQ. i.e., the voltage drop across the RDS(on) of
high−side FET developed by the drain current is larger than
the voltage drop across RL1, the OCP is triggered and the
device will be latched off.
The overcurrent protection will trip when a peak inductor
current hit the ILIMIT determined by the equation:
ILIMIT +RL1  IOC
RDS(on) (eq. 19)
It should be noted that the OCDDQ pin must be pulled
high to VIN through a resistor RL1 and this pin cannot be
left floating for normal operation. The voltage drop across
RL1 must be less than 1.0 V to allow enough headroom for
the voltage detection at the OCDDQ pin under low VIN
condition. In addition, since the MOSFET RDS(on) varies
with temperature as current flows through the MOSFET
increases, the OCP trip point also varies with the MOSFET
RDS(on) temperature variation.
Since the IOC and RDS(on) have device variations and
MOSFET RDS(on) increase with temperature, to avoid false
triggering the overcurrent protection in normal operating
output load range, calculate the RL1 value from the
previous equation with the following conditions such that
minimum value of inductor current limit is set:
1. The minimum IOC value from the specification
table.
2. The maximum RDS(on) of the MOSFET used at
the highest junction temperature.
3. Determine ILIMIT for ILIMIT > ILOAD(max) +
IL(ripple)/2, where ILOAD(max) = IVDDQ(max) +
IVTT(max) if VTT is powered by VDDQ.
Besides, a decoupling capacitor CDCPL should be added
closed to the lead of the current limit setting resistor RL1
which connected to the drain of the high−side MOSFET.
Loop Compensation
Once the output LC filter components have been
determined, the compensation network components can be
selected. Since NCP5214 is a voltage mode PWM
converter with output LC filter, Type III compensation
network is required to obtain the desired close loop
bandwidth and phase boost with unconditional stability.
The NCP5214 PWM modulator, output LC filter and
Type III compensation network are shown in Figure 39.
The output LC filter has a double pole and a single zero.
The double pole is due to the inductance of the inductor and
capacitance of the output capacitor, while the single zero
is due to the ESR and capacitance of the output capacitor.
The Type III compensation has two RC pole−zero pairs.
The two zeros are used to compensate the LC double pole
and provide 180° phase boost. The two poles are used to
compensate the ESR zero and provide controlled gain
roll−off. For an ideally compensated system, the Bode plot
should have the close−loop gain roll−off with a slope of
−20 dB/decade crossing the 0 dB with the required
bandwidth and the phase margin larger than 45° for all
frequencies below the 0 dB frequency. The closed loop
gain is obtained by adding the modulator and filter gain (in
dB) to the compensation gain (in dB).The bandwidth is the
frequency at which the gain is 0 dB and the phase margin
is the difference between the close loop phase and 180°.
The goal of compensation is to achieve a stable close loop
system with the highest possible bandwidth, the gain
having −20 dB/decade slope at 0 dB gain crossing, and
sufficient phase margin for stability. The bandwidth of
close loop gain should be less than 50% of the switching
frequency and the compensation gain should be bounded
by the error amplifier open loop gain.
 
Num 1
 
 
 
 
    
flame
 
 
 
 
usc new
 
1 m
 
 
 
 
 
 
pm;
 
 
 
 
 
 
mp
FAWN
VIN
1
xx x
1
1
1L
1
1 xx + X
X X
7‘ 1
xx x
R3
 
 
hup://onsemi.com
22
NCP5214
http://onsemi.com
22
ADAPTIVE
RAMP
OSC
VDDQ
PWM
LOGIC
A
PWM
COMP
VIN
PGND
VREF
TGDDQ
SWDDQ
BGDDQ
PGND
COMP
FBDDQ
VDDQ
L
C2 C1
R3
C3
R4
R2
R1
COUT
VIN
Q2
Q1
CIN
ERROR
AMP
VBOOST
NCP5214
ESR
OUTPUT
FILTER
COMPENSATION
NETWORK
MODULATOR
VCCP
VRAMP
Figure 39. Voltage Mode Buck Converter with Modulator, LC filter and Type III Compensation
Modulator DC Gain can be calculated by:
GMOD(DC) +20 log VIN
VRAMP (eq. 20)
LC filter double pole and ESR zero break frequencies are
defined by:
fPLC +1
2p L COUT
Ǹ(eq. 21)
fZESR +1
2p ESR  COUT (eq. 22)
Compensation network DC Gain can be calculated by the
equation:
GCOMP(DC) +20 log R3
R1(eq. 23)
Type III compensation poles and zeros break frequencies
are defined by the below equations:
fZ1 +1
2p R3 C2(eq. 24)
fP1 +1
2p R3 ǒC1 C2
C1)C2Ǔ(eq. 25)
fZ2 +1
2p (R1)R4) C3(eq. 26)
fP2 +1
2p R4 C3(eq. 27)
80
100
Open Loop Error
Amp Gain
Compensation
Gain
Closed Loop Gain
60
40
20
0
−20
−40
−60
GAIN (dB)
10 100 1 k 10 k 100 k 1 M 10 M
fZ1
fZ2 fP1 fP2
fZESR
fPLC
Modulator & Filter Gain
20 log
20 log
R3
R1
VIN
VRAMP
FREQUENCY (Hz)
Figure 40. Asymptotic Bode Plot of the Converter Gain
VIN
 
 
\ L
 
 
COUT
R1
NCP5214
http://onsemi.com
23
Close loop system bandwidth can be calculated by:
BW +R3
R1 VIN
VRAMP  1
2p L COUT
Ǹ(eq. 28)
Since the ramp amplitude of the PWM modulator has a
voltage feedforward function, the ramp amplitude is a
function of VIN which can be determined by:
VRAMP +1.25 V )0.045  (VIN−5.0 V) (eq. 29)
Below are some guidelines for setting the compensation
components:
1. Set a value for R1 between 2.0 kW and 5.0 kW.
2. Set a target for the close loop bandwidth which
should be less than 50% of the switching
frequency.
3. Pick compensation DC gain (R3/R1) for desired
close loop bandwidth.
4. Place 1st zero at half filter double pole.
5. Place 1st pole at ESR zero.
6. Place 2nd zero at filter double pole.
7. Place 2nd pole at half the switching frequency.
By using the above equations and guidelines, the
compensation components values can be determined by the
equations below:
R3+2p BW  VRAMP  R1 L COUT
Ǹ
VIN (eq. 30)
C2+2 L COUT
Ǹ
R3(eq. 31)
C1+C2
ǒR3 C2
ESR COUTǓ*1
(eq. 32)
R4+R1
p fSW  L COUT
Ǹ*1(eq. 33)
C3+1
p R4 fSW (eq. 34)
The modulator and filter gain, compensation gain, and
close loop gain asymptotic Bode plot can be drawn by the
calculated results to check the compensation gain and close
loop gain obtained. An example of asymptotic Bode plot is
shown in Figure 40.
The phase of the output filter can be calculated by:
Phase(Filter) +− tan −1(2pf ESR  COUT)− tan −1ǒ2pf ESR )DCR  COUT
2pf2 L COUT−1 Ǔ(eq. 35)
where the DCR of the inductor can be neglected if the DCR is small.
The phase of the Type III compensation network can be calculated by:
Phase(TypeIII) +−90°)tan −1(2pf R3 C2)− tan −1ǒ2pf R3 C1 C2
C1)C2Ǔ(eq. 36)
)tan −1(2pf (R1)R4) C3)− tan −1(2pf R4 C3)
The close loop phase can be calculated by summing the
filter phase and compensation phase:
Phase(CloseLoop) +Phase(Filter) )Phase(TypeIII)
(eq. 37)
Then the close loop phase margin can be estimated by:
Phase(Margin) +Phase(CloseLoop) *(*180°)
(eq. 38)
It should be checked that closed loop gain has a 0 dB gain
crossing with −20 dB/decade slope and a phase margin of
45° or greater. The compensation components values may
require some adjustment to meet these requirements.
Besides, the compensation gain should be checked with the
error amplifier open loop gain to make sure that it is
bounded by the error amplifier open loop gain.
The poles and zeros locations and hence the
compensation network components values may need to be
further fine tuned after actual system testing and analysis.
Feedback Resistor Divider
The output voltage of the buck regulator can be adjusted
by the feedback resistor divider formed by R1 and R2. Once
the value of R1 is selected when determining the
compensation components, the value of R2 can be obtained
by:
R2+0.8  R1
VOUT−0.8 (eq. 39)
It is recommended to adjust the value of R2 to fine−tune
the output voltage when it is necessary. The value of R1
should not be changed since the compensation DC gain and
the 2nd zero break frequency of the compensation gain are
contributed by R1. If the value of R1 is changed, the
compensation, the close loop bandwidth and phase margin,
and the system stability will be affected. Besides, it is
recommended to use resistors with at least 1% tolerance for
R1 and R2.
Soft−Start of Buck Regulator
A VDDQ soft−start feature is incorporated in the device
to prevent surge current from power supply and output
voltage overshoot during power up. When VDDQEN,
VCCA, and VOCDDQ rise above their respective upper
threshold voltages, the external soft−start capacitor CSS
will be charged up by a constant current source, Iss. When
the soft−start voltage (Vcss) rises above the SS_EN voltage
(X50 mV), the BGDDQ and TGDDQ will start switching
and VDDQ output will ramp up with VFBDDQ following
the soft−start voltage. When the soft−start voltage reaches
the SS_OK voltage (XVref + 50 mV), the soft−start of
Css
COUTVTT
 
ZmQ
NCP5214
http://onsemi.com
24
VDDQ is finished. The Css will continue to charge up until
it reaches about 2.5 V to 3.0 V.
The soft−start time tss can be programmed by the
soft−start capacitor according to the following equation:
tss [0.8  Css
Iss (eq. 40)
Ceramic capacitors with low tolerance and low
temperature coefficient, such as B, X5R, X7R ceramic
capacitors are recommended to be used as the CSS. Ceramic
capacitors with Y5V temperature characteristic are not
recommended.
Soft−Start of VTT Active Terminator
The VTT source current limit is used as a constant
current source to charge up the VTT output capacitor
during VTT soft−start. Besides, the VTT source current
limit is reduced to about 1.0 A for 128 internal clock cycles
to minimize the inrush current during VTT soft−start.
Therefore, the VTT soft−start time tSSVTT can be estimated
by the equation:
tSSVTT [COUTVTT  VTT
ILIMVTSS (eq. 41)
where COUTVTT is the capacitance of VTT output capacitor
and ILIMVTSS is the VTT soft−start source current limit.
Boost Supply Diode and Capacitor
An external diode and capacitor are used to generate the
boost voltage for the supply of the high−side gate driver of
the bulk regulator. Schottky diode with low forward
voltage should be used to ensure higher floating gate drive
voltage can be applied across the gate and the source of the
high−side MOSFET. A Schottky diode with 30 V reverse
voltage and 0.5 A DC current ratings can be used as the
boost supply diode for most applications. A 0.1 mF to
0.22 mF ceramic capacitor should be sufficient as the boost
capacitor.
VTTI Input Power Supply for VTT and VTTR
Both VTT and VTTR are supplied by VTTI for sourcing
current. VTTI is normally connected to the VDDQ output
for optimum performance. If VTTI is connected to VDDQ,
no bypass capacitor is required to add to VTTI since the
bulk capacitor at VDDQ output is sufficiently large.
Besides, the maximum load current of VDDQ is the sum of
IVDDQ(max) and IVTT(max) when making electrical design
and components selection of the VDDQ buck regulator.
VTTI can also be connected to an external voltage source.
However, extra power dissipation will be generated from
the internal VTT high−side MOSFET and more
heatsinking is required if the external voltage is higher than
VDDQ. Whereas, the headroom will be limit by the RDS(on)
of the VTT linear regulator high−side MOSFET, and the
maximum VTT output current with VTT within regulation
window will also be reduced if the external voltage is lower
than VDDQ. Besides, the VTTI pin input must be bypassed
to VTTGND with at least a 10 mF capacitor if external
voltage source is used.
Design Example
A design example of a VDDQ bulk converter with the
following design parameters is shown below:
DDR2 VDDQ bulk converter design parameters:
1. Input voltage range: 7.0 V to 20 V.
2. Nominal VOUT: 1.8 V.
3. Static tolerance: 2% ("36 mV).
4. Transient tolerance: "100 mV.
5. Maximum output current: 10 A
(IVDDQ(max) = 8.0 A, IVTT(max) = 2.0 A).
6. Load transient step: 1.0 A to 8.0 A.
7. Switching frequency: 400 kHz.
8. Bandwidth: 100 kHz.
9. Soft−start time: 400 ms.
a. Calculate input capacitor rms ripple current rating and
voltage rating:
ICIN(RMS) w10 A  1.836 V
8.0 V *ǒ1.836 V
8.0 V Ǔ2
Ǹ+4.2 A
(eq. 42)
VCIN(rating) w20  1.25 V +25 V (eq. 43)
Therefore, two 10 mF 25 V ceramic capacitors with 1210
size in parallel are used.
b. Calculate inductance, rated current and DCR of
inductor:
First, suppose ripple current is 0.3 times the maximum
output current, such that:
Lw(20 V−1.836 V)  1.836 V
0.3  10 A  20 V  400 kHz +1.39 mH(eq. 44)
Second, the overshoot requirement at load release is then
considered and supposes two 220 mF capacitors in parallel
are used as an initially guess, such that:
L
v440 mF ((100 mV )1.836 V)
2
−(1.836 V)
2
)
ǒ7A)0.3 7A
2Ǔ2+2.56 m
H
(eq. 4
5)
Thus, inductors with standard inductance values of
1.5 mH, 1.8 mH and 2.2 mH can be used. As a trade−off
between smaller overshoot and better efficiency, the
average value of 1.8 mH inductor is selected.
Then, the maximum rated DC current is calculated by:
I
L(rated) +1.2  ǒ10 A )(20 V−1.836 V)  1.836 V
2 1.8 mH 400 kHz  20Ǔ
(eq. 4
6)
+13.39 A
Therefore, inductor with maximum rated DC current of
14 A or larger can be used.
Finally, the DCR of inductor is 2.0 mW per mH of
inductance as a rule of thumb, then:
DCR +2mW
1mH 1.8 mH+3.6 mW(eq. 47)
>4
7A
ac
‘ a v45 mV
m9
—x on x
 
 
115A><10m§2 p="">10m§2>NCP5214
http://onsemi.com
25
Thus, inductor with 1.8 mH inductance, 14 A maximum
rated DC current and 3.5 mW DCR is chosen.
c. Calculate ESR and capacitance of output filter
capacitor:
First, the ESR required to achieve the desired output
ripple voltage is considered. Suppose the output ripple
voltage is 2% of the nominal output voltage.
ESR v(0.02  1.8 V)  1.8 mH 400 kHz  20 V
(20 V−1.8 V)  1.8 V
(eq. 48)
+15.8 mW
Second, the ESR required to meet the transient load
undershoot requirement is considered, such that:
ESR v100 mV
7A +14.3 mW(eq. 49)
Therefore, the suitable ESR is 12 mW or smaller, and the
value of 7.5 mW is selected for more design margin and
better performance. Then, two same SP−Caps or POSCAPs
each with 15 mW ESR in parallel having a resultant ESR
of 7.5 mW should be good enough to meet the
requirements.
Then, check that whether the previously supposed
capacitance meets the undershoot and overshoot
requirements.
To ensure that undershoot requirement of less than 100 mV is achieved, the capacitance must be:
COUT w7A
100 mV−7 A  7.5 mW ǒǒ1−1.8V−36mV
20 V Ǔ
400 kHz Ǔ+335.9 mF(eq. 50)
To make sure that overshoot requirement of less than 100 mV is fulfilled, capacitance must be:
COUT w
1.8 mH ǒ7A)(20 V−1.836 V) 1.836 V
2 1.8 mH 400 kHz 20 VǓ2
(100 mV )1.836 V)2− (1.836 V)2+317.6 mF(eq. 51)
Therefore, output capacitor with capacitance of 440 mF
should meet both undershoot and overshoot requirements.
Sometimes, it may take several times of iterations between
the process of selecting inductance of the inductor and ESR
and capacitance of the output capacitor.
Then, the voltage rating of the output capacitor is
estimated by:
Vrated w1.25  1.836 V +2.3 V (eq. 52)
Thus, output capacitor with 2.5 V or larger rated voltage
is used.
Finally, the rated rms ripple current of the output
capacitor is considered:
ICOUT(rms) w(20 V−1.836 V)  1.836 V
1.8 mH 400 kHz  20 V +2.3 A
(eq. 53)
Thus, capacitor with rated rms ripple current of 3.0 A or
larger should be selected. Two capacitors each with 1.5 A
rated ripple current can be connected in parallel to provide
a total of 3.0 A rated rms ripple current.
Therefore, two same capacitors in parallel each with
capacitance of 220 mF, ESR of 15 mW, rated voltage of
2.5 V, and rated rms ripple current of 1.5 A are used.
d. Calculate the resistance value of OCP current limit
setting resistor:
First, the OCP current limit is estimated at maximum
load condition, such that:
ILIMIT u8A)2A)(20 V−1.836 V)  1.836 V
2 1.8 mH 400 kHz  20 V
(eq. 54)
+11.16 A
Thus, ILIMIT is set to 11.5 A. Suppose from the high−side
MOSFET data sheet, the maximum RDS(on) is 10 mW.
Then, the value of RL1 is calculated by:
RL1 +11.5 A  10 mW
26 mA+4.4 kW(eq. 55)
Therefore, the resistor with standard value of 4.7 kW is
selected for RL1.
e. Calculate the RC values of the compensation network:
First, 4.3 kW is chosen as the value of R1 which is in the
range between 2.0 kW and 5.0 kW.
Since the worst case of stability is at the maximum VIN,
the close loop compensation should be considered at
maximum VIN. Then the ramp amplitude can be calculated
as below:
VRAMP +1.25 V )0.045  (20 V−5 V) +1.925 V
(eq. 56)
Since the L = 1.8 mH, COUT = 440 mF, and the target close loop bandwidth is 100 kHz, the value of R3 can be
calculated as:
R3+2p 100 kHz  1.925 V  4.3 kW 1.8 mH 440 mF
Ǹ
20 V +7.3 kW(eq. 57)
 
8.2 nF
7.5 kg X 8 2 HF
m9 >< m="" (2="" 0.8="" x="" 4.3="" kg="" 43kg="" 27(x100khzx="" 75m§2="" x="">NCP5214
http://onsemi.com
26
Thus, standard value of 7.5 kW is selected for R3.
If the first zero break frequency is placed at half the LC
filter’s double pole, the value of C2 can be calculated by:
C2+2 1.8 mH 440 mF
Ǹ
7.5 kW+7.5 nF (eq. 58)
Thus, standard value of 8.2 nF is chosen for C2.
If the 1st pole break frequency is placed at the LC filter’s
ESR zero, the value of C1 can be calculated by:
C1+8.2 nF +464.9 pF (eq. 59)
7.5 kW 8.2 nF
7.5 mW 440 mF*1
Thus, standard value of 470 pF can be chosen for C1.
However, 180 pF is selected for more phase boost at the
0 dB gain crossing.
Then, if the second zero break frequency is placed at the LC
filter’s double pole and the second pole is placed at half the
switching frequency, the value of R4 can be calculated by:
R4+4.3 kW
p 400 kHz  1.8 mH 440 mF
Ǹ−1 +125 W
(eq. 60)
Thus, standard value of 130 W is selected for R4.
Then, C3 can be calculated by:
C3+1
p 130 W 400 kHz +6.12 nF (eq. 61)
Therefore, standard value of 5.6 nF is selected for C3.
Then, the close loop phase margin can be estimated by the following:
Phase(TypeIII) +−90 )tan −1(2p 100 kHz  7.5 kW 8.2 nF)
(eq. 62)
−tan −1ǒ2p 100 kHz  7.5 kW 180 pF  8.2 nF
180 pF )8.2 nFǓ
)tan −1(2p 100 kHz  (4.3 kW)130 W) 5.6 nF)
−tan −1(2p 100 kHz  130 W 5.6 nF)
+20.57°
Phase(Filter) +− tan −1(2p 100 kHz  7.5 mW 440 mF)
−tan −1ǒ2p 100 kHz  7.5 mW
2p (100 kHz)2 1.8 mH 440 mF−1Ǔ
+−153.66°
Phase(closeloop) +−153.66°)20.57°+−133.09°
Phase(margin) +Phase(closeloop)−(−180°)+−133.09°−(−180°)+46.91°
Therefore, the phase margin is large enough for stability.
f. Calculate the resistance value of feedback resistor
divider:
Since a 4.3 kW resistor is chosen as the high−side resistor
R1, the resistance value of low−side resistor R2 can be
calculated by:
R2+0.8  4.3 kW
1.8 V−0.8 V +3.44 kW(eq. 63)
Therefore, a 3.44 kW resistor is selected for the low−side
feedback resistor R2.
g. Calculate soft−start capacitor value for the desired
400 ms VDDQ soft−start time:
CSS +4.0 mA 400 ms
0.8 V +2.0 nF (eq. 64)
Therefore, 2.0 nF X5R ceramic capacitor is selected for
the soft−start capacitor.

NCP5214
http://onsemi.com
27
PCB Layout Guidelines
Cautious PCB layout design is very critical to ensure
high performance and stable operation of the DDR power
controller. The following items must be considered when
preparing PCB layout:
1. All high−current traces must be kept as short and
wide as possible to reduce power loss.
High−current traces are the trace from the input
voltage terminal to the drain of the high−side
MOSFET, the trace from the source of the
high−side MOSFET to the inductor, the trace
from inductor to the VDDQ output terminal, the
trace from the input ground terminal to the
VDDQ output ground terminal, the trace from
VDDQ output to VTTI pin, the trace from VTT
pin to VTT output terminal, and the trace from
VTT output ground terminal to the VTTGND pin.
Power handling and heaksinking of high−current
traces can be improved by also routing the same
high−current traces in the other layers and joined
together with multiple vias.
2. Power components which include the input
capacitor, high−side MOSFET, low−side
MOSFET and VDDQ output capacitor of the
buck converter section must be positioned close
together to minimize the current loop. The input
capacitor must be placed close to the drain of the
high−side MOSFET and the source of the
low−side MOSFET.
3. To ensure the proper function of the device,
separated ground connections should be used for
different parts of the application circuit according
to their functions. The input capacitor ground, the
low−side MOSFET source, the VDDQ output
capacitor ground, the VCCP decoupling capacitor
ground should be connected to the PGND. The
trace path connecting the source of the low−side
MOSFET and PGND pin should be minimized.
The VTT output capacitor ground should be
connected to the VTTGND first with a short
trace, it is then connected to the ground plane of
PGND. The VCCA decoupling capacitor ground,
the ground of the VDDQ feedback resistor, the
soft−start capacitor ground, the VTTREF output
capacitor ground should be connected to the
AGND. The AGND pin is then connected directly
through a sense trace to the remote ground sense
point of the PGND, which is usually the ground
of the local bypass capacitor for the load. Never
connect the AGND, PGND and VTTGND
together just under the thermal pad.
4. The thermal pad of the DFN−22 package should
be connected to the ground planes in the internal
layer and bottom layer from the copper pad at top
layer underneath the package through six to eight
vias with 0.6 mm hole−diameter to help heat
dissipation and ensure good thermal capability. It
is recommended to use PCB with 1 oz or 2 oz
copper foil. The thermal pad can be connected to
either PGND ground plane or AGND ground
plane but not both.
5. The input capacitor ground terminal, the VDDQ
output capacitor ground terminal and the source
of the low−side MOSFET must be connected to
the PGND ground plane through multiple vias.
6. Sensitive traces like trace from FBDDQ, trace
from COMP, trace from OCDDQ, trace from
FBVTT and trace from VTTREF should be
avoided from the high−voltage switching nodes
like SWDDQ, BOOST, TGDDQ and BGDDQ.
7. Separate sense trace should be used to connect
the VDDQ point of regulation, which is usually
the local bypass capacitor for load, to the
feedback resistor divider to ensure accurate
voltage sensing. The feedback resistor divider
should be place close to the FBDDQ pin.
8. Separate sense trace should be used to connect the
VTT point of regulation, which is usually the local
bypass capacitor for load, to the FBVTT pin.
9. Separate sense trace should be used to connect
the VDDQ point of regulation to the DDQREF
pin to ensure that the reference voltage to VTT is
accurately half of the VDDQ voltage.
10. The traces length between the gate driver outputs
and gates of the MOSFETs must be minimized to
avoid parasitic impedance.
11. To ensure normal function of the device, an RC
filter should be placed close to the VCCA pin and
a decoupling capacitor should be placed close to
the VCCP pin.
12. The copper trace area of the switching node which
includes the source of the high−side MOSFET,
drain of the low−side MOSFET and high voltage
side of the inductor should be minimized by using
short wide trace to reduce EMI.
13. A snubber circuit consists of a 3.3 W resistor and
1.0 nF capacitor may need to be connected across
the switching node and PGND to reduce the
high−frequency ringing occurring at the rising
edge of the switching waveform to obtain more
accurate inductor current limit sensing of the
VDDQ buck converter. However, adding this
snubber circuit will slightly reduce the conversion
efficiency.
14. VTTI should be connected to VDDQ output with
wide and short trace if VDDQ is used as the
sourcing supply for VTT. An input capacitor of at
least 10 mF should be added close to the VTTI
pin and bypassed to VTTGND if external voltage
supply is used as the VTT sourcing supply.
 
 
 
 
 
 
 
 
 
 
 
 
 
 
 
 
 
 
 
 
 
 
 
 
 
 
 
 
 
 
 
 
 
 
 
 
 
 
 
 
 
 
 
 
 
 
 
 
 
m c5
NCPSZM |_{ }—|
16
VDDQEN comm R6
2 V'I'I’EN veer 20 5V Tgssmssuw
in mi mu MaRnsaoTi 4.7uF‘L
| L 3 7 50031 ‘7 ‘
4 ss DIL NTMSOVOUNCI — TPS W
L— c7
flinF ONS a I I Q1 —‘ ”CB icy EL$SOF TP7 OMVTMM
$1 “23;;th mm: , _ Emu: mam: N am,
R7 ‘ — —
TPI i5 F6000 mum ‘9 3/}? N CHANNE ‘(oplmnioTVmNCP5214
http://onsemi.com
28
12
D1
MBR0530T1
L1
R9
10 k
R11
4.3 k
C2
C14
100 pF
C12
C15
2.2 nF
C4
1 mF
C5 (option)
C8
C3
C1
1.8 nF
C6
C7
C13
C11
LOW−ESR POSCAP TPE Series
SANYO 4TPE150MI
C11, C12
Panasonic EEFUD0G151R
LOW ESR SP−CAP UD Series
C9
(option for Vin < 8 V)
R12
3.44 k
*
R4
100 k
BIAS SUPPLY
(4.5 V TO 24 V)
1.8 V/10 A
Q1
NTMS4700N
N−CHANNEL
Q2
NTMS4107N
N−CHANNEL
C10
TP1
TP2
TP8 VDDQ
TP5
TP6 VIN
5 V
TP7
GND
JP3JP2
VCCA
VDDQ
R10
130
TP3
TP9
VDDQGND
TP4
VREF
5 V
R6
C16
4.7 nF
R7
R8
2.5 V/12 A
VDDQEN
1
VTTEN
2
3
SS
4
PGOOD
15
VTT
6
FBVTT
8
VTTGND
5
VCCA
11
DDQREF
10
AGND
9
OCDDQ 16
VCCP 20
BOOST 17
TGDDQ 18
SWDDQ 19
BGDDQ 21
PGND 22
COMP 12
FBDDQ 13
VTTI 7
ON Semiconductor
NCP5214
THPAD
23
VTTREF
14
U1
NCP5214
C17
C18
0.9 V/15 mA
JP4
1.25 V/15 mA
R13
TP10
AGND
(option)
R14
C19
1 nF
(option)
(option)
C20
(option)
VTTGND
JP1
Figure 41. Schematic Diagram of Evaluation Board
R5
10 mF
10 mF
10 W
1 mF
10 mF
1.25 V/±1.5 A
0.9 V/±1.5 A
R3
100 k
R2
100 k
R1
100 k
0.1 mF
4.7 mF
0.1 mF
0 W
0 W
10 mF
*33 mF
150 mF150 mF1 mF
(150 mF, 4 V, 15 mW)
(150 mF, 4 V, 18 mW)
0 W
10 mF
10 mF
30 V, 7.3 mW
30 V, 4.7 mW
1.8 mH, 14 A, 3.4 mW
* Install R12 = 3.44 k for VDDQ = 1.8 V
Install R12 = 2.02 k for VDDQ = 2.5 V
FPWM
3.3 W
5.6 kW
VTT
VTTGND
PGOOD
 
 
 
 
 
 
 
 
 
 
 
 
 
 
 
 
 
 
NCP5214
http://onsemi.com
29
PCB Layout of Evaluation Board
Figure 42. Silkscreen of Evaluation Board PCB Figure 43. Top Layer of Evaluation Board
PCB Layout
Figure 44. Middle Layer1 of Evaluation
Board PCB Layout Figure 45. Middle Layer2 of Evaluation
Board PCB Layout
Figure 46. Bottom Layer of Evaluation Board
PCB Layout

NCP5214
http://onsemi.com
30
Table 2. Bill of Materials of the Evaluation Board
Item Qty Designators Part Description Mfg. & P/N Remark
1 1 C1 Capacitor, Ceramic, 1.8 nF/50 V 0603 Panasonic ECJ1VB1H182K  
2 2 C2, C17 Capacitor, Ceramic, 10 μF/6.3 V 0805 Panasonic ECJ2FB0J106M  
3 2 C3, C20 Capacitor, Ceramic, 10 μF/6.3 V 0805 Panasonic ECJ2FB0J106M C3 & C20 are
optional
4 3 C4, C13, C18 Capacitor, Ceramic, 1 μF/10 V 0805 Panasonic ECJ1VB1A105M  
5 2 C5, C7 Capacitor, Ceramic, 0.1 μF/25 V 0603 Panasonic ECJ1VB1E104K C5 is optional
6 1 C6 Capacitor, Ceramic, 4.7 μF/10 V 0603 Panasonic ECJ2FB1C475M  
7 2 C8, C10 Capacitor, Ceramic, 10 μF/25 V 1210 Panasonic ECJ4YB1E106M  
8 1 C9 Capacitor, Electrolytic, 33 μF/35 V Size D Panasonic EEVFK1V330P C9 is optional
9 2 C11, C12 Capacitor, SP−CAP, 150 μF/4 V Size D /
Capacitor, POSCAP, 150 μF/4 V Size D
Panasonic EEFUD0G151R /
Sanyo 4TPE150MI
10 1 C14 Capacitor, Ceramic, 100 pF/50 V 0603 Panasonic ECJ1VC1H101K  
11 1 C15 Capacitor, Ceramic, 2.2 nF/50 V 0603 Panasonic ECJ1VB1H222K  
12 1 C16 Capacitor, Ceramic, 4.7 nF/50 V 0603 Panasonic ECJ1VB1H472K  
13 1 C19 Capacitor, Ceramic, 1 nF/50 V 0603 Panasonic ECJ1VB1H102K C19 is optional
14 1 D1 Diode, 0.5 A 30 V schottky SOD−123 ON Semiconductor MBR0530T1  
15 3 JP1, JP2, JP3 Header, 3−pin, 100 mil spacing Any  
16 1 JP4 Header, 2−pin, 100 mil spacing Any  
17 1 L1 Inductor, SMD, 1.8 μH/14 A /
Inductor, SMD, 1.5 μH/17 A
Panasonic ETQP2H1R8BFA /
TOKO FDA1055−1R5M=P3
18 1 Q1 MOSFET, N−Channel SO−8, 30 V/14.5 A ON Semiconductor NTMS4700N  
19 1 Q2 MOSFET, N−Channel SO−8, 30 V/19 A ON Semiconductor NTMS4107N  
20 4 R1, R2, R3, R4 Resistor, 100 kW 5% 0603 Panasonic ERJ3GEYJ104V  
21 1 R5 Resistor, 10 W 5% 0603 Panasonic ERJ3GEYJ100V  
22 1 R6 Resistor, 5.6 kW 1% 0603 Panasonic ERJ3EKF5602V  
23 1 R7 Resistor, 0 W 5% 0603 Panasonic ERJ3GEYJ0R0V  
24 2 R8, R13 Resistor, 0 W 5% 0603 Panasonic ERJ3GEYJ0R0V  
25 1 R9 Resistor, 10 kW 1% 0603 Panasonic ERJ3EKF1002V  
26 1 R10 Resistor, 130 W 1% 0603 Panasonic ERJ3EKF1300V  
27 1 R11 Resistor, 4.3 kW 1% 0603 Panasonic ERJ3EKF4301V  
28 1 R12 Resistor, 3.44 kW 1% 0603 Panasonic ERJ3EKF3441V  
29 1 R14 Resistor, 3.3 W 5% 0603 Panasonic ERJ3GEYJ3R3V R14 is optional
30 8 TP1 − TP8 Header, single pin Any  
31 1 U1 2−in−1 Notebook DDR Power Controller ON Semiconductor NCP5214  
32 4   Shunt, 100 mil jumper Any  
33 1 Test Pin, 0.7 mm Diameter, 12 mm Height Any Place at the
GND between
C11 and C8
34 4   Bumpon, 4.44 x 0.20 transparent 3M
35 1   4−layered PCB 2500 mil x 2000 mil Any  
 
 
 
 
 
 
 
    
 
 
 
 
 
 
 
 
 
 
 
mummmi
Le2:240 c A‘B‘ If T 1
0.05 C NNNNN iiiiiifiiii,
BOWOMVIEW L ‘ #7
:Wgumugug ,
hup://onsemi.com
31
NCP5214
http://onsemi.com
31
PACKAGE DIMENSIONS
DFN−22
MN SUFFIX
CASE 506AF−01
ISSUE A
C0.15
E2
D2
L
b22 X
A
DNOTES:
1. DIMENSIONS AND TOLERANCING PER
ASME Y14.5M, 1994.
2. DIMENSIONS IN MILLIMETERS.
3. DIMENSION b APPLIES TO PLATED
TERMINALS AND IS MEASURED BETWEEN
0.25 AND 0.30 MM FROM TERMINAL
4. COPLANARITY APPLIES TO THE EXPOSED
PAD AS WELL AS THE TERMINALS.
E
C
e
A
B
DIM MIN MAX
MILLIMETERS
A0.80 1.00
A1 0.00 0.05
A3 0.20 REF
b0.18 0.30
D6.00 BSC
D2 3.98 4.28
E5.00 BSC
E2 2.98 3.28
e0.50 BSC
K0.20 −−−
L0.50 0.60
C0.15
PIN 1 LOCATION
A1
(A3) SEATING
PLANE
C0.08
C0.10
22 X
K22 X
A0.10 BC
0.05 C NOTE 3
111
1222
TOP VIEW
SIDE VIEW
BOTTOM VIEW
0.280
0.011
ǒmm
inchesǓ
SCALE 8:1
0.980
0.039
4.300
0.169
5.770
0.227
3.130
0.123
0.500
0.020
0.340
0.013
20X 22X
*For additional information on our Pb−Free strategy and soldering
details, please download the ON Semiconductor Soldering and
Mounting Techniques Reference Manual, SOLDERRM/D.
SOLDERING FOOTPRINT*
 
 
0N mmmmm J
 
 
NCP5214
http://onsemi.com
32
ON Semiconductor and          are registered trademarks of Semiconductor Components Industries, LLC (SCILLC).  SCILLC reserves the right to make changes without further notice
to any products herein.  SCILLC makes no warranty, representation or guarantee regarding the suitability of its products for any particular purpose, nor does SCILLC assume any
liability arising out of the application or use of any product or circuit, and specifically disclaims any and all liability, including without limitation special, consequential or incidental
damages.  “Typical” parameters which may be provided in SCILLC data sheets and/or specifications can and do vary in different applications and actual performance may vary over
time.  All operating parameters, including “Typicals” must be validated for each customer application by customer’s technical experts.  SCILLC does not convey any license under
its patent rights nor the rights of others.  SCILLC products are not designed, intended, or authorized for use as components in systems intended for surgical implant into the body,
or other applications intended to support or sustain life, or for any other application in which the failure of the SCILLC product could create a situation where personal injury or death
may occur.  Should Buyer purchase or use SCILLC products for any such unintended or unauthorized application, Buyer shall indemnify and hold SCILLC and its officers, employees,
subsidiaries, affiliates, and distributors harmless against all claims, costs, damages, and expenses, and reasonable attorney fees arising out of, directly or indirectly, any claim of
personal injury or death associated with such unintended or unauthorized use, even if such claim alleges that SCILLC was negligent regarding the design or manufacture of the part.
SCILLC is an Equal Opportunity/Affirmative Action Employer.  This literature is subject to all applicable copyright laws and is not for resale in any manner.
PUBLICATION ORDERING INFORMATION
N. American Technical Support: 800−282−9855 Toll Free
USA/Canada
Japan: ON Semiconductor, Japan Customer Focus Center
2−9−1 Kamimeguro, Meguro−ku, Tokyo, Japan 153−0051
Phone: 81−3−5773−3850
NCP5214/D
LITERATURE FULFILLMENT:
Literature Distribution Center for ON Semiconductor
P.O. Box 61312, Phoenix, Arizona 85082−1312 USA
Phone: 480−829−7710 or 800−344−3860 Toll Free USA/Canada
Fax: 480−829−7709 or 800−344−3867 Toll Free USA/Canada
Email: orderlit@onsemi.com
ON Semiconductor Website:  http://onsemi.com
Order Literature: http://www.onsemi.com/litorder
For additional information, please contact your
local Sales Representative.
Products related to this Datasheet
IC REG CTRLR DDR 2OUT 22DFN
        
    IC REG CTRLR DDR 2OUT 22DFN
        
    EVAL BOARD FOR NCP5214